JM-50-Rev00PDF.pdf - 第94页
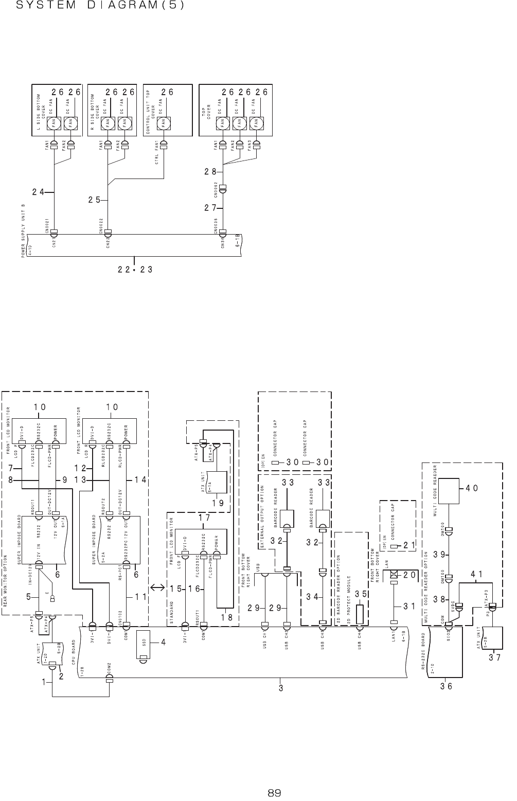
- - 45. SYSTEMDIAGRA M(5)

- -
REF.NO NOTE PARTNO DESCRIPTION Qty
1 401-29046 SIDESENSORCABLEASM 1
2 401-28871 IOCONTROLPCBASM 1
3 401-82259 IO-RCNVSERIALCABLEASM 1
4 401-28875 CONVEYORPCBASM 1
5 402-56056 PRESSUECHANGESVRLYCABLE1 1
6 402-56771 SIDE(R)CABLEASM 1
7 401-29080 AIR(N)SENSORCABLEASM 1
8 401-29256 CONVEYOR(F)-CALVAC(S/R)CABLEASM 1
9 400-47908 SBL2CABLEASM 1
10 402-05740 CNVRELAYCABLEASM 1
11
#01
402-56057 PRESSUECHANGESVRLYCABLE2 1
12 401-82338 SIDESENSOR(L)CABLEASM 1
13
#02
402-56050 BUPINRECEIVESENSASM 1
14
#02
402-56051 BUPINEMISSIONSENSASM 1
15
#02
401-82339 BUPINDETECTSENSORCABLEASM 1
16 402-56052 PRESSURECHANGESVCABLEASM 1
17 401-54793 PROXIMITYSENSORCABLEASM 1
18 402-13480 PCBCLAMPSVCABLEASM 1
19 402-53220 WAITSTOPCOUTSENSASM 1
20
#01
402-53219 PCBCLAMPUP/DOWNSENSORCABLEASM 1
21 401-29261 ATCSVCABLEASM 1
22 402-56187 ASM_JM50_POWER_SUPPLY_UNIT_B 1
23
#01
402-56188 ASM_JM50_POWER_SPLY_UNIT_B_EN 1
24 402-56058 CNVPCB(R)PWRCABLEASM 1
25 401-29062 PHOTOMICROSENSORASM 1
26 402-56060 MOTORDRIVERCABLEASM 1
27 401-54209 2PHASEDRIVERPCBASM 1
28 HM-0013200-00 MOTORDRIVER 1
29 401-82342 CNV-SMEMALRELAY(F)CABLEASM
1
30 401-58136 2PHASESTEPPINGMOTOR 1
31 402-56061 LMOTORDRIVERCABLEASM 1
32 401-29031 SMEMACABLEASM 1
33 402-56055 AWCMOTORCABLEASM 1
34 401-29040 AWCMOTORASM 1
35 402-05743 CALWAITSTPSVCABLEASM 1
36 400-07376 CALBLOCKPCBASM 1
37 401-29260 CAL-VACUUMSVCABLEASM 1
38 401-56969 STOPPERSVCABLEASM 1
39 402-53220 WAITSTOPCOUTSENSASM 1
40 402-21786 CNV-ATC(F)CABLEASM 1
41 401-29029 CNV-SMEMARRELAY(F)CABLEASM 1

- -
45.SYSTEMDIAGRAM(5)

- -
REF.NO NOTE PARTNO DESCRIPTION Qty
1 401-82290 ATX232CCABLEASM2 1
2 EZ-1468979-11 POWER(ENSP-300P-S20-11S) 1
3 402-05765 CPUBOARD 1
4 402-06824 ENVSYSDSKASM(JM100MES) 1
5
#02
402-05757 ATX-SPIMPPWRCABLEASM2 1
6
#02
401-29641 SUPERIMPOSEBOARD 1
7
#02
401-29642 DVICABLEL2.5M 1
8
#02
401-29084 SPIMP-FLCDSERIALCABLEASM 1
9
#02
401-90366 SPIMP-FLCDPWRCABLEASM 1
10
#02
401-58158 15INCHLCDMONITOR 1
11
#02
401-82263 CPU-SPIMPSERIALCABLEASM 1
12
#02
401-29643 DVICABLEL4.0M 1
13
#02
401-29087 SPIMP-RLCDSERIALCABLEASM 1
14
#02
402-18818 SPIMP-RLCDPWRCABLEASM 1
15 401-29642 DVICABLEL2.5M 1
16 401-29084 SPIMP-FLCDSERIALCABLEASM 1
17 401-58158 15INCHLCDMONITOR 1
18 402-05756 FLCDPWRCABLEASM 1
19 EZ-1468979-11 POWER(ENSP-300P-S20-11S) 1
20 HK-0651200-80 MODULARKAPLA 1
21
#01
HX-0066000-00 DUSTCOVER 1
22 402-56187 ASM_JM50_POWER_SUPPLY_UNIT_B 1
23
#01
402-56188 ASM_JM50_POWER_SPLY_UNIT_B_EN 1
24 401-89241 BASELFANRELAYCABLEASM 1
25 402-05758 BASERFANRELAYCABLEASM 1
26 401-89090 DCFANASM 1
27 401-89243 TOPCOVERFANRELAYCABLEASM 1
28 401-89244 TOPCOVERFANCABLEASM 1
29 400-44522 USBRELAYCABLE 1
30
#01
HX-0066700-00 DUSTCOVER 1
31 HW-0018100-80 LANCABLE 1
32 401-73482 USBBARCORDREADERCABLE(4M) 1
33 EZ-1458644-11 READERBARCODE 1
34 401-73481 USBREPEATERCABLE 1
35 401-29932 2DPROTECTMODULE(USB) 1
36 401-35433 8-PORTCOMBOARD 1
37 EZ-1468979-11 POWER(ENSP-300P-S20-11S) 1
38 401-39308 SCANNERADAPTERCABLE 1
39 401-39307 HIGHFLEXIBLECABLE 1
40 401-99830 BARCODEREADER 1
41 402-13470 MULTISENSPOWERCABLEASM 1