JM-50-Rev00PDF.pdf - 第96页
- - 46. SYSTEMDIAGRA M(6)

- -
REF.NO NOTE PARTNO DESCRIPTION Qty
1 401-82290 ATX232CCABLEASM2 1
2 EZ-1468979-11 POWER(ENSP-300P-S20-11S) 1
3 402-05765 CPUBOARD 1
4 402-06824 ENVSYSDSKASM(JM100MES) 1
5
#02
402-05757 ATX-SPIMPPWRCABLEASM2 1
6
#02
401-29641 SUPERIMPOSEBOARD 1
7
#02
401-29642 DVICABLEL2.5M 1
8
#02
401-29084 SPIMP-FLCDSERIALCABLEASM 1
9
#02
401-90366 SPIMP-FLCDPWRCABLEASM 1
10
#02
401-58158 15INCHLCDMONITOR 1
11
#02
401-82263 CPU-SPIMPSERIALCABLEASM 1
12
#02
401-29643 DVICABLEL4.0M 1
13
#02
401-29087 SPIMP-RLCDSERIALCABLEASM 1
14
#02
402-18818 SPIMP-RLCDPWRCABLEASM 1
15 401-29642 DVICABLEL2.5M 1
16 401-29084 SPIMP-FLCDSERIALCABLEASM 1
17 401-58158 15INCHLCDMONITOR 1
18 402-05756 FLCDPWRCABLEASM 1
19 EZ-1468979-11 POWER(ENSP-300P-S20-11S) 1
20 HK-0651200-80 MODULARKAPLA 1
21
#01
HX-0066000-00 DUSTCOVER 1
22 402-56187 ASM_JM50_POWER_SUPPLY_UNIT_B 1
23
#01
402-56188 ASM_JM50_POWER_SPLY_UNIT_B_EN 1
24 401-89241 BASELFANRELAYCABLEASM 1
25 402-05758 BASERFANRELAYCABLEASM 1
26 401-89090 DCFANASM 1
27 401-89243 TOPCOVERFANRELAYCABLEASM 1
28 401-89244 TOPCOVERFANCABLEASM 1
29 400-44522 USBRELAYCABLE 1
30
#01
HX-0066700-00 DUSTCOVER 1
31 HW-0018100-80 LANCABLE 1
32 401-73482 USBBARCORDREADERCABLE(4M) 1
33 EZ-1458644-11 READERBARCODE 1
34 401-73481 USBREPEATERCABLE 1
35 401-29932 2DPROTECTMODULE(USB) 1
36 401-35433 8-PORTCOMBOARD 1
37 EZ-1468979-11 POWER(ENSP-300P-S20-11S) 1
38 401-39308 SCANNERADAPTERCABLE 1
39 401-39307 HIGHFLEXIBLECABLE 1
40 401-99830 BARCODEREADER 1
41 402-13470 MULTISENSPOWERCABLEASM 1

- -
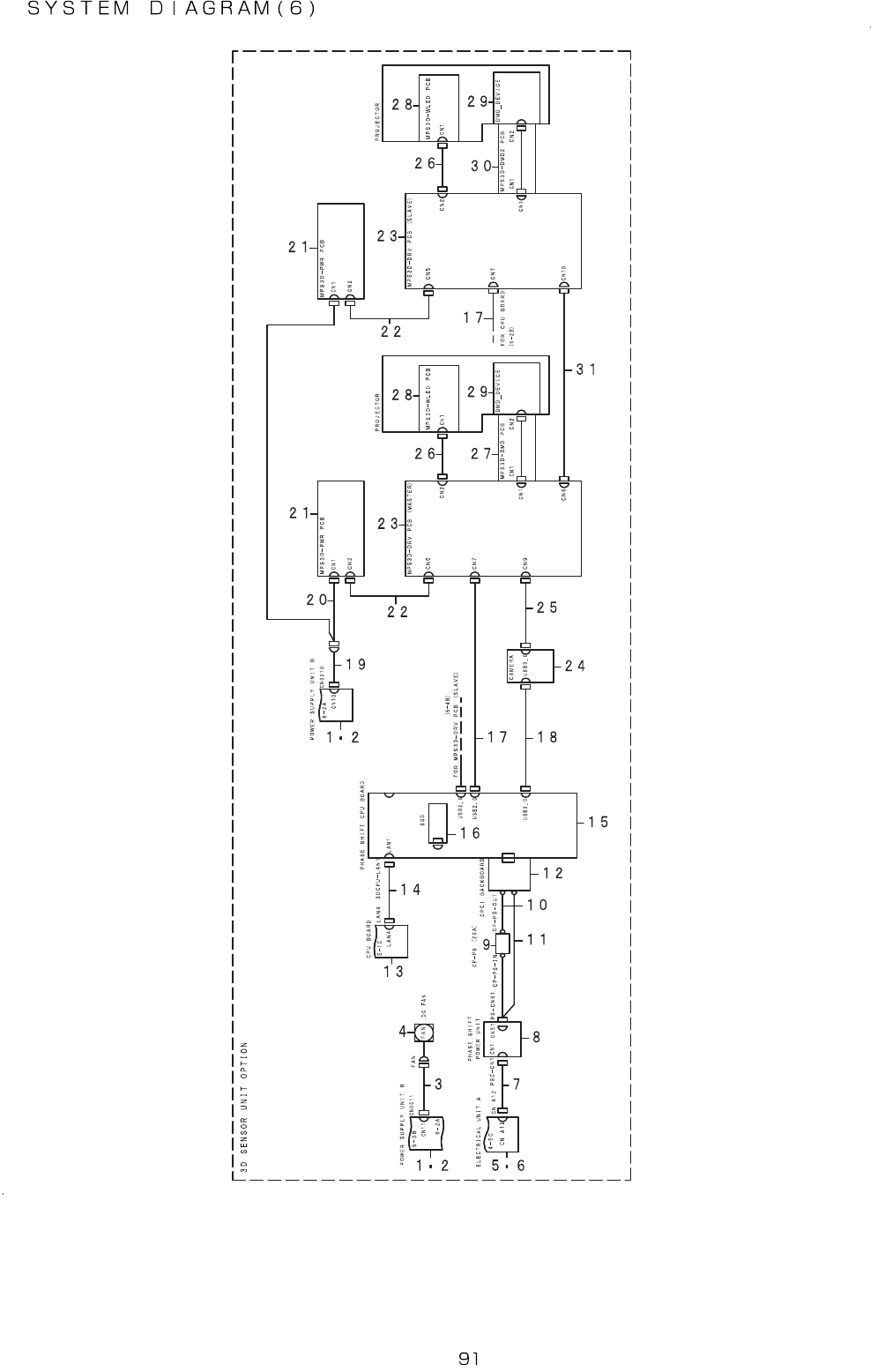
46.SYSTEMDIAGRAM(6)

- -
REF.NO NOTE PARTNO DESCRIPTION Qty
1 402-06696 ASM_JM100_POWER_SUPPLY_UNIT_B 1
2
#01
402-06708 ASM_JM100_POWER_SPLY_UNIT_B_EN 1
3 402-13484 CPUBOARDFANCABLEASM 1
4 401-89090 DCFANASM 1
5 402-00913 ELECTRICALUNITA 1
6
#01
402-00914 ELECTRICALUNITAEN 1
7 402-13495 PWRINPUTCABLEASM 1
8 HX-0070500-00 POWERSUPPLY 1
9 HA-0052700-0E CIRCUITPROTECTOR 1
10 402-13483 CP-PS-OUTCABLEASM 1
11 402-13482 CPUPWRCABLEASM 1
12 400-97423 CPCIBACKBOARD 1
13 402-05765 CPUBOARD 1
14 402-13496 3DCPULANCABLEASM 1
15 402-05765 CPUBOARD 1
16 402-07722 SSD 1
17 401-95640 MPS3DUSBCABLEMICRO 1
18 401-95641 MPS3DUSB3.0CABLE 1
19 401-95635 MPS3D-POWERWIREASM 1
20 401-95636 MPS3D-BOARDPOWERWIREASM 1
21 402-07727 MPS3D-PWRPCBASM 1
22 401-95643 MPS3D-B2BPOWERWIREASM 1
23 401-95609 MPS3D-DRVPCBASM 1
24 401-95642 USB3.0CAMERA 1
25 401-95638 MPS3D-CAMERAIOWIREASM 1
26 401-95637 MPS3D-LEDPOWERWIREASM 1
27 401-95610 MPS3D-DMD1PCBASM 1
28 402-55335 MPS3D-WLEDPCBASM 1
29 402-56011 MPS3D-MICROMIRRORARRAY 1
30 401-95646 MPS3D-DMD2PCBASM 1
31 401-95639 MPS3D-BOARDGPIOWIREASM 1