NPM-D电路.pdf - 第128页
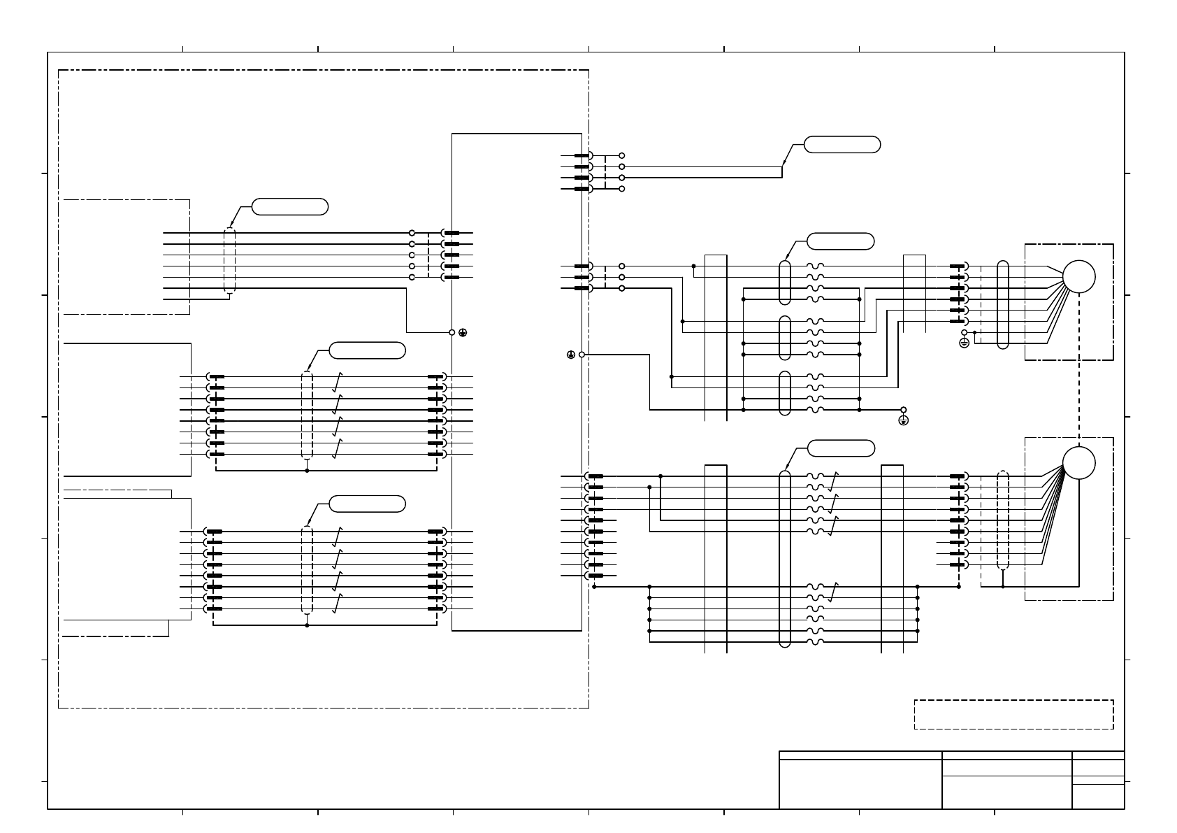
-K350 PPE0AA #2 -A02 Power Unit 1 HEAD2PW FG1K350 YE OG RD BN GY VT BU GN WH -A12 CN1 Head 2 LED Controller #2 CN1 CN2 CN10 -A01 CPU Box -K302 PNFCAC NCIO Board FG2K350 FGA12 I/O2 BK R1.25-4 JST R2-4 JST R2-3.5 JST LB VT…

-A02
Power Unit 1
-K302
PNFCAC
-A01
CPU Box
CN4
Motor Driver
X2B
-K503
MCDHT3520NL3
Panasonic
RX-Axis
RD
WH
BK
BU
BN
R2-4
JST
E1K504
R5.5-4
JST
E2K504
N610159580** : Main Body Wiring : NPM-D3
NCIO Board
EM504
5.5-S4
JST
4XAK504(L2)
5XAK504(L1)
AI 2,5-12 BU
PHOENIX CONTACT
3XAK504(L3)
2XAK504(L1C)
AI 1-12 RD
1XAK504(L2C)
XAK504
05JFAT-SAXGSA-L
5
4
3
2
1
JST
GN/YE
WH
BK
RD
BN
RMFEV-P(2517) AWG17/2C+AWG21/2C
WH
BK
RD
BN
RMFEV-P(2517) AWG17/2C+AWG21/2C
WH
BK
RD
BN
RMFEV-P(2517) AWG17/2C+AWG21/2C
LB
VT
GY
PK
BK
GN
BU
YE
RD
BN
WH
OG
N610157828AB
SEIWA
E04SR200932
TDK
ZCAT3035-1330
TDK
ZCAT3035-1330
N610157843AD
TX+
TX-
3
6
1
2
5
4
7
8
RX+
RX-
3
6
1
2
5
4
7
8
AMP
YMM504
1-179555-3
B3
A3
B2
A2
B1
A1
DDK
YEM504
17JE-23090-02(D1)
8
7
4
9
3
6
2
5
1
RMFEV-P(2517) AWG25/4P+AWG30/4C
JST
X5K504
MUF-PK10K-X
1
2
3
4
5
6
7
8
9
10
HRZVV-SB-H(c2570) AWG15/4C+AWG19/2C
2XBK504(V)
1XBK504(W)
3XBK504(U)
AI-TWIN 2×1,5-12 BK
PHOENIX CONTACT
XBK504
03JFAT-SAXGSA-L
3
2
1
JST
2XCK504(B2)
AI1.5-10BK
PHOENIX CONTACT
3
2
JST
4
1
04JFAT-SAXGSA-L
XCK504
3XCK504(B3)
UL#16 105/600-1.25mm2 BK
N610161319AB
MTNW000159AA
MTNW000206AA
STPC26-5E(W)-S020C
GN
WH/GN
OG
WH/OG
BU
WH/BU
BN
WH/BN
X2BK503
8
7
4
5
2
1
6
3
X2AK504
8
7
4
5
2
1
6
3
CN4K302
8
7
4
5
2
1
6
3
X2BK504
8
7
4
5
2
1
6
3
STPC26-5E(W)-S260C
GN
WH/GN
OG
WH/OG
BU
WH/BU
BN
WH/BN
3
6
1
2
5
4
7
8
X2B
TX+
TX-
RX+
RX-
X2A
3
6
1
2
5
4
7
8
1
2
3
4
3
2
1
5
4
3
2
1
XB
XC
NC
B2
B3
B1
U
V
W
EX5V
EX0V
EXPS
/EXPS
EXA
/EXA
EXB
/EXB
EXZ
/EXZ
1
2
3
4
5
6
7
8
9
10
X5
L1
L2
L3
L1C
L2C
XA
-K504
MEDHT7364NL3
Panasonic (Motor)
RY-Axis
Motor Driver
RY-Axis Motor
1
5
2
6
3
9
4
7
8
W
V
U
W
V
SSG
SM
U
A1
B1
A2
B2
A3
B3
Linear
-M504
E
E
N610157829AA
Note1) Connector pin arrangement is not sequential.
Note1)
Note1)
Note1)
Note1) Note1)
Note1) Note1)
4
L113b1X1
L213b1X1
L313b1X1
L31c5X1
L11c4X1
FG1K504
Eb4X1
TDK
ZCAT3035-1330
2
(*1)
(*1)
This ferrite core is the same as that of the ferrite core
of the coordinates C-6 of P009.
2
3
3
3
3
Panasonic Factory Solutions Co.,Ltd. パナソニック ファクトリーソリューションズ株式会社
Name
Drawing No.
Loc. No.
F4K1020-05A
1
2 3 4 5 6 7 8
A
B
C
D
E
F
1 2 3 4 5 6 7 8
A
B
C
D
E
F
Page. No.
XY UNIT : NPM-D3
(RY-Axis Wiring)
N610157814+010AE
P010

-K350
PPE0AA #2
-A02
Power Unit 1
HEAD2PW
FG1K350
YE
OG
RD
BN
GY
VT
BU
GN
WH
-A12
CN1
Head 2
LED
Controller #2
CN1
CN2 CN10
-A01
CPU Box
-K302
PNFCAC
NCIO Board
FG2K350 FGA12
I/O2
BK
R1.25-4
JST
R2-4
JST
R2-3.5
JST
LB
VT
GY
PK
BK
GN
BU
YE
RD
BN
WH
OG
FG2K302
R1.25-4
JST
N610157830AC
G24
G24
1
2
G24
3
G24
4
P24
P24
5
6
P24
7
P24
8
9
TXD+
TXD-
RXD+
1
4
2
RXD-
EMG
GND
5
3
6
N.C
I/O 1
I/O 2
1
2
3
RXD+
RXD-
TXD+
5
13
6
TXD-
EMG
ILK 1
14
15
8
ILK 2
GND
16
7
+24V
24G
+24V
1
9
2
+24V
24G
24G
3
10
11
IN01
GND
4
12
TXD+
TXD-
RXD+
1
5
2
RXD-
EMG
GND
6
3
4
ILK1
ILK2
7
8
GND
GND
1
8
GND
9
GND
16
+24V IN
+24V IN
2
7
+24V IN
10
+24V IN
15
RXD+
RXD-
TXD+
11
12
3
TXD-
EMG
GND
4
6
13
ILK1
ILK2
5
14
RMFEV-P(2517) AWG25/4P+AWG30/4C
AMP
HEAD2PWA02
177903-1
9
8
7
6
5
4
3
2
1
MOLEX
CN10K302
43025-0600
6
3
5
2
4
1
JST
IO2 (K302)
PAP-03V-S
3
2
1
MOLEX
CN2K350
43025-0800
8
7
4
3
6
2
5
1
MOLEX
CN1K350
43025-1600
7
16
8
15
14
6
13
5
12
4
11
10
3
2
9
1
JAE
CN1A12
DM1R016PA1
14
5
13
6
4
3
12
11
15
10
7
2
16
9
8
1
BU
UL#24 80/300-0.2mm2
BU
UL#24 80/300-0.2mm2
2464C(BPF)VSVP AWG#24×4P-B
BK/WH
BK
RD/WH
RD
GN/WH
GN
YE/WH
YE
RMFEV-A(2517) AWG25-10C
Note1) Connector pin arrangement is not sequential.
Note1)
Note1) Note1)
Note1)
1
Panasonic Factory Solutions Co.,Ltd. パナソニック ファクトリーソリューションズ株式会社
Name
Drawing No.
Loc. No.
F4K1020-05A
1
2 3 4 5 6 7 8
A
B
C
D
E
F
1 2 3 4 5 6 7 8
A
B
C
D
E
F
Page. No.
XY UNIT : NPM-D3
(Head 2 Wiring)
N610157814+011AC
P011
2464-1061/ⅡA-SBX(PF) LF 4P×24AWG
2
2

LED Lighting #2
Area Camera
-E002 -K350
PPE0AA #2
LED controller #2
CN1
CN5
CN3
CN4
CH3_A
CH3_K
5V
GND
CH3_TEMP
CH4_A
CH4_K
5V
GND
CH4_TEMP
F.G
F.G
CH1_A
CH1_K
5V
1
6
2
GND
CH1_TEMP
CH2_A
7
3
4
CH2_K
5V
GND
8
9
5
CH2_TEMP
10
GND
SENSE
24V
1
2
3
OUT
4
CH1_A
CH1_K
CH2_A
1
5
4
CH2_K
CH3_A
CH3_K
8
3
7
CH4_A
CH4_K
F.G
2
6
9
1
7
2
8
3
4
9
10
5
11
6
12
MOLEX
CN3K350
43025-1000
1
6
2
7
3
4
8
9
5
10
MOLEX
CN4K350
43025-1200
1
7
2
8
3
4
9
10
5
11
6
12
MOLEX
CN5
43025-0400
4
3
2
1
MOLEX
CN1E002
43645-0900
9
6
2
7
3
8
4
5
1
Height Sensor
(Option)
N610112848** : Height Sensor:NPM-D
LASER
SENSOR
-B1G00T
IA-030SO(50206)
KEYENCE
24 V
OUT
0V
IN1
IN2
-B1G00
IA-1000SO(50205)
BN
BK
BU
PK
VT
KEYENCE
2464C(BPF)VSVP AWG#24×4P-B
BK/WH
BK
RD/WH
RD
GN/WH
GN
YE/WH
YE
N610157816AC
N610125990AA
Note1) Connector pin arrangement is not sequential.
Note1)
Note1)
Note1)
1
Panasonic Factory Solutions Co.,Ltd. パナソニック ファクトリーソリューションズ株式会社
Name
Drawing No.
Loc. No.
F4K1020-05A
1
2 3 4 5 6 7 8
A
B
C
D
E
F
1 2 3 4 5 6 7 8
A
B
C
D
E
F
Page. No.
XY UNIT : NPM-D3
(Led Lighting 2 Wiring)
N610157814+012AC
P012
2464-1061/ⅡA-SBX(PF) LF 4P×24AWG
2
2