NPM-D电路.pdf - 第61页
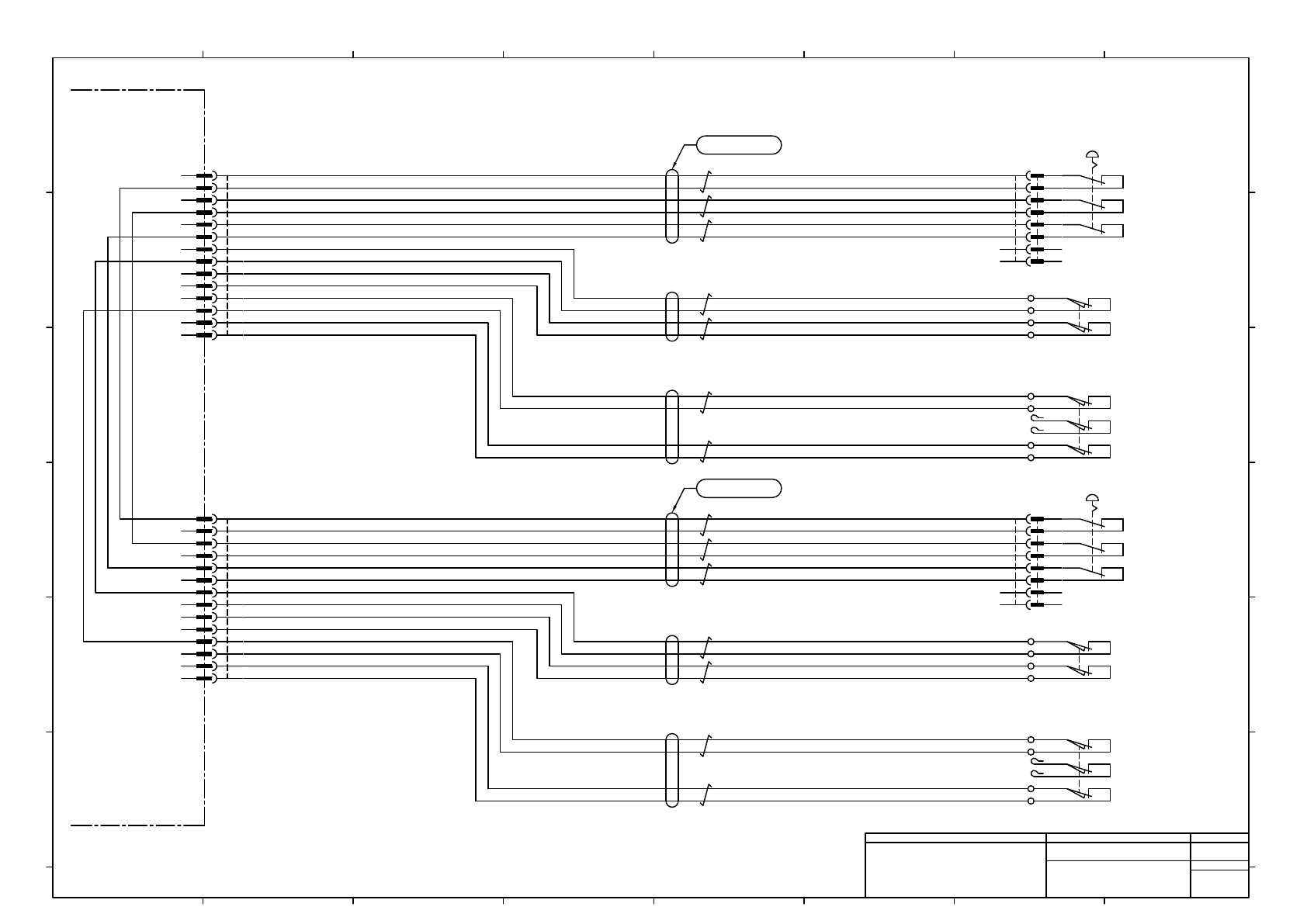
-A02 Power Unit 1 CNFDCVFP 1 2 3 4 5 6 7 8 9 10 11 12 CNFDCVRP 1 2 3 4 5 6 7 8 9 10 11 12 24GND IN105 24GND IN106 CHECK1 CHECK2 CHECK3 CHECK4 CHECK1 CHECK3 CHECK2 CHECK4 RD RD/WH BK BK/WH GN GN/WH YE YE/WH BN BN/WH BU BU…

-A02
Power Unit 1
Front EMG Switch
Rear EMG Switch
-S201
XW1E-BV403VR-BC-TK2377
11 12
21 22
31 32
IDEC
-S202
XW1E-BV403VR-BC-TK2377
11 12
21 22
31 32
IDEC
N610159586AD
CNEMGF
1
2
3
4
5
6
7
8
9
10
11
12
13
14
N610159587AD
IN017
24GND
IN010
CHECK1
CHECK2
CNEMGR
1
2
3
4
5
6
7
8
9
10
11
12
13
14
CHECK3
CHECK4
IN014
24GND
24GND
CHECK1
CHECK2
CHECK3
IN011
24GND
IN015
24GND
CHECK4
MOLEX
CNEMGF
5557-14R-210
1
2
3
4
5
6
7
8
9
10
11
12
13
14
MOLEX
CNEMGR
5557-14R-210
1
2
3
4
5
6
7
8
9
10
11
12
13
14
AMP
S201R
1-1318119-4
B1
A1
B2
A2
B3
A3
B4
A4
AMP
S201P
1376009-1
B1
A1
B2
A2
B3
A3
B4
A4
AMP
S202R
1-1318119-4
B1
A1
B2
A2
B3
A3
B4
A4
AMP
S202P
1376009-1
B1
A1
B2
A2
B3
A3
B4
A4
Safety Cover Switch 1(F)
-S301
11 12
21 22
11S301
N0.5-3
JST
12S301
21S301
22S301
32S303
31S303
12S303
11S303
N0.5-3.7
JST
32 31
22 21
12 11
-S303
Safety Cover Switch 3
(F Hinge Type)
IDEC
HS5D-02RNP
D4NH-1DBC
OMRON
Safety Cover Switch 2(R)
-S302
11 12
21 22
11S302
N0.5-3
JST
12S302
21S302
22S302
32S304
31S304
12S304
11S304
N0.5-3.7
JST
32 31
22 21
12 11
-S304
Safety Cover Switch 4
(R Hinge Type)
IDEC
HS5D-02RNP
D4NH-1DBC
OMRON
Note1) Connector Pin arrangement is not sequential.
Note1)
Note1)
BK/WH
BK
RD/WH
RD
2464C(BPF)VVP AWG#22×2P-B
BK/WH
BK
RD/WH
RD
2464C(BPF)VVP AWG#22×2P-B
BK/WH
BK
RD/WH
RD
2464C(BPF)VVP AWG#22×2P-B
BK/WH
BK
RD/WH
RD
2464C(BPF)VVP AWG#22×2P-B
2464C(BPF)VVP AWG#22×3P-B
GN/WH
GN
BK/WH
BK
RD/WH
RD
2464C(BPF)VVP AWG#22×3P-B
GN/WH
GN
BK/WH
BK
RD/WH
RD
1
1
2464-1061/ⅡA(PF) LF 2P×22AWG
2
2
2
2464-1061/ⅡA(PF) LF 2P×22AWG
2
2464-1061/ⅡA(PF) LF 2P×22AWG
2
2464-1061/ⅡA(PF) LF 2P×22AWG
2
2464-1061/ⅡA(PF) LF 3P×22AWG
2
2464-1061/ⅡA(PF) LF 3P×22AWG
2
Panasonic Factory Solutions Co.,Ltd. パナソニック ファクトリーソリューションズ株式会社
Name
Drawing No.
Loc. No.
F4K1020-05A
1
2 3 4 5 6 7 8
A
B
C
D
E
F
1 2 3 4 5 6 7 8
A
B
C
D
E
F
Page. No.
Main Body Wiring : NPM-D3
(Safety Switch)
N610159580+011AD
P011
3
3

-A02
Power Unit 1
CNFDCVFP
1
2
3
4
5
6
7
8
9
10
11
12
CNFDCVRP
1
2
3
4
5
6
7
8
9
10
11
12
24GND
IN105
24GND
IN106
CHECK1
CHECK2
CHECK3
CHECK4
CHECK1
CHECK3
CHECK2
CHECK4
RD
RD/WH
BK
BK/WH
GN
GN/WH
YE
YE/WH
BN
BN/WH
BU
BU/WH
2464C(BPF)VVP AWG#24×6P-B
RD
RD/WH
BK
BK/WH
GN
GN/WH
YE
YE/WH
BN
BN/WH
BU
BU/WH
2464C(BPF)VVP AWG#24×6P-B
N610159605AD
N610159607AD
OG/WH
OG
BR/WH
BR
BU/WH
BU
-S401
HS6B-03B01-TK2227
IDEC
11 12
21 22
31 32
-S402
HS6B-03B01-TK2227
IDEC
11 12
21 22
31 32
-S403
HS6B-03B01-TK2227
IDEC
11 12
21 22
31 32
-S404
HS6B-03B01-TK2227
IDEC
11 12
21 22
31 32
Feeder Safety Cover Switch 1
Feeder Safety Cover Switch 2
Feeder Safety Cover Switch 3
Feeder Safety Cover Switch 4
MOLEX
CNFDCVFR
43025-1200
1
2
3
4
5
6
7
8
9
10
11
12
MOLEX
CNFDCVRR
43025-1200
1
2
3
4
5
6
7
8
9
10
11
12
MOLEX
FDCVFP
43020-1200
12
11
10
9
8
7
6
5
4
3
2
1
MOLEX
FDCVRP
43020-1200
12
11
10
9
8
7
6
5
4
3
2
1
MOLEX
CNFDCVFR
5557-12R-210
1
2
3
4
5
6
7
8
9
10
11
12
MOLEX
CNFDCVRR
5557-12R-210
1
2
3
4
5
6
7
8
9
10
11
12
OG/WH
OG
BR/WH
BR
BU/WH
BU
OG/WH
OG
BR/WH
BR
BU/WH
BU
OG/WH
OG
BR/WH
BR
BU/WH
BU
1
2464-1061/ⅡA(PF) LF 6P×24AWG
2
2
2464-1061/ⅡA(PF) LF 6P×24AWG
2
2
3
3
Panasonic Factory Solutions Co.,Ltd. パナソニック ファクトリーソリューションズ株式会社
Name
Drawing No.
Loc. No.
F4K1020-05A
1
2 3 4 5 6 7 8
A
B
C
D
E
F
1 2 3 4 5 6 7 8
A
B
C
D
E
F
Page. No.
Main Body Wiring : NPM-D3
(Feeder Cover Wiring)
N610159580+012AD
P012

CPU Board
-K301
HTPE0841-D8
PFU
-A01
CPU Box
CRT
-K328
PNF0A5
COM1
CN1
CN4
FGA01
CN1
Panel Control Board
CN7
R2-4
JST
N510065908AA
N610159654AC
N610159655AC
ANALOG_RED
ANALOG_GREEN
ANALOG_BLUE
ANALOG_GND
ANALOG_HORZ_SYNC
DDC DATA_A
ANALOG_VERT_SYNC
DDC CLOCK_A
POWER +5V
HOT_PLUG_DETECT
GND(+5V)
ANALOG_RED
ANALOG_GREEN
ANALOG_BLUE
GND
ANALOG_HORZ_SYNC
DDC DATA_A
ANALOG_VERT_SYNC
DDC CLOCK_A
POWER +5V
GND
GND
GND
GND
N.C
TXD
GND
N.C
RTS
CTS
N.C
RXD
N.C
1
3
5
6
7
8
9
2
4
FG
GND
+12V
GND
+12V
FG
1
3
5
6
2
4
TMDS_DATA 2-
TMDS_DATA 2+
TMDS_DATA 2 /4 SHIELD
TMDS_DATA 4-
TMDS_DATA 4+
TMDS_DATA 1-
TMDS_DATA 1+
TMDS_DATA 1/3 SHIELD
TMDS_DATA 0-
TMDS_DATA 0+
TMDS_DATA 0/5 SHIELD
TMDS_CLOCK SHIELD
TMDS_CLOCK+
TMDS_CLOCK-
COM1_DCD
COM1_RXD
COM1_TXD
1
2
3
COM1_DTR
GND
COM1_DSR
COM1_RTS
COM1_CTS
4
5
6
7
8
COM1_RI
9
+12V
GND
+12V
3
1
6
GND
N.C
N.C
4
2
5
YE
OG
VT
RD
WH
GY
BU
RD
GN
DVI A DB15 CABLE L=0.9M TAK
BK/WH
BK
RD/WH
RD
MOLEX
CN1A01
5557-06R-210
5
2
4
6
1
3
MOLEX
CN7K328
5557-06R-210
6
5
4
3
2
1
JAE
CN4K328
DEU-9SF-F0
9
8
7
6
5
4
3
2
1
CRTK301
C1
C2
C3
C5
C4
7
8
6
14
16
15
1
2
3
4
5
9
10
11
17
18
19
22
23
24
CN1K328
11
4
10
5
9
15
14
12
13
8
3
7
2
6
1
4
3
2
1
15
16
14
6
8
7
C4
C5
C3
C2
C1
24
23
22
19
18
17
11
10
9
5
JAE
COM1K301
DEU-9SF-F0
9
8
7
6
5
4
3
2
1
1
6
2
7
3
8
13
12
14
15
9
5
10
4
11
2464C(BPF)VSVP AWG#20×2P-B
GN/WH
GN
BK/WH
BK
RD/WH
RD
2464C(BPF)VSVP AWG#24×3P-B
Note1) Connector Pin arrangement is not sequential.
Note1)
Note1)
Note1)
1
1
2464-1061/ⅡA-SBX(PF) LF 3P×24AWG
2
2
2
2464-1061/ⅡA-SBX(PF) LF 2P×20AWG
2
3
NEC
NBC-JC155X-D7
Panasonic Smart Factory Solutions Co.,Ltd. パナソニック スマートファクトリーソリューションズ株式会社
Name
Drawing No.
Loc. No.
F4K1020-05A
1
2 3 4 5 6 7 8
A
B
C
D
E
F
1 2 3 4 5 6 7 8
A
B
C
D
E
F
Page. No.
Main Body Wiring : NPM-D3
(Touch Panel Wiring 1)
N610159580+013AD
P013