NPM-D电路.pdf - 第38页
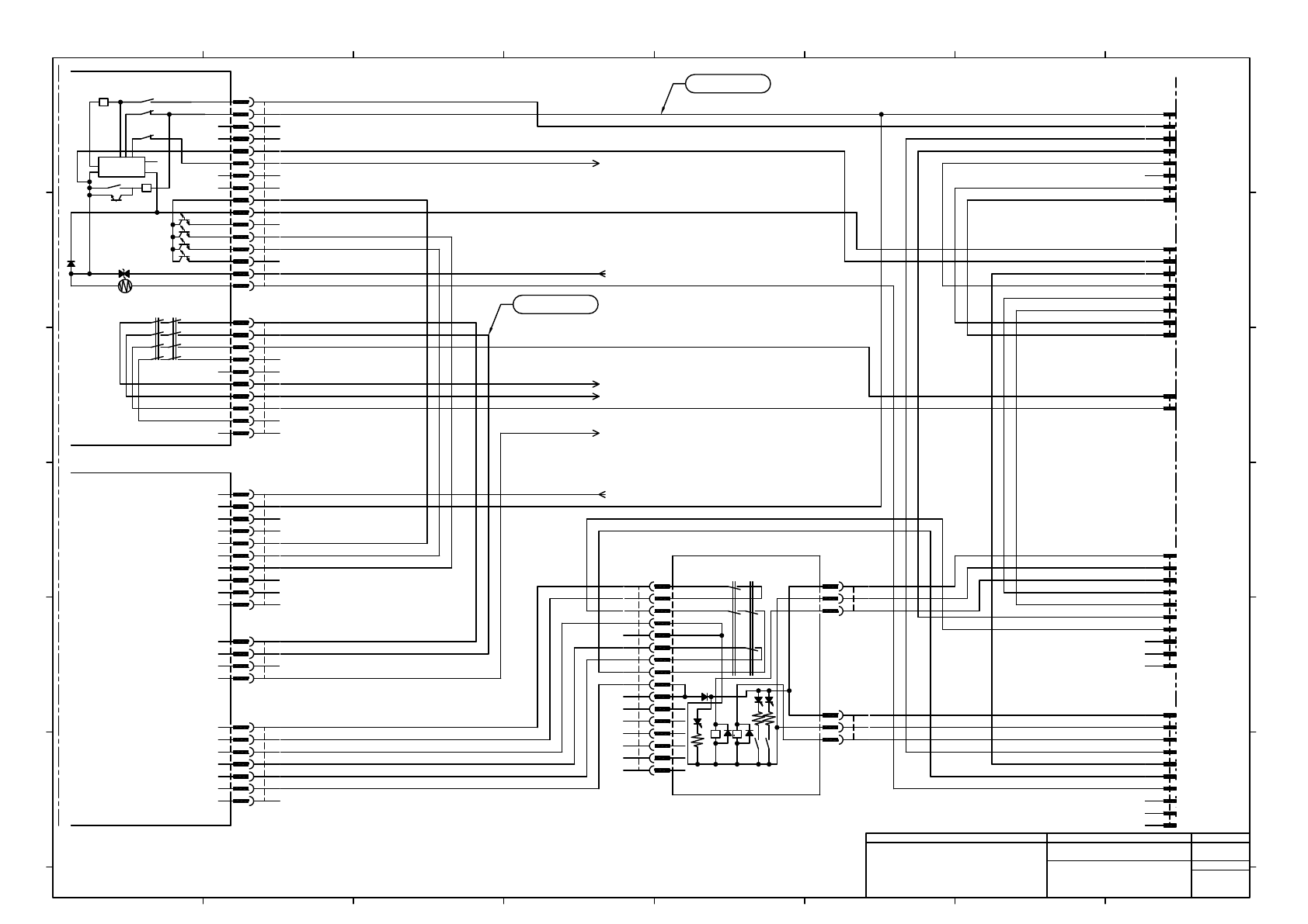
From SC1P (P010-8A) To Emagency Switch & Safety Switch(Front) -K321 PNF0B4 ILK Board #1 CNEMGCOV IN017 24GND 24GND 24GND 24GND 24GND IN010 24VOUT 24VGND IN011 24VOUT OT012 24VGND IN014 IN015 NC 1 2 3 4 5 6 7 8 9 10 1…

-K121
G9SC-400-CNP4E
OMRON
CN1
1
2
3
4
5
6
7
8
9
10
11
12
13
14
15
16
T22
T12/T31
NC
NC
T21
T32
NC
NC
COM
T11
2
1
4
3
A2
A1
CN2
1
2
3
4
5
6
7
8
9
10
13
23
33
43
NC
14
24
34
44
NC
-K321
PNF0B4
Safety Relay
-K122
G9SC-PF
OMRON
CN1
1
2
3
4
5
6
7
8
9
10
11
12
13
14
15
16
K1OUT
K1OUT
K1K2OUT
GND
GND
K2OUT
K2OUT
K1K2OUT
P24
P24
P24
G24
RL1
CN2
P24
G24
RL2
CN3
Safety Connection
CNRLY1
1
2
3
4
5
6
7
24GND
IN020
24GND
24GND
IN021
24VOUT
24GND
K2 K1
K2
K2
Control
Circuit
K2
K1
K1
SA
TH
a
a
K1
CNSR1
1
2
3
4
5
6
7
8
9
10
OT026NO(RESET)
OT026COM(RESET)
OT011NO
OT011COM
24VOUT
IN026
IN027
NC
24VOUT
24GND
To
SC1R
(P011-2D)
CNMC1
1
2
3
4
OT027(24VOUT)POWER ON1
OT027(24VOUT)POWER ON2
24VOUT
24GND
BU UL#22 80/300-0.3mm2
To
Extension
Conveyor
(Left)
To
Extension
Conveyor
(Right)
1
2
3
1
2
3
To
SC2R
(P013-1D)
UL#22 80/300-0.3mm2 BU
ILK Board #1
1
2
3
MOLEX
SC1P
5559-08P-210
4
5
6
7
8
1
2
3
MOLEX
SC2P
5559-08P-210
4
5
6
7
8
1
2
3
AMP
CN2K122
177899-1
1
2
3
AMP
CN3K122
177899-1
1
2
3
MOLEX
CN1K122
43025-1600
4
5
6
7
8
9
10
11
12
13
14
15
16
1
2
3
JST
CNRLY1K321
PAP-07V-S
4
5
6
7
1
2
3
MOLEX
CNMC1K321
5557-04R-210
4
10
9
8
7
6
5
4
MOLEX
CNSR1K321
5557-10R-210
3
2
1
10
9
8
7
6
5
4
JST
CN2K121
XHP-10
3
2
1
16
15
14
13
12
11
10
9
8
7
6
5
4
OMRON
CN1K121
XG5N-161-U
3
2
1
UL#22 80/300-0.3mm2 BU
UL#22 80/300-0.3mm2 BU
N610159570AC
UL#22 80/300-0.3mm2 BU
UL#22 80/300-0.3mm2 BU
UL#22 80/300-0.3mm2 BU
UL#22 80/300-0.3mm2 BU
UL#22 80/300-0.3mm2 BU
UL#22 80/300-0.3mm2 BU
UL#22 80/300-0.3mm2 BU
UL#22 80/300-0.3mm2 BU
UL#22 80/300-0.3mm2 BU
UL#22 80/300-0.3mm2 BU
BU
UL#22 80/300-0.3mm2
UL#22 80/300-0.3mm2 BU
BU UL#22 80/300-0.3mm2
UL#22 80/300-0.3mm2 BU
BU UL#22 80/300-0.3mm2
BU
UL#22 80/300-0.3mm2
UL#22 80/300-0.3mm2 BU
BU UL#22 80/300-0.3mm2
BU
UL#22 80/300-0.3mm2
UL#22 80/300-0.3mm2 BU
BU
UL#22 80/300-0.3mm2
UL#22 80/300-0.3mm2 BU
MOLEX
TRAY.E
5559-02P-210
2
1
UL#22 80/300-0.3mm2 BU
BU UL#22 80/300-0.3mm2
K2K1
K1 K2
K1 K2
CN1K121-6
P005-2C
CN2K121-6
P005-2D
CN2K121-7
P005-2D
CNMC1K321-4
P005-2D
To
Tray Unit
(-A51)
(Rear)
CNSR1K321-1 P005-7C
UL#22 80/300-0.3mm2 BU
UL#22 80/300-0.3mm2 BU
UL#22 80/300-0.3mm2 BU
UL#22 80/300-0.3mm2 BU
UL#22 80/300-0.3mm2 BU
BU
UL#22 80/300-0.3mm2
BU
UL#22 80/300-0.3mm2
BU
UL#22 80/300-0.3mm2
BU UL#22 80/300-0.3mm2
BU
UL#22 80/300-0.3mm2
-VaT122 P008-5E
N610159637AB
UL#22 80/300-0.3mm2 BU
UL#22 80/300-0.3mm2 BU
MOLEX
CNEXR01
5559-10P-210
10
9
8
7
6
5
4
3
2
1
MOLEX
CNEXL01
5559-10P-210
10
9
8
7
6
5
4
3
2
1
5559-08P-210
1
5559-08P-210
1
1
1 2
3
Panasonic Factory Solutions Co.,Ltd. パナソニック ファクトリーソリューションズ株式会社
Name
Drawing No.
Loc. No.
F4K1020-05A
1
2 3 4 5 6 7 8
A
B
C
D
E
F
1 2 3 4 5 6 7 8
A
B
C
D
E
F
Page. No.
Power Unit 1 Wiring:NPM-D3
(Safety Relay)
N610161320+010AD
P010

From SC1P (P010-8A)
To
Emagency
Switch &
Safety
Switch(Front)
-K321
PNF0B4
ILK Board #1
CNEMGCOV
IN017
24GND
24GND
24GND
24GND
24GND
IN010
24VOUT
24VGND
IN011
24VOUT
OT012
24VGND
IN014
IN015
NC
1
2
3
4
5
6
7
8
9
10
11
12
13
14
15
16
17
18
18
17
16
15
14
13
12
11
10
9
8
7
6
5
4
JST
CNEMGCOVK321
PUDP-18V-S
3
2
1
1
2
3
MOLEX
SC1R
5557-08R-210
4
5
6
7
8
1
2
3
MOLEX
CNEMGF
5559-14P-210
4
5
6
7
8
9
10
11
12
13
14
1
2
3
MOLEX
CNEMGR
5559-14P-210
4
5
6
7
8
9
10
11
12
13
14
N610159571AB
UL#22 80/300-0.3mm2 BU
UL#22 80/300-0.3mm2 BU
UL#22 80/300-0.3mm2 BU
UL#22 80/300-0.3mm2 BU
UL#22 80/300-0.3mm2 BU
UL#22 80/300-0.3mm2 BU
UL#22 80/300-0.3mm2 BU
UL#22 80/300-0.3mm2 BU
UL#22 80/300-0.3mm2 BU
UL#22 80/300-0.3mm2 BU
UL#22 80/300-0.3mm2 BU
UL#22 80/300-0.3mm2 BU
UL#22 80/300-0.3mm2 BU
UL#22 80/300-0.3mm2 BU
UL#22 80/300-0.3mm2 BU
UL#22 80/300-0.3mm2 BU
UL#22 80/300-0.3mm2 BU
UL#22 80/300-0.3mm2 BU
UL#22 80/300-0.3mm2 BU
UL#22 80/300-0.3mm2 BU
UL#22 80/300-0.3mm2 BU
UL#22 80/300-0.3mm2 BU
UL#22 80/300-0.3mm2 BU
To
Emagency
Switch &
Safety
Switch(Rear)
+VaT122 P008-5E
Panasonic Factory Solutions Co.,Ltd. パナソニック ファクトリーソリューションズ株式会社
Name
Drawing No.
Loc. No.
F4K1020-05A
1
2 3 4 5 6 7 8
A
B
C
D
E
F
1 2 3 4 5 6 7 8
A
B
C
D
E
F
Page. No.
Power Unit 1 Wiring:NPM-D3
(Safety SW)
N610161320+011AB
P011
1

-K321
PNF0B4
ILK Board #1
CN-CART
1
2
3
4
5
6
7
8
9
10
11
12
13
14
15
16
17
18
19
20
21
22
23
24
25
26
27
28
TXD1+
TXD1-
RXD1+
RXD1-
GND
IN110
IN044
SVONSW1
24VOUT
NC
NC
NC
24GND
24GND
TXD2+
TXD2-
RXD2+
RXD2-
GND
IN111
IN045
SVONSW2
24VOUT
NC
NC
NC
24GND
24GND
For
Cart Unit
(-A31)
(Front)
For
Cart Unit
(-A32)
Tray Unit
(-A51)
(Rear)
FK2-4
JST
1aF127 2aF127
FK2-4
JST
-F127
CP30FI-1P010
(10A)
Fuji Electric FA Components & Systems
-F126
CP30FI-1P010
(10A)
Fuji Electric FA Components & Systems
2aF126
FK2-4
JST
FK2-4
JST
1aF126
1bF126
JST
CN-CARTK321
PUDP-28V-S
25
26
27
28
1
2
3
4
5
6
7
8
9
10
11
12
13
14
15
16
17
18
19
20
21
22
23
24
UL#22 80/300-0.3mm2 BU
UL#18 80/300-0.75mm2 BU
BU
UL#18 80/300-0.75mm2
UL#18 80/300-0.75mm2 BU
BU UL#18 80/300-0.75mm2
UL#16 80/300-1.25mm2 BU UL#18 80/300-0.75mm2 BU
BU
UL#18 80/300-0.75mm2
UL#18 80/300-0.75mm2 BU
BU
UL#18 80/300-0.75mm2
MOLEX
CART2
5559-16P-210
16
15
14
13
12
11
10
9
8
7
6
5
4
3
2
1
R1.25-4
JST
FGCART1
BK UL#18 80/300-0.75mm2
R1.25-4
JST
FGCART2
BK UL#18 80/300-0.75mm2
UL#14 105/600-2.0mm2 BU
+V2bT121 P008-3C
-V2bT121 P008-3D
-V4bT121 P008-3D
CARTR1-8 P008-5E
BU
UL#22 80/300-0.3mm2
BU
UL#22 80/300-0.3mm2
UL#22 80/300-0.3mm2 BU
UL#22 80/300-0.3mm2 BU
UL#22 80/300-0.3mm2 BU
UL#22 80/300-0.3mm2 BU
UL#22 80/300-0.3mm2 BU
UL#22 80/300-0.3mm2 BU
UL#22 80/300-0.3mm2 BU
UL#22 80/300-0.3mm2 BU
UL#22 80/300-0.3mm2 BU
UL#22 80/300-0.3mm2 BU
UL#22 80/300-0.3mm2 BU
UL#22 80/300-0.3mm2 BU
UL#22 80/300-0.3mm2 BU
UL#22 80/300-0.3mm2 BU
UL#22 80/300-0.3mm2 BU
EXTOT1
OT035(ILK OUT EMG #1)
1
2
3
4
5
6
7
8
9
11
12
13
14
15
16
17
18
19
10
20
21
22
OT036(ILK OUT COV #2)
1
2
3
JST
EXTOT1K321
PUDP-22V-S
4
5
6
7
8
9
10
11
12
13
14
15
16
17
18
19
20
21
22
24VOUT
OT030
OT031
OT032
OT033
OT034
OT037
24VOUT
24VOUT
24GND
OT035COM(ILK OUT EMG #1)
OT036COM(ILK OUT COV #2)
OT030COM
OT031COM
OT032COM
OT033COM
OT034COM
OT037COM
24VOUT
24GND
N610159572AB
N610159573AD
UL#22 80/300-0.3mm2 BU
UL#22 80/300-0.3mm2 BU
UL#22 80/300-0.3mm2 BU
UL#22 80/300-0.3mm2 BU
N610159621AC
CARTF1-8 P008-5E
MOLEX
1EMGCOVR
5557-06R-210
6
5
4
3
2
1
To
Power Unit 2
MOLEX
SF24VR
5557-04R-210
4
3
2
1
1EMGCOVP
1
2
3
4
SF24VP
1
2
5
6
3
4
N610159628AB
5559-14P-210
MOLEX
CART1
5559-16P-210
16
15
14
13
12
11
10
9
8
7
6
5
4
3
2
1
1
1
1
1
1
2 2 3
3
4
4
Panasonic Factory Solutions Co.,Ltd. パナソニック ファクトリーソリューションズ株式会社
Name
Drawing No.
Loc. No.
F4K1020-05A
1
2 3 4 5 6 7 8
A
B
C
D
E
F
1 2 3 4 5 6 7 8
A
B
C
D
E
F
Page. No.
Power Unit 1 Wiring:NPM-D3
(Cart I/F)
N610161320+012AE
P012