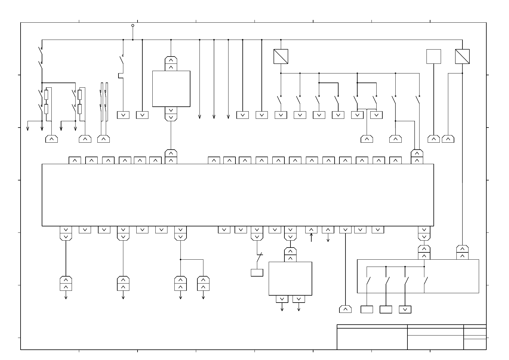
NPM-D电路.pdf - 第29页
-K321 PNF0B4 ILK Board #1 CNX1 CN-FANA CNTM-UP CNEXL-M/S CNEXR-M/S CNHOUR Safety Connection G9SC-PF CNEMGCOV To Transportation Opening Sensor (RX) OPT1 CNMC2 -X111 3~200V CN1 CNX2 -T121 AC200 DC24 CNTL (TX) OPT2 CNMC3,4,…

-K321
PNF0B4
ILK Board #1
CNX1
CN-FANA
CNTM-UP
CNEXL-M/S CNEXR-M/S
CNHOUR
Safety
Connection
G9SC-PF
CNEMGCOV
To Transportation Opening Sensor
(RX)
OPT1
CNMC2
-X111
3~200V
CN1
CNX2
-T121
AC200
DC24
CNTL
(TX)
OPT2
CNMC3,4,5
CNSR1
-K122
CN2 CN3
CN1
CN00,CN01
CNAIR
CNPATO CNVLB
Pump
CART1
CART2
HEAD1PW LC1,LC2
-K223
To
Pump
Cooling
Fan
CHIP1,2 CHNG1,2
CNRLY1
-T122
AC200
DC24
CN-PWRM
-K223
CNPLED
CN-FAN,B,C
EXTOT2
CN1,5,6,7
CNTR1,2
CNUP1,2
CN3D
CN-CART
CNDU-P/S
CN-LED
CNDAM1,2
CNSRV
CNFDCOV
CNMC1
HEAD2PW
-K332
-K221
-K222
PNF0AN
Power Failure Sub
Board
-F129 -F127
CN24V
Safety Relay
-K121
CN1
CN2
-K221
-K222
To Rear
Tray EMG
NCIO
CN7
ILK#2
OPT1
LCVL
To
Inspection
Cart(Front)
To
Main Air
Valve
G9SC-400-CNP4E
To
CPU
Box
CNTM1,2
EXTOT1
CNEMGF/R
To
EMG SW
Safety Cover
(Front/Rear)
CNFDCVFP/RP
To
Feeder Cover
(Front/Rear)
CART1
CARTR2
To
Cart Unit
(Front)
To
Cart Unit
(Rear)
To
Tray
Feeder
(Rear)
-K223
-F122
-F124 -F123 -F126
-F125
To
Option
-F128
To
Servo
Driver4
-G103
1G103R 1T122R
DC Fan
1
To Power Unit2
1EMGCOVR
To Power Unit2
1CN24VR
To Power Unit2
SF24VR
To Power Unit2
1
1EXTOT1R
To Power Unit2
-K233
-K234
-K231
-K232
1CN2K131R
To Power Unit2
To Power Unit2
3 4
To Servo Driver
1 2
To Servo Driver
1CN2K132R
1
-K231
-K232
-K233
-K234
Panasonic Factory Solutions Co.,Ltd. パナソニック ファクトリーソリューションズ株式会社
Name
Drawing No.
Loc. No.
F4K1020-05A
1
2 3 4 5 6 7 8
A
B
C
D
E
F
1 2 3 4 5 6 7 8
A
B
C
D
E
F
Page. No.
Power Unit 1 Wiring:NPM-D3
(Block Diagram)
N610161320+002AB
P002

AC
INPUT
UL#16 105/600-1.25mm2 BK
BK
UL#16 105/600-1.25mm2
UL#16 105/600-1.25mm2 BK
UL#16 105/600-1.25mm2 GN/YE
For
Option
From
-V01
From
-X001
N610159614AC
AMP
A2
1-179553-4
4
3
2
1
MOLEX
A1
51300-0414
B2
B1
A2
A1
N610159618AB
N610159616AC
For
Inspection
Cart(Front)
To Pump
Cooling Fan
G111
489-086-L10
Sanyo Denki
EG111
R2-4
JST
N610159617AB
UL#16 105/600-1.25mm2 GN/YE
(1.0mm2-3C)
1
W
CPUAC
BN
BU
GN/YE
To
CPU Box
-X111
TB-X111(Y002610)
PHOENIX CONTACT
L112
L212
L312
L113
L213
L313
L112
L212
L312
L113
L213
L313
L31 L31
L31 L31
L31 L31
L31 L31
L31 L31
L21 L21
L21 L21
L21 L21
L21 L21
L11 L11
L11 L11
L11 L11
L11 L11
L112a1X1
L113a1X1
L212a1X1
L213a1X1
L312a1X1
L313a1X1
Ea3X1
Ea5X1
To
Main Air Valve
STO(A)/TC LF 2×18AWG
BK
WH
1R
AI1-6RD
Phoenix Contact
2R
For Rear
Tray Feeder
N610159619AC
R2-4
JST
FGTRAY.PR
R2-4
JST
FG1TRAY.PR
A1
A2
B1
MOLEX
TRAY.PR
51300-0414
B2
ER5001
L11a2X1
AI1.5-10BK
PHOENIX CONTACT
L21a2X1
L31a2X1
L11c1X1
L21c1X1
L31a3X1
L21a3X1
L11a3X1
L11b2X1
L21b2X1
L31b2X1
L11c2X1
L21c2X1
L31c3X1
L21b3X1
L31b3X1
L21c3X1
L11b3X1
L11c4X1
L11b4X1
L31c2X1
L31b4X1
L31c5X1
L31b5X1
L11c3X1
L21b4X1
L21c4X1
L31c1X1
L31c4X1
L112b1X1
L212b1X1
L312b1X1
L112c1X1
L212c1X1
L312c1X1
L113b1X1
L213b1X1
L313b1X1
L113c1X1
L213c1X1
L313c1X1
Eb5X1
Ec5X1
Eb6X1
Ec6X1
Eb2X1
Ec1X1
Eb3X1
Ec2X1
Ec3X1
Eb4X1
N610159615AB
L11a2X1
P007-1B
L21a2X1
P007-1B
L31a2X1
P007-1B
Ea3X1
P007-6B
L11c1X1
P007-1D
L11b3X1
P004-2B
L11c3X1
P004-2D
L11b4X1
P004-2C
L11c4X1
P004-2E
L21c1X1
P007-1D
L31c1X1
P007-1D
L31b4X1
P004-2A
L31c4X1
P004-2D
L31b5X1
P004-2C
L31c5X1
P004-2E
L112b1X1
P004-2B
L112c1X1
P004-2C
L113b1X1
P004-2E
L113c1X1
P004-2D
L212b1X1
P004-2B
L212c1X1
P004-2C
L213b1X1
P004-2E
L213c1X1
P004-2D
L312b1X1
P004-2B
L312c1X1
P004-2C
L313b1X1
P004-2E
L313c1X1
P004-2D
Eb5X1
P007-1D
Eb3X1
P004-2B
Ec2X1
P004-2C
Eb4X1
P004-2E
Ec4X1
P004-2D
L11a3X1
P005-2C
L21a3X1
P005-2C
L31a3X1
P005-2C
2aK232 P006-8B
2aK234 P006-8B
4aK232 P006-8B
4aK234 P006-8B
6aK232 P006-8B
6aK234 P006-8C
UL#18 105/600-0.75mm2 GN/YE
BK
UL#16 105/600-1.25mm2
UL#16 105/600-1.25mm2 BK
UL#16 105/600-1.25mm2 GN/YE
UL#16 105/600-1.25mm2 GN/YE
BK
UL#16 105/600-1.25mm2
L11c2X1
P008-1C
L21c4X1
P008-1C
Eb6X1
P008-1C
Ec6X1
P008-1E
FGT122
P008-1F
5
4
FK5.5-S4
JST
6
R5.5-4
JST
UL#12 105/600-3.5mm2
BK
UL#12 105/600-3.5mm2
BK
UL#12 105/600-3.5mm2
BK
UL#12 105/600-3.5mm2
GN/YE
N610159583AC
R2-4
JST
FGT122
BK2
BK1
GN/YE
UE/2501E-SBX(N)[Y/G] Black LF 3×16AWG
BK2
BK1
GN/YE
UE/2501E-SBX(N)[Y/G] Black LF 3×16AWG
R2-4
JST
FGA1
R2-4
JST
FG1A1
Ea6X1
L31a4X1
L21a4X1
L11a4X1
Eb1X1
Ec4X1
Ea1X1
1
1
1
1
1
1
1
1
1
1
1
2
Ea2X1
1
Ea4X1
2
L11b1X1
AI4-10GY
PHOENIX CONTACT
L11a1X1
L21a1X1
L31a1X1
2
2
2
L21b1X1
L31b1X1
2
5.5-S4
2
2
2
TB-X111(F000038)
2
2
Panasonic Factory Solutions Co.,Ltd. パナソニック ファクトリーソリューションズ株式会社
Name
Drawing No.
Loc. No.
F4K1020-05A
1
2 3 4 5 6 7 8
A
B
C
D
E
F
1 2 3 4 5 6 7 8
A
B
C
D
E
F
Page. No.
Power Unit 1 Wiring:NPM-D3
(AC200V Input)
N610161320+003AD
P003
5.5-4
3