NPM-D电路.pdf - 第215页
-K301 PNF0AT Tray control board -A05 Tray control unit FAN-ALM 1 2 3 4 /FAN-ALM N.C +24V 24G OUT1 OP0 +24 V 4 3 2 1 43025-0400 FAN-ALM MOLEX BK BK/WH RD 1 2 3 177899-1 ALM-R AMP 3 2 177907-1 ALM-P AMP 1 8 16 8 16 7 15 6 …

-K301
PNF0AT
-A05
Tray control unit
IN3
1
2
3
4
5
6
+24V
24G
IN614
IN615
IN616
IN617
43025-0600
IN3K301
MOLEX
6
5
4
3
2
1
-K304
EL16CX
Sensor connection board
IN
1
2
3
4
5
6
+24V
24G
B1324
S0325
(No use)
S0327
#2
SEN0
1
2
3
SEN1
1
2
3
SEN2
1
2
3
SEN3
1
2
3
3
2
IL-GM-6S-S3C2
INK304
JAE
1
4
5
6
Tray control board
1
2
3
177899-1
SEN0K304
AMP
1
2
3
177899-1
SEN1K304
AMP
1
2
3
177899-1
SEN3K304
AMP
-B1324
BN
BK
BU
N610070389+010AD-7F +24A
N610070389+010AD-7F LAMP
To
S0325R
Supply completion SW
補給完了SW
Supply table door SW
補給ドアSW
Pallet over flow check
(Receive)
パレットはみだし有無(受光部)
No use
BK
BK/WH
RD
RD/WH
GN
N610070405AB
U-TKVV AWG24-3P
B1
A1
2-1318119-4
S0325R
AMP
B2
A2
B3
A3
B4
A4
RFID
1
2
3
4
5
6
5V
GND
RX
TX
GND
GND
A4
B4
A3
B3
A2
B2
A1
B1
AMP
1376009-2
-S0325
LW6ML-M1C14VW-BC-TK2504
IDEC
GN/WH (0.2mm2-3P)
BK/WH (0.2mm2-1P)
BK
N610070406AB
U-TKVV AWG24-1P
4
4
6
BK/WH (0.5mm2-1P)
BK
N610134068AA
2464-1061/ⅡA(PF)LF 1P×20AWG
8
-S0327
Panasonic
AZ7141
TMEE1.25-3.5
nichifu
NO
TMEE1.25-3.5
nichifu
COM
7
Panasonic Factory Solutions Co.,Ltd. パナソニック ファクトリーソリューションズ株式会社
Name
Drawing No.
Loc. No.
F4K1020-05A
1
2 3 4 5 6 7 8
A
B
C
D
E
F
1 2 3 4 5 6 7 8
A
B
C
D
E
F
Page. No.
Tray Feeder Wiring
(EL16CX~SW,sensor wiring)
N610070389+009AJ
P009

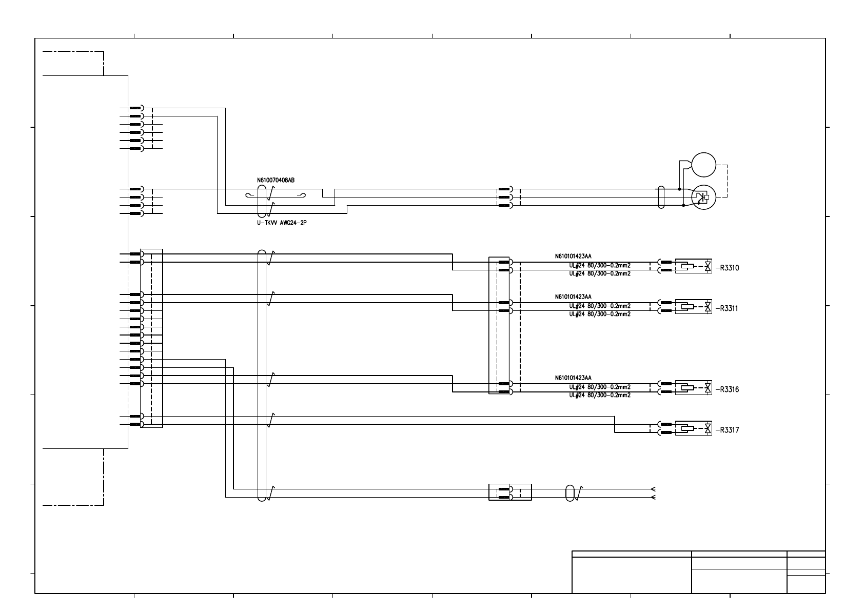
-K301
PNF0AT
Tray control board
-A05
Tray control unit
FAN-ALM
1
2
3
4
/FAN-ALM
N.C
+24V
24G
OUT1
OP0
+24 V
4
3
2
1
43025-0400
FAN-ALM
MOLEX
BK
BK/WH
RD
1
2
3
177899-1
ALM-R
AMP
3
2
177907-1
ALM-P
AMP
1
8
16
8
16
7
15
6
14
5
13
43025-1600
OUT1K301
MOLEX
4
12
3
11
2
10
1
9
177898-1
1S0325R
AMP
2
1
1
177906-1
1S0325P
AMP
2
N610070389+009AE-6C +24A
N610070389+009AE-6C LAMP
7
15
6
14
5
13
4
12
3
11
2
10
1
9
OP1
+24 V
OP2
+24 V
OP3
+24 V
OP4
+24 V
OP5
+24 V
OP6
+24 V
OP7
+24 V
Magazine shutter
open
マガジンシャッター開
Supply side shutter
close
補給部シャッター閉
Magazine door
Lock
マガジンドアロック閉
Magazine door
Unlock
マガジンドアロック開
To
-S0325
Cooling
FAN
4G-SOCKET-SET-FL388859
R3317
CKD
-
+
4G-SOCKET-SET-FL388859
R3316
CKD
-
+
4G-SOCKET-SET-FL388859
R3311
CKD
-
+
4G-SOCKET-SET-FL388859
R3310
CKD
-
+
BN
YE/WH
YE
GN/WH
GN
RD/WH
RD
BK/WH
BK
N610070410AC
U-TKVV AWG24-5P
RD/WH (0.2mm2-2P)
BN/WH (0.2mm2-5P) BK/WH (0.2mm2-1P)
BK
N610070406AB
U-TKVV AWG24-1P
IN5
1
2
3
4
5
6
+24V
24G
IN624
IN625
IN626
N.C
43025-0600
IN5K301
MOLEX
6
5
4
3
2
1
M
-
n
-G101
9GL1224J1J01
RD
YE
BK
SANYO DENKI
4
4
4
177901-1
1R3310R
AMP
6
3
5
2
4
1
177909-1
1R3310P
AMP
1
4
2
5
3
6
BU
BU
BU
BU
BU
BU
5
5
6
6
6
6
6
6
6
Panasonic Factory Solutions Co.,Ltd. パナソニック ファクトリーソリューションズ株式会社
Name
Drawing No.
Loc. No.
F4K1020-05A
1
2 3 4 5 6 7 8
A
B
C
D
E
F
1 2 3 4 5 6 7 8
A
B
C
D
E
F
Page. No.
Tray Feeder Wiring
(Fan alarm,Valve wiring)
N610070389+010AG
P010