NPM-D电路.pdf - 第66页
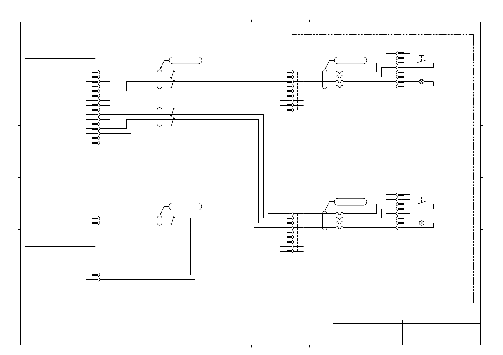
CN1 CN12 CN2 CN4 UL#20 80/300-0.5mm2 BU UL#20 80/300-0.5mm2 BU N610159631AC N610112965AA N610112967AB +12VD-OUT 12G IN1 12 1 2 OUT1 IN2 OUT2 IN3 OUT3 5 3 6 4 10 IN4 7 OUT4 IN5 11 8 IN6 9 P12 SELECT SW ENABLING SW OPTION …

(Front)
-K329
LW6W-33-TK-2504-EJG
IDEC
-K328
PNF0A5
Panel
Control Board
CN10 CN1
Operation SW Board
CN2
CN4
N610112961AA
N610112963AB
UL#20 80/300-0.5mm2 BU
UL#20 80/300-0.5mm2 BU
+12VD-OUT
12G
IN1
12
1
2
OUT1
IN2
OUT2
IN3
OUT3
5
3
6
4
10
IN4
7
OUT4
IN5
11
8
IN6
9
P12
SELECT SW
ENABLING SW
OPTION LAMP
STOP LAMP
EXCHANGE LAMP
OPTION SW
SERVO SW
G12
SELECT LAMP
12
2
3
6
4
10
7
11
8
9
1
5
STOP
EXCHANGE SW
G12
SERVO SW
N.C
1
2
3
N.C
4
G12
EXCHANGE SW
P12
1
2
3
EXCHANGE LAMP
4
N610159658AD
BU/WH
BU
BN/WH
BN
YE/WH
YE
GN/WH
GN
BK/WH
BK
RD/WH
RD
2464C(BPF)VVP AWG#24×6P-B
BK/WH
BK
RD/WH
RD
2464C(BPF)VVP AWG#24×2P-B
MOLEX
CN10K328
43025-1200
12
1
2
5
3
6
4
10
7
11
8
9
MOLEX
CN1K329
43025-1200
9
8
11
7
10
4
6
3
5
2
1
12
MOLEX
CN2K329
5557-04R-210
4
3
2
1
AMP
S101R
2-1318119-4
B1
A1
B2
A2
B3
A3
B4
A4
AMP
S103R
2-1318119-4
B1
A1
B2
A2
B3
A3
B4
A4
MOLEX
CN4K329
43025-0400
4
3
2
1
Front Servo SW
A4
B4
A3
B3
A2
B2
A1
B1
1376009-2
AMP
-S101
LW6S-2C2V-BC-TK2504
IDEC
Front Exchange SW
A4
B4
A3
B3
A2
B2
A1
B1
1376009-2
AMP
-S103
LW6L-M1C13VW-BC-TK2504-B
IDEC
Note1) Connector Pin arrangement is not sequential.
Note1)
Note1)
Note1) Note1)
2
3
3
2464-1061/ⅡA(PF) LF 6P×24AWG
3
2464-1061/ⅡA(PF) LF 2P×24AWG
3
Panasonic Factory Solutions Co.,Ltd. パナソニック ファクトリーソリューションズ株式会社
Name
Drawing No.
Loc. No.
F4K1020-05A
1
2 3 4 5 6 7 8
A
B
C
D
E
F
1 2 3 4 5 6 7 8
A
B
C
D
E
F
Page. No.
Main Body Wiring : NPM-D3
(Servo Switch Wiring Front)
N610159580+016AE
P016
4

CN1 CN12
CN2
CN4
UL#20 80/300-0.5mm2
BU
UL#20 80/300-0.5mm2
BU
N610159631AC
N610112965AA
N610112967AB
+12VD-OUT
12G
IN1
12
1
2
OUT1
IN2
OUT2
IN3
OUT3
5
3
6
4
10
IN4
7
OUT4
IN5
11
8
IN6
9
P12
SELECT SW
ENABLING SW
OPTION LAMP
STOP LAMP
EXCHANGE LAMP
OPTION SW
SERVO SW
G12
SELECT LAMP
12
2
3
6
4
10
7
11
8
9
1
5
STOP
EXCHANGE SW
G12
SERVO SW
N.C
1
2
3
N.C
4
G12
EXCHANGE SW
P12
1
2
3
EXCHANGE LAMP
4
BU/WH
BU
BN/WH
BN
YE/WH
YE
GN/WH
GN
BK/WH
BK
RD/WH
RD
2464C(BPF)VVP AWG#24×6P-B
BK/WH
BK
RD/WH
RD
2464C(BPF)VVP AWG#24×2P-B
MOLEX
CN12K328
43025-1200
12
1
2
5
3
6
4
10
7
11
8
9
MOLEX
CN1K330
43025-1200
9
8
11
7
10
4
6
3
5
2
1
12
MOLEX
CN2K330
5557-04R-210
4
3
2
1
AMP
S111R
2-1318119-4
B1
A1
B2
A2
B3
A3
B4
A4
AMP
S113R
2-1318119-4
B1
A1
B2
A2
B3
A3
B4
A4
MOLEX
CN4K330
43025-0400
4
3
2
1
Rear Servo SW
A4
B4
A3
B3
A2
B2
A1
B1
1376009-2
AMP
-S111
LW6S-2C2V-BC-TK2504
IDEC
Rear Exchange SW
A4
B4
A3
B3
A2
B2
A1
B1
1376009-2
AMP
-S113
LW6L-M1C13VW-BC-TK2504-B
IDEC
(Rear)
-K330
LW6W-33-TK2504-EJG
IDEC
-K328
PNF0A5
Panel
Control Board
Operation SW Board
Note1) Connector Pin arrangement is not sequential.
Note1)
Note1)
Note1) Note1)
1
2
2
2464-1061/ⅡA(PF) LF 6P×24AWG
2
2464-1061/ⅡA(PF) LF 2P×24AWG
2
3
Panasonic Factory Solutions Co.,Ltd. パナソニック ファクトリーソリューションズ株式会社
Name
Drawing No.
Loc. No.
F4K1020-05A
1
2 3 4 5 6 7 8
A
B
C
D
E
F
1 2 3 4 5 6 7 8
A
B
C
D
E
F
Page. No.
Main Body Wiring : NPM-D3
(Servo Switch Wiring Rear)
N610159580+017AD
P017

-A02
Power Unit 1
-K321
PNF0B4
ILK Board #1
CN-SRV
-K328
PNF0A5
CN11
CN15
Panel Control Board
N610112733** :Whole Cover (H):NPM-D
N610159588AC
N610159632AD
IN046
24GND
SERVO
COM
12G
START SWF
12G
1
2
3
CONNECTION STATUS SWF
+12VD-OUT
START LPF
4
5
6
7
8
+12VD-OUT
CONNECTION STATUS LPF
12G
START SWR
12G
9
10
11
CONNECTION STATUS SWR
+12VD-OUT
START LPR
12
13
14
15
16
+12VD-OUT
CONNECTION STATUS LPR
BK/WH
BK
2464C(BPF)VVP AWG#22×1P-B
BK/WH
BK
RD/WH
RD
2464C(BPF)VVP AWG#24×2P-B
BK/WH
BK
RD/WH
RD
2464C(BPF)VVP AWG#24×2P-B
T/2464-3599 クロ LF 4×24AWG
GN
RD
WH
BK
N610131527AA
N610131528AA
T/2464-3599 クロ LF 4×24AWG
GN
RD
WH
BK
MOLEX
CN11K328
43025-1600
1
2
3
4
5
6
7
8
9
10
11
12
13
14
15
16
AMP
1S104P
177911-1
9
8
7
6
5
4
3
2
1
AMP
1S104R
177903-1
9
8
7
6
5
4
3
2
1
MOLEX
CN15K328
5557-02R-210
2
1
JST
CN-SRV
PAP-02V-S
2
1
AMP
1S114P
177911-1
9
8
7
6
5
4
3
2
1
AMP
1S114R
177903-1
9
8
7
6
5
4
3
2
1
AMP
S104R
2-1318119-4
B1
A1
B2
A2
B3
A3
B4
A4
AMP
S114R
2-1318119-4
B1
A1
B2
A2
B3
A3
B4
A4
Front Start SW
A4
B4
A3
B3
A2
B2
A1
B1
1376009-2
AMP
-S104
LW6L-M1C13VG-BC-TK2504-B
IDEC
Rear Start SW
A4
B4
A3
B3
A2
B2
A1
B1
1376009-2
AMP
-S114
LW6L-M1C13VG-BC-TK2504-B
IDEC
1
2
1
2
Note1) Connector Pin arrangement is not sequential.
Note1)
Note1)
1
2464-1061/ⅡA(PF) LF 2P×24AWG
2
2
2464-1061/ⅡA(PF) LF 2P×24AWG
2
2464-1061/ⅡA(PF) LF 1P×22AWG
2
2
Panasonic Factory Solutions Co.,Ltd. パナソニック ファクトリーソリューションズ株式会社
Name
Drawing No.
Loc. No.
F4K1020-05A
1
2 3 4 5 6 7 8
A
B
C
D
E
F
1 2 3 4 5 6 7 8
A
B
C
D
E
F
Page. No.
Main Body Wiring : NPM-D3
(Operation Switch Wiring)
N610159580+018AD
P018
3
3