NPM-D电路.pdf - 第81页
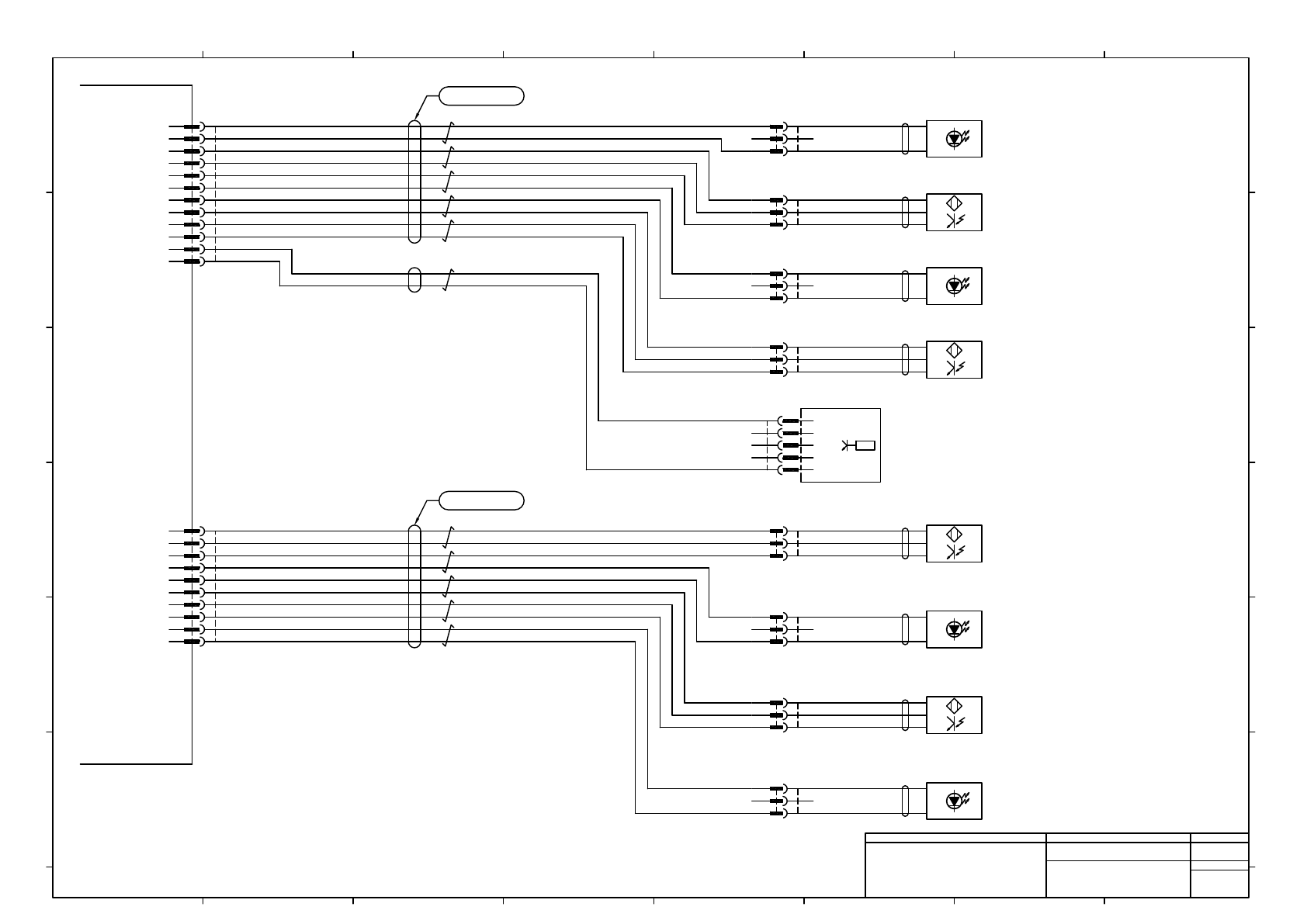
Rear Feeder Opening 3 (Receive Side) Rear Feeder Opening 4 (Receive Side) Rear Feeder Opening 2 (Receive Side) Rear Feeder Opening 4 (Projection Side) Rear Feeder Opening 3 (Projection Side) -B1206 EX-21A BN BK BU Sunx -…

-K322
PNF0B3
I/O Board
CN16
Front Feeder Opening 3
(Receive Side)
Front Feeder Opening 4
(Receive Side)
Front Feeder Opening 2
(Receive Side)
Front Feeder Opening 4
(Projection Side)
Front Feeder Opening 3
(Projection Side)
-B1202
EX-21A
BN
BK
BU
Sunx
-B1200T
EX-21A
BN
BU
Sunx
-B1201T
EX-21A
BN
BU
Sunx
-B1200
EX-21A
BN
BK
BU
Sunx
-B1201
EX-21A
BN
BK
BU
Sunx
-B1202T
EX-21A
BN
BU
Sunx
Front Feeder Opening 2
(Projection Side)
-B1203
EX-21A
BN
BK
BU
Sunx
-B1203T
EX-21A
BN
BU
Sunx
Front Feeder Opening 1
(Receive Side)
Front Feeder Opening 1
(Projection Side)
CNFOF
N610159633AD
N610159662AD
24VOUT
24GND
24VOUT
1
7
2
IN201
24GND
24VOUT
6
8
3
24GND
24VOUT
IN203
9
4
12
24GND
24VOUT
24GND
10
5
11
24VOUT
IN200
24GND
1
5
6
24VOUT
24GND
24VOUT
2
7
3
IN202
24GND
24VOUT
10
8
4
24GND
9
AMP
B1200TR
177899-1
3
2
1
AMP
B1200TP
177907-1
3
2
1
AMP
B1201R
177899-1
3
2
1
AMP
B1201P
177907-1
3
2
1
AMP
B1202TR
177899-1
3
2
1
AMP
B1202TP
177907-1
3
2
1
AMP
B1203R
177899-1
3
2
1
AMP
B1203P
177907-1
3
2
1
AMP
B1200R
177899-1
3
2
1
AMP
B1200P
177907-1
3
2
1
AMP
B1201TR
177899-1
3
2
1
AMP
B1201TP
177907-1
3
2
1
AMP
B1202R
177899-1
3
2
1
AMP
B1202P
177907-1
3
2
1
AMP
B1203TR
177899-1
3
2
1
AMP
B1203TP
177907-1
3
2
1
2464C(BPF)VVP AWG#24×5P-B
BN/WH
BN
YE/WH
YE
GN/WH
GN
BK/WH
BK
RD/WH
RD
MOLEX
CN16K322
5557-12R-210
1
7
2
6
8
3
9
4
12
10
5
11
MOLEX
CNFOFK322
5557-10R-210
1
5
6
2
7
3
10
8
4
9
BN/WH
BN
YE/WH
YE
GN/WH
GN
BK/WH
BK
RD/WH
RD
Vacuum Break
Pressure Meter
24V
OUT1
OUT2
N.C.
GND
p
5
4
3
2
1
-B103X
ZSE30AF-C6L-N-MA1
SMC
JST
B103X
PAP-05V-S
1
2
3
4
5
2464C(BPF)VVP AWG#24×5P-B
2464C(BPF)VVP AWG#24×1P-B
BK
BK/WH
Note1) Connector Pin arrangement is not sequential.
Note1)
Note1)
1
1
1
1
1
1
1
1
1
1
2464-1061/ⅡA(PF) LF 5P×24AWG
2
2
2464-1061/ⅡA(PF) LF 1P×24AWG
2
2464-1061/ⅡA(PF) LF 5P×24AWG
2
2
Panasonic Factory Solutions Co.,Ltd. パナソニック ファクトリーソリューションズ株式会社
Name
Drawing No.
Loc. No.
F4K1020-05A
1
2 3 4 5 6 7 8
A
B
C
D
E
F
1 2 3 4 5 6 7 8
A
B
C
D
E
F
Page. No.
Main Body Wiring : NPM-D3
(Front Sensor Wiring)
N610159580+031AD
P031
3
3

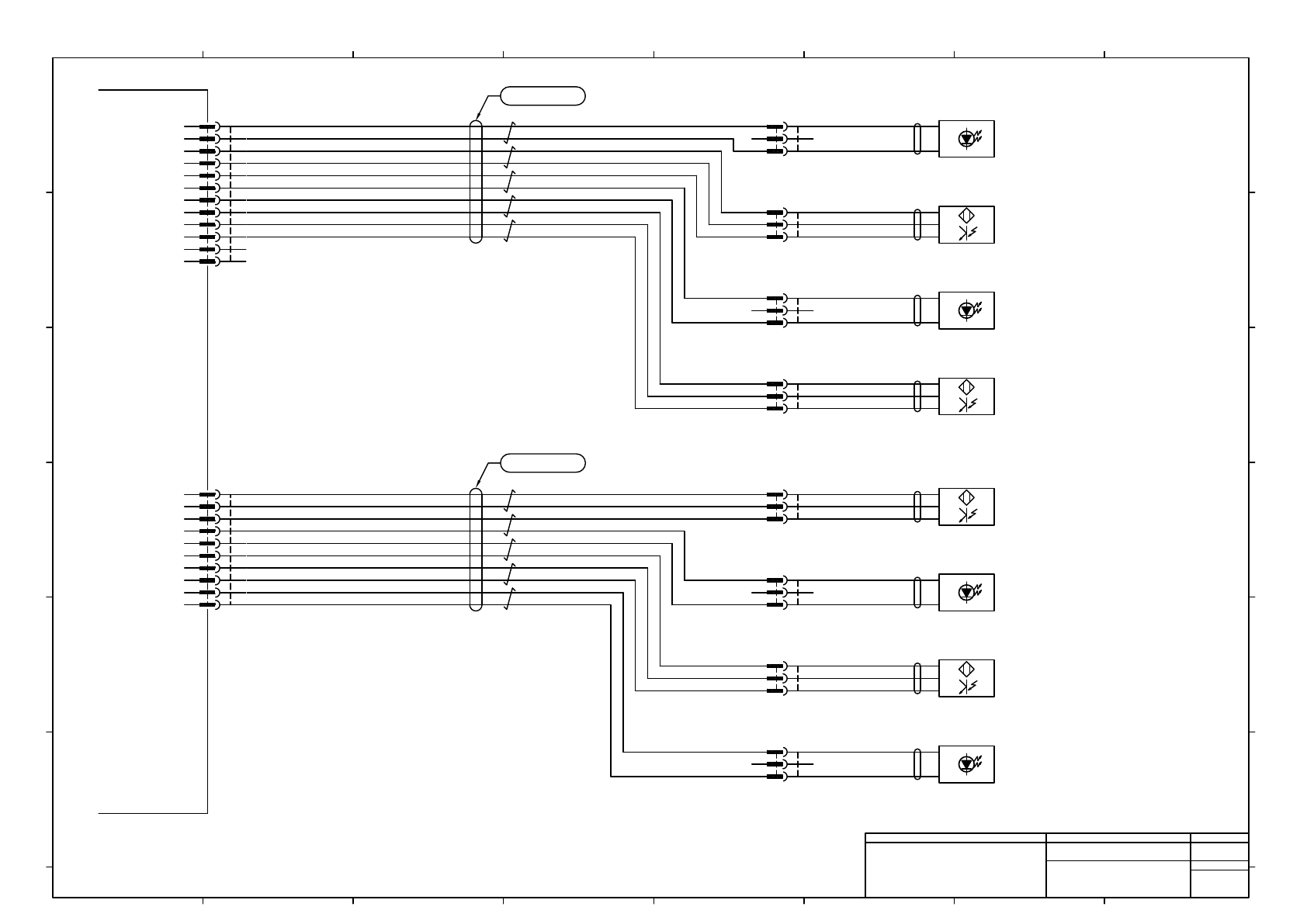
Rear Feeder Opening 3
(Receive Side)
Rear Feeder Opening 4
(Receive Side)
Rear Feeder Opening 2
(Receive Side)
Rear Feeder Opening 4
(Projection Side)
Rear Feeder Opening 3
(Projection Side)
-B1206
EX-21A
BN
BK
BU
Sunx
-B1204T
EX-21A
BN
BU
Sunx
-B1205T
EX-21A
BN
BU
Sunx
-B1204
EX-21A
BN
BK
BU
Sunx
-B1205
EX-21A
BN
BK
BU
Sunx
-B1206T
EX-21A
BN
BU
Sunx
Rear Feeder Opening 2
(Projection Side)
-B1207T
EX-21A
BN
BU
Sunx
-B1207
EX-21A
BN
BK
BU
Sunx
Rear Feeder Opening 1
(Receive Side)
Rear Feeder Opening 1
(Projection Side)
-K322
PNF0B3
I/O Board
CN15
CNFOR
N610159663AD
N610159664AD
24VOUT
24GND
24VOUT
1
7
2
IN205
24GND
24VOUT
6
8
3
24GND
24VOUT
IN207
9
4
12
24GND
24VOUT
24GND
10
5
11
24VOUT
IN204
24GND
1
5
6
24VOUT
24GND
24VOUT
2
7
3
IN206
24GND
24VOUT
10
8
4
24GND
9
AMP
B1204TR
177899-1
3
2
1
AMP
B1204TP
177907-1
3
2
1
AMP
B1205R
177899-1
3
2
1
AMP
B1205P
177907-1
3
2
1
AMP
B1206TR
177899-1
3
2
1
AMP
B1206TP
177907-1
3
2
1
AMP
B1207R
177899-1
3
2
1
AMP
B1207P
177907-1
3
2
1
AMP
B1204R
177899-1
3
2
1
AMP
B1204P
177907-1
3
2
1
AMP
B1205TR
177899-1
3
2
1
AMP
B1205TP
177907-1
3
2
1
AMP
B1206R
177899-1
3
2
1
AMP
B1206P
177907-1
3
2
1
AMP
B1207TR
177899-1
3
2
1
AMP
B1207TP
177907-1
3
2
1
2464C(BPF)VVP AWG#24×5P-B
BN/WH
BN
YE/WH
YE
GN/WH
GN
BK/WH
BK
RD/WH
RD
2464C(BPF)VVP AWG#24×5P-B
BN/WH
BN
YE/WH
YE
GN/WH
GN
BK/WH
BK
RD/WH
RD
MOLEX
CN15K322
5557-12R-210
1
7
2
6
8
3
9
4
12
10
5
11
MOLEX
CNFORK322
5557-10R-210
1
5
6
2
7
3
10
8
4
9
Note1) Connector Pin arrangement is not sequential.
Note1)
Note1)
1
1
1
1
1
1
1
1
1
1
2464-1061/ⅡA(PF) LF 5P×24AWG
2
2
2464-1061/ⅡA(PF) LF 5P×24AWG
2
2
3
3
Panasonic Factory Solutions Co.,Ltd. パナソニック ファクトリーソリューションズ株式会社
Name
Drawing No.
Loc. No.
F4K1020-05A
1
2 3 4 5 6 7 8
A
B
C
D
E
F
1 2 3 4 5 6 7 8
A
B
C
D
E
F
Page. No.
Main Body Wiring : NPM-D3
(Rear Sensor Wiring)
N610159580+032AD
P032

-K321
PNF0B4
ILK Board #1
Signal Tower
Front Out of work Light
-A02
Power Unit 1
Rear Out of work Light
B2003X2(-)
AI0.25-6BU
PHOENIX CONTACT
B2003X1(+)
B2002X2(-)
AI0.25-6BU
PHOENIX CONTACT
B2002X1(+)
N610112733** : Whole Cover (H):NPM-D
B2002
YW1P-TK2495
IDEC
B2003
YW1P-TK2495
IDEC
X2
X1
X2
X1
N610159635AD
N610113002AC
BK/WH
BK
2464C(BPF)VVP AWG#24×1P-B
BK/WH
BK
2464C(BPF)VVP AWG#24×1P-B
BK/WH
BK
2464C(BPF)VVP AWG#24×1P-B
BK/WH
BK
2464C(BPF)VVP AWG#24×1P-B
MOLEX
B2001P
43020-0600
6
5
4
1
2
3
MOLEX
B2001R
43025-0600
6
5
4
1
2
3
AMP
B2002R
177898-1
2
1
AMP
B2002P
177906-1
2
1
GN/WH
GN
BK/WH
BK
RD/WH
RD
2464C(BPF)VVP AWG#24×3P-B
AMP
B2003R
177898-1
2
1
AMP
B2003P
177906-1
2
1
BLUE
Lamp
GREEN
Lamp
YELLOW
Lamp
RED
Lamp
+
Buzzer
-B2001
LPUKB-24W-3
ARROW
CNPATO
1
2
3
4
5
6
7
8
P24
OT042
OT043
OT044
OT045
OT041
N.C
N.C
CNPLED
P24
P24
OT046
OT047
N.C
GND
1
2
3
4
5
6
N610113001AC
MOLEX
CNPATOK321
43025-0800
8
7
6
5
4
3
2
1
AMP
CNPLEDK321
177901-1
6
5
4
3
2
1
N610159636AD
Note1) Connector Pin arrangement is not sequential.
Note1) Note1)
1
2464-1061/ⅡA(PF) LF 3P×24AWG
2
2
2464-1061/ⅡA(PF) LF 1P×24AWG
2
2464-1061/ⅡA(PF) LF 1P×24AWG
2
2464-1061/ⅡA(PF) LF 1P×24AWG
2
2464-1061/ⅡA(PF) LF 1P×24AWG
2
2
2
2
Panasonic Factory Solutions Co.,Ltd. パナソニック ファクトリーソリューションズ株式会社
Name
Drawing No.
Loc. No.
F4K1020-05A
1
2 3 4 5 6 7 8
A
B
C
D
E
F
1 2 3 4 5 6 7 8
A
B
C
D
E
F
Page. No.
Main Body Wiring : NPM-D3
(Signal Tower Wiring)
N610159580+033AD
P033
3
3