RX-8_SPE_JP.pdf - 第34页
30 9. 安全性仕様 9-1 標準仕様 非常停止 前面に 1 箇 所、 非常停止ス イ ッ チ を 設置し ま す 。 非常停止ス イ ッ チ 押下に よ り 、 各軸は 即時停止し 、サ ー ボ モ ー タ の 駆動電源は 遮断さ れ ま す 。 安全カバー 機械の 前面に カ バ ー を1 個備え て い ま す 。 カ バ ー オ ー プ ン スイ ッチ に よ り 、 開閉状態を検知し 、カ バー を 開け た 場合は 各軸の…

29
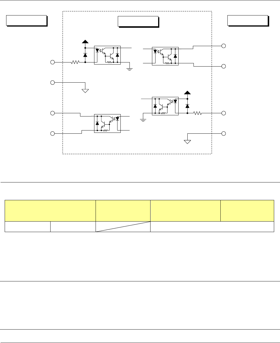
8-2 入力および出力信号インターフェース
24
V
搬出要求入力信号
ピン番号:1(フロント側)
ピン番号:9(リア側)
搬出要求信号コモン
ピン番号:2(フロント側)
ピン番号:10(リア側)
下流側装置
搬出許可出力信号
ピン番号:3(フロント側)
ピン番号:11(リア側)
搬出許可信号コモン
ピン番号:4(フロント側)
ピン番号:12(リア側)
24V
搬出許可入力信号
ピン番号:3(フロント側)
ピン番号:11(リア側)
搬出許可信号コモン
ピン番号:4(フロント側)
ピン番号:12(リア側)
搬出要求出力信号
ピン番号:1(フロント側)
ピン番号:9(リア側)
搬出要求信号コモン
ピン番号:2(フロント側)
ピン番号:10(リア側)
マウンタ
上流側装置
図 信号インターフェースと接続ターミナル
8-2-1 接続ケーブル仕様
各接続する機種により下記ケーブルを使用ください。
仕様ケーブル表
RX-7/RX-7R/RX-6
(デュアルモード)
RX-7/RX-7R/RX-6
、
KE-
3020V 他
(シングルモード
/
搬送装置)
検査機
他
(デュアル搬送機
器)
RX-8 シングルモード 0、1、2
0:ジョイントケーブル(従来品 :E9599705*A0)
1:ジョイントケーブル 1(RX-7 標準付属/RX-7R オプション :EZ184657712)
2:ジョイントケーブル 2(オプション :EZ184660811)
8-3 データインターフェース
JaNetsインターフェースとしてLAN(10/100/1000BASE-T)を用意しました。
本体のインターフェースとしてUSB接続によるCD-ROMを使用できます。
(フロント2口USBを用意)
8-4 ユーティリティの接続
8-4-1 配管継手
本体側エア供給口に、日東工器製ハイカプラー(20PM)を装備しました。
工場側のワンタッチカプラーを付属しています。
日東工器㈱ 製 ハイカプラー 型式 20SH

30
9. 安全性仕様
9-1 標準仕様
非常停止
前面に 1 箇所、非常停止スイッチを設置します。
非常停止スイッチ押下により、各軸は即時停止し、サーボモータの駆動電源は遮断されます。
安全カバー
機械の前面にカバーを1個備えています。カバーオープンスイッチにより、開閉状態を検知し、カバーを開けた
場合は各軸の動力が遮断され、非常停止状態になります。
また、一括交換台車部にもそれぞれ安全スイッチを有し、一括交換台車下降状態では各軸の動力が遮断
され、非常停止状態となります。(搬送ベルトやサポートテーブル、供給装置の動作は影響を受けません。)
カバー開放状態および一括交換台車下降状態のままスタートスイッチを押下しても、メッセージを表示し軸
動作はしません。
インターロック仕様
カバーオープンまたは一括交換台車下降の状態では、XY 軸を含む動力系の電源が OFF になります。
9-2 CE マーキング仕様
以下の EC 指令に順じています。
EC 機械指令 2006/42/EC
EC EMC指令 2014/30/EU
EC RoHS指令 2011/65/EU
適合規格
機械指令 EN IS012100:2010, EN60204-1:2018, EN ISO13849-1:2015
EMC 指令 EN61000-6-4:2007+A1:2011, EN IEC61000-6-2:2019, EN61000-4-2:2009,
EN61000-4-3:2006+A1:2008+A2:2010, EN61000-4-4:2012,
EN61000-4-5:2014+A1:2017, EN61000-4-6:2014, EN61000-4-8:2010,
EN61000-4-34:2005+A1:2009
RoHS 指令 EN IEC63000:2018
9-3 その他の法規制
レーザ装置
HMS: class II(JIS C6802 クラス 2、FDA classⅡ)、EN60825

31
10. 信頼性仕様
10-1 マシン本体(装置)信頼性
装置寿命 :5 年(但し、消耗部品または下記の部品を除く)
定期交換部品:2~3 年を目安に交換が必要となります。(使用状況により交換時期は変動します。)
・ベアケーブル組
・エアチューブ
・エアフィルタ
・ガススプリング
・バッテリーユニット
・真空ポンプ
・電磁弁
・カメラ
・センサ
・エアシリンダ
・テープカッターユニット、カッター刃 (
1
年)
・電動フィーダ 段取り用ケーブル
・搬送ベルト
・ヒューズ
・ヘッドメカバルブ
信頼性算定基準 :22 時間/日
:300 日/年
:22×300×5=33,000 時間