文档中心
/
JAKA Zu sp使用手册-中文版.pdf
JAKA Zu sp使用手册-中文版.pdf - 第16页
16 JAKA Zu Sp 图 10. 转接法兰尺寸图
目录
100%
显示:宽度
宽度
1 / 16
回到旧版
旧版
?
14
JAKA
Zu
Sp
图
8.
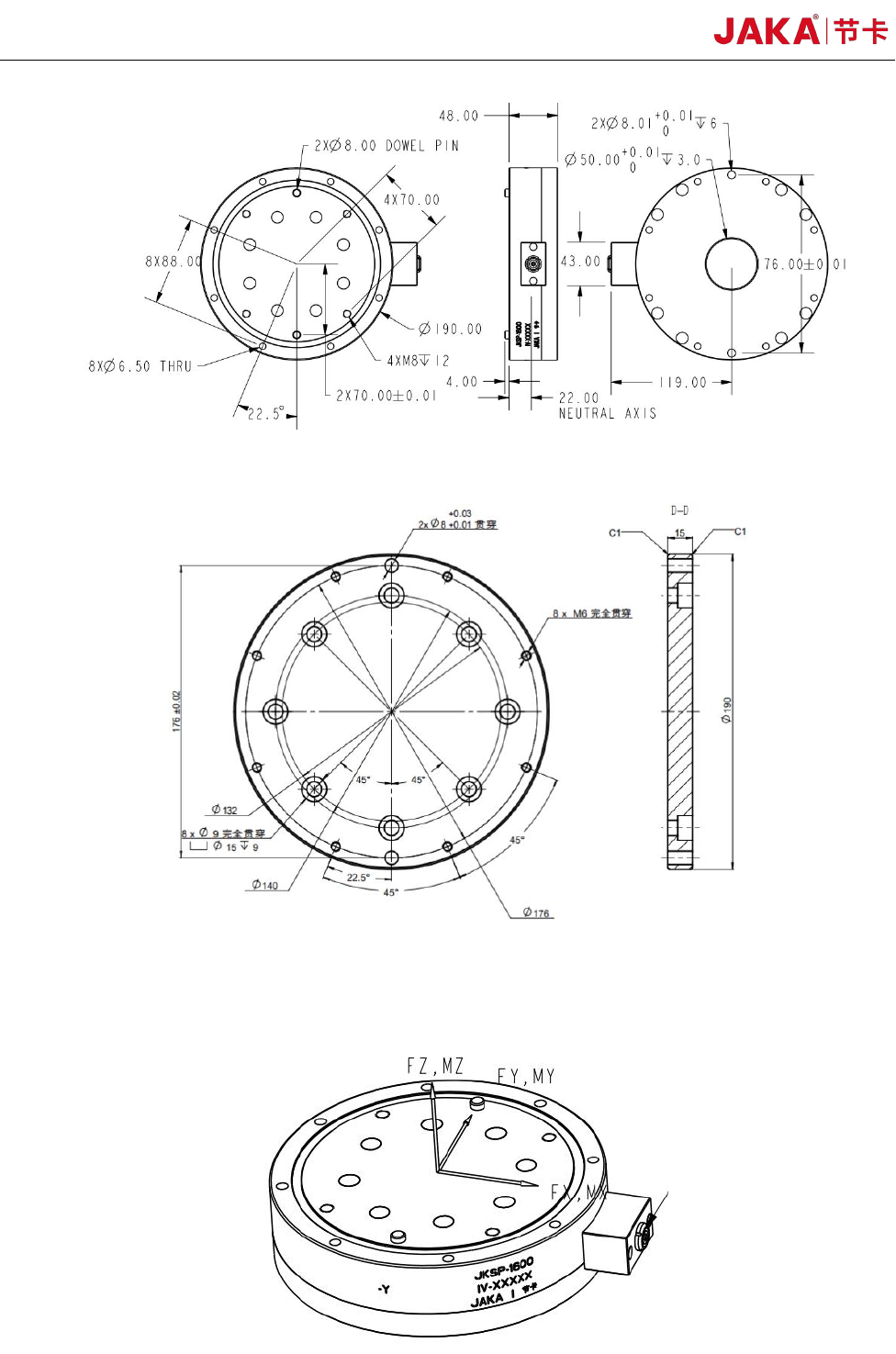
力传感器尺寸图
图
9.
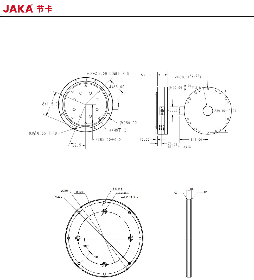
转接法兰尺寸图
JAKA
Zu
Sp
15
图
10.
转接法兰尺寸图
6.3 JAKA Zu1
2 sp 和
JAKA Zu18
sp
图
8.
力传感器尺寸图
图
9.
转接法兰尺寸图
16
JAKA
Zu
Sp
图
10.
转接法兰尺寸图
该页面需要启用 JavaScript 才能进行交互式预览。