D3Wiring Diagram__N7205A106B.pdf - 第231页
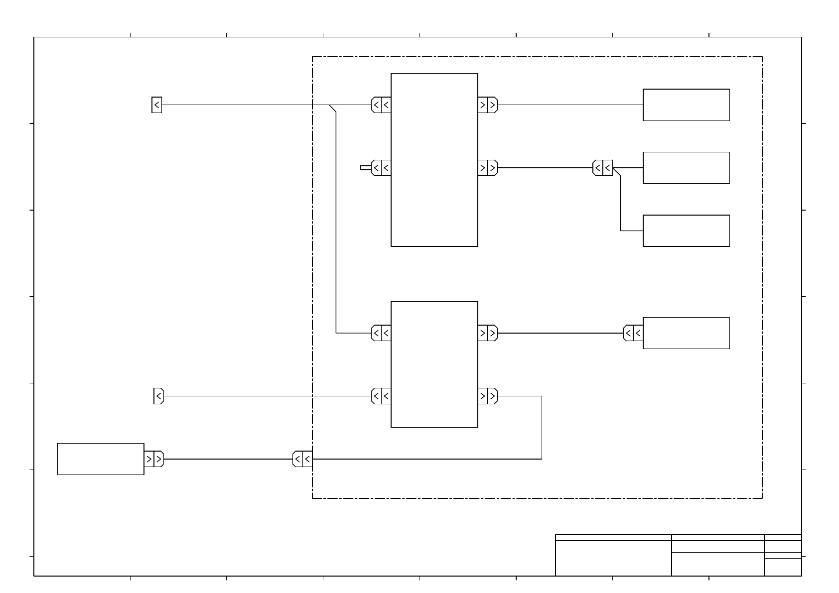
LED controller PPE0AA CN1 CN3 CN2 CN4 Camera link switch PNF0AM CN1 CN3 CN4 CN2 -K301 -K302 Coaxial LED board UN58EX Middle LED module DMW21MN/L3 -E030 -E031~-E038 Lower LED module DMW6MN/L -E041~-E048 Color camera -B303…

LED controller
PPE0AA
CN1
CN3
CN2
CN4
Camera link switch
PNF0AM
CN1
CN3
CN4
CN2
-K301
-K302
Coaxial LED board
UN58EX
Middle LED module
DMW21MN/L3
-E030
-E031~-E038
Lower LED module
DMW6MN/L
-E041~-E048
Color camera
-B3031
2D Inspection Sensor Head
DC24V,RS422
Camera link
Head camera
-B3001/-B3002
1
Panasonic Factory Solutions Co.,Ltd. パナソニック ファクトリーソリューションズ株式会社
Name
Drawing No.
Loc. No.
F4K1020-05A
1
2 3 4 5 6 7 8
A
B
C
D
E
F
1 2 3 4 5 6 7 8
A
B
C
D
E
F
Page. No.
Wiring for 2D Inspection Sensor Head:NPM
(BLOCK DIAGRAM)
N610093639+002AB
P002

TMEE1.25-4
NICHIFU
-K301
PPE0AA
+24V
GND
+24V
GND
+24V
GND
IN01
GND
CN1
1
9
2
10
3
11
4
12
RXD+
RXD-
TXD+
TXD-
GND
EMG
ILK1
ILK2
5
13
6
14
7
15
8
16
TMEE1.25-3
NICHIFU
14
5
6
13
DM1P016SA1
CN1
Japan Aviation Electronics Industry
4
3
12
11
16
15
9
10
8
7
1
2
13
5
12
4
11
3
10
2
9
1
43025-1600
CN1K301
MOLEX
15
7
14
6
8
16
4
3
2
1
43025-0400
CN1K302
MOLEX
LED controller
-K302
PNF0AM
Camera link switch
GND(ILK)
+24S
GNDS
GND(ILK)
CN1
1
2
3
4
s
s
s
s
N610081534AB
U-TKVVBS AWG24-4P
BU
BU
BU
BU
BU
BU
YE/WH (0.2mm2-4P)
YE
GN/WH
GN
RD/WH
RD
BK/WH
BK
BK/WH (0.5mm2-1P)
N610081534AB
U-TKVV AWG20-1P
BK
Panasonic Factory Solutions Co.,Ltd. パナソニック ファクトリーソリューションズ株式会社
Name
Drawing No.
Loc. No.
F4K1020-05A
1
2 3 4 5 6 7 8
A
B
C
D
E
F
1 2 3 4 5 6 7 8
A
B
C
D
E
F
Page. No.
Wiring for 2D Inspection Sensor Head:NPM
(DC24V,RS422 wiring)
N610093639+003AA
P003