D3Wiring Diagram__N7205A106B.pdf - 第283页
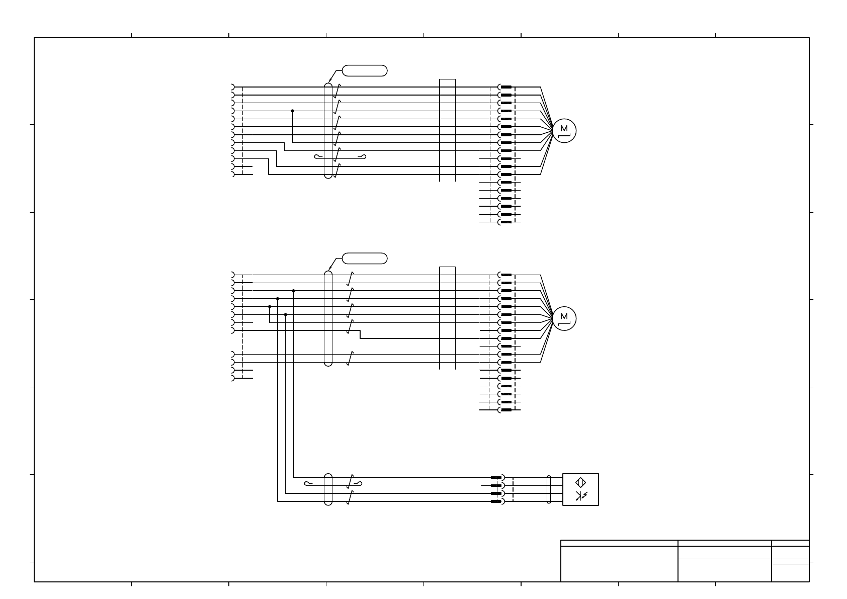
L2(4) Width Adjustment axis ORG (Dual mode) L2(4) Width Adjustment axis motor -B1I01 BN BK WH BU 1 2 3 14 6 4 5 7 8 9 12 13 10 11 15 16 17 18 -M646 4 B1I01R 177900-1 3 2 1 P24(M) GND(M) P24(C) GND(C) -LS ORG +LS EMG DATA…

L1(1)
Width Adjustment axis
+OVR (= Single mode ORG)
L1(1)
Width Adjustment axis
ORG (= Dual mode ORG)
-B1E00
BN
BK
WH
BU
L1(1) Width Adjustment axis motor
-B1E01
BN
BK
WH
BU
1
2
3
14
6
4
5
7
8
9
12
13
10
11
15
16
17
18
-M613
4
B1E01R
177900-1
3
2
1
4
B1E00R
177900-1
3
2
1
L1(1) Single mode detection
-B1E02
BN
BK
WH
BU
4
B1E02R
177900-1
3
2
1
※Attention)
P24(M)
GND(M)
P24(C)
GND(C)
-LS
ORG
+LS
EMG
DATA+
DATA-
CW/CCW
BUSY
NC
OUTPUT COM
NC
NC
NC
NC
※Attention)
→ P004 - 1M613P
P24(M)
G24(M)
P24(C)
G24(C)
D+MAIN
D-MAIN
EMG_OUT20
G24(C)
1
2
3
1M613R
177905-1
4
5
6
7
8
9
10
11
12
4
B1E01P
177908-1
3
2
1
4
B1E00P
177908-1
3
2
1
16
15
11
10
13
12
9
8
7
5
4
6
14
M613R
PHDR-18VS
3
2
1
18
17
4
B1E02P
177908-1
3
2
1
BN/WH
BN
YE/WH
YE
GN/WH
GN
BK/WH
BK
RD/WH
RD
BK/WH
BK
RD/WH
RD
2464C(BPF)VVP AWG#24×2P-B
2464C(BPF)VVP AWG#24×5P-B
N610126540AB
SEIWA
E04SR200932
UL1007 24AWG BU BU
UL1007 24AWG BU BU
UL1007 24AWG BU BU
UL1007 24AWG BU BU
UL1007 24AWG BU BU
2464-1061/ⅡA(PF) LF 5P×24AWG
1
1
2464-1061/ⅡA(PF) LF 2P×24AWG
1
Panasonic Factory Solutions Co.,Ltd. パナソニック ファクトリーソリューションズ株式会社
Name
Drawing No.
Loc. No.
F4K1020-05A
1
2 3 4 5 6 7 8
A
B
C
D
E
F
1 2 3 4 5 6 7 8
A
B
C
D
E
F
Page. No.
Flex Conveyor ST L Control:NPM-D
(L2(4) conveyor motor)
N610126533+005AB
P005

L2(4) Width Adjustment axis
ORG (Dual mode)
L2(4) Width Adjustment axis motor
-B1I01
BN
BK
WH
BU
1
2
3
14
6
4
5
7
8
9
12
13
10
11
15
16
17
18
-M646
4
B1I01R
177900-1
3
2
1
P24(M)
GND(M)
P24(C)
GND(C)
-LS
ORG
+LS
EMG
DATA+
DATA-
CW/CCW
BUSY
NC
OUTPUT COM
NC
NC
NC
NC
Left L2(4) Conveyor motor
12
11
10
9
8
7
177905-1
1M642R
6
5
4
3
2
1
4
6
14
3
2
1
13
12
8
7
5
PHDR-18VS
M642R
1
2
3
14
6
4
5
7
8
9
12
13
10
11
15
16
17
18
-M642
10
11
15
16
17
18
9
YE
YE/WH
BN
BN/WH
BU
BK
BK/WH
RD
RD/WH
GN
GN/WH
BU/WH
P24(M)
GND(M)
P24(C)
GND(C)
Reverce
Start/Stop
SPD H/L
EMG
DATA+
DATA-
CW/CCW
2464C(BPF)VVP AWG#24×6P-B
BUSY
OUT1
NC
NC
NC
NC
OUTPUT COM
→ P003 - 1M642P
N610126541AB
→ P003 - 1M646P
P24(M)
G24(M)
P24(C)
G24(C)
S-REV21
OUT123
S-SPD21
D+SUB
D-SUB
EMG_OUT11
P24(M)
G24(M)
P24(C)
G24(C)
D+SUB
D-SUB
EMG_OUT20
G24(C)
SEIWA
E04SR200932
4
B1I01P
177908-1
3
2
1
16
15
11
10
13
12
9
8
7
5
4
6
14
M646R
PHDR-18VS
3
2
1
18
17
BN/WH
BN
YE/WH
YE
GN/WH
GN
BK/WH
BK
RD/WH
RD
1
2
3
1M646R
177905-1
4
5
6
7
8
9
10
11
12
BK/WH
BK
RD/WH
RD
2464C(BPF)VVP AWG#24×2P-B
2464C(BPF)VVP AWG#24×5P-B
N610126542AB
SEIWA
E04SR200932
2464-1061/ⅡA(PF) LF 6P×24AWG
1
2464-1061/ⅡA(PF) LF 5P×24AWG
1
1
1
2464-1061/ⅡA(PF) LF 2P×24AWG
1
Panasonic Factory Solutions Co.,Ltd. パナソニック ファクトリーソリューションズ株式会社
Name
Drawing No.
Loc. No.
F4K1020-05A
1
2 3 4 5 6 7 8
A
B
C
D
E
F
1 2 3 4 5 6 7 8
A
B
C
D
E
F
Page. No.
Flex Conveyor ST L Control:NPM-D
(L2(4) Width adjusting motor)
N610126533+006AB
P006

P24
OUT
IN
GND
1
2
3
4
-B1131
1
2
3
4
PAP-04V-S
B1131
L1(1) Board stop sensor 2
L2(4) Board stop sensor 1
L2(4) Board stop sensor 2
6
5
4
1B1135R
177901-1
3
2
1
6
5
4
1B1137R
177901-1
3
2
1
P24
OUT
IN
GND
1
2
3
4
-B1135
1
2
3
4
PAP-04V-S
B1135
L1(1) Board stop sensor 1
P24
OUT
IN
GND
1
2
3
4
-B1132
1
2
3
4
PAP-04V-S
B1132
P24
OUT
IN
GND
1
2
3
4
-B1137
1
2
3
4
PAP-04V-S
B1137
YE/WH
YE
GN/WH
GN
BK/WH
BK
RD/WH
RD
UL2464 (SPV840) 4P×24AWG(11/0.16TA) LF BK
N610126544AC
YE/WH
YE
GN/WH
GN
BK/WH
BK
RD/WH
RD
UL2464 (SPV840) 4P×24AWG(11/0.16TA) LF BK
N610126545AC
6
5
4
1B1135P
177909-1
3
2
1
6
5
4
1B1137P
177909-1
3
2
1
9
8
7
6
5
4
2B1135R
177903-1
3
2
1
4
3
2
1
177908-1
B1020TP
YE/WH
YE
GN
BK/WH
BK
RD/WH
RD
GN/WH
BN
2464C(BPF)VVP AWG#24×5P-B
BN/WH
N610126543AC
→ P003 - 2B1135P
→ P008 - B1020TR
IN135
IN137
OUT107
P24
G24
IN131
OT117
IN132
UL1007 24AWG BU BU
UL1007 24AWG BU BU
UL1007 24AWG BU BU
UL1007 24AWG BU BU
UL1007 24AWG BU BU
1 2
2
2
2464-1061/ⅡA(PF) LF 5P×24AWG
2
2464-1061/ⅡA(PF) LF 4P×24AWG
2
2464-1061/ⅡA(PF) LF 4P×24AWG
2
U-TKVV 4P-AWG24
3
3
U-TKVV 4P-AWG24
3
3
Panasonic Smart Factory Solutions Co.,Ltd. パナソニック スマートファクトリーソリューションズ株式会社
Name
Drawing No.
Loc. No.
F4K1020-05A
1
2 3 4 5 6 7 8
A
B
C
D
E
F
1 2 3 4 5 6 7 8
A
B
C
D
E
F
Page. No.
Flex Conveyor ST L Control:NPM-D
(Sensor wiring)
N610126533+007AD
P007