D3Wiring Diagram__N7205A106B.pdf - 第87页
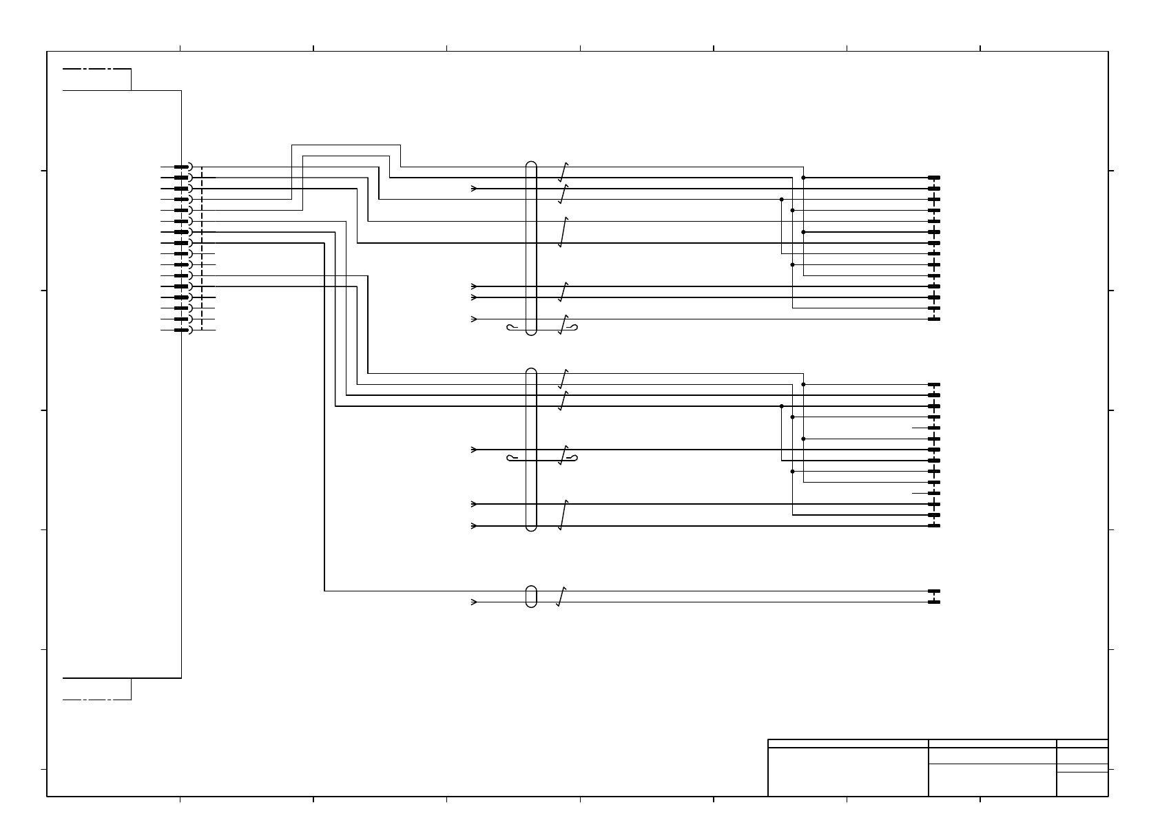
-K321 PNF0B4 ILK Board #1 I/O Board CN30 CN31 -K322 PNF0B3 1 3 2 4 5 6 7 8 P24 G24 IN235 N.C. P24 IN236 G24 N.C. 1 3 2 4 5 7 6 8 P24 G24 IN244 IN234 P24 G24 IN245 IN233 UL2464 (SPV840) 3P×24AWG(11/0.16TA) LF BK GN/WH GN …

-K321
PNF0B4
Power Unit 1
-A02
ILK Board #1
MOLEX
B1120P
43020-1400
14
13
12
11
10
9
8
7
6
5
4
3
2
1
MOLEX
B1131P
43020-0200
2
1
MOLEX
B1130P
43020-1400
14
13
12
11
10
9
8
7
6
5
4
3
2
1
7
8
9
10
11
12
OT102
IN121
IN123
24VOUT
CNTR2
3
4
5
6
1
2
13
14
15
16
16
15
14
13
12
11
10
9
8
7
6
5
4
MOLEX
CNTR2K321
43025-1600
3
2
1
NC
NC
NC
NC
IN012
IN107
24VOUT
24GND
24GND
IN130
OT104
IN131
BK/WH
BK
RD/WH
RD
GN/WH
GN
YE/WH
YE
BU UL#24 80/300-0.2mm2
BU UL#24 80/300-0.2mm2
BU UL#24 80/300-0.2mm2
BU UL#24 80/300-0.2mm2
BU UL#24 80/300-0.2mm2
BN/WH
BN
UL2464 (SPV840) 5P×24AWG(11/0.16TA) LF BK
BK/WH
BK
RD/WH
RD
GN/WH
GN
YE/WH
YE
BU UL#24 80/300-0.2mm2
BU UL#24 80/300-0.2mm2
BU UL#24 80/300-0.2mm2
BU UL#24 80/300-0.2mm2
BU UL#24 80/300-0.2mm2
IN133 P036-2C
OT105 P036-2C
IN125 P036-2C
IN127 P036-2B
OT103 P036-2B
IN126 P036-2B
IN120 P036-2E
BN/WH
BK
UL2464 (SPV840) 1P×24AWG(11/0.16TA) LF BK
UL2464 (SPV840) 4P×24AWG(11/0.16TA) LF BK
IN132 P036-2C
For B1120R
L1 Conveyor Sensor
For B1130R
L2 Conveyor Sensor
For B1131R
L1・L2 Conveyor Sensor
2464C(BPF)VVP AWG#24×5P-B
5
2464C(BPF)VVP AWG#24×1P-B
5
2464-1061/ⅡA(PF) LF 4P×24AWG
3
U-TKVV 4P-AWG24
4
2464-1061/ⅡA(PF) LF 5P×24AWG
3
2464-1061/ⅡA(PF) LF 1P×24AWG
3
Panasonic Smart Factory Solutions Co.,Ltd. パナソニック スマートファクトリーソリューションズ株式会社
Name
Drawing No.
Loc. No.
F4K1020-05A
1
2 3 4 5 6 7 8
A
B
C
D
E
F
1 2 3 4 5 6 7 8
A
B
C
D
E
F
Page. No.
Main Body Wiring : NPM-D3
(Conveyor I/F 4)
N610159580+037AF
P037

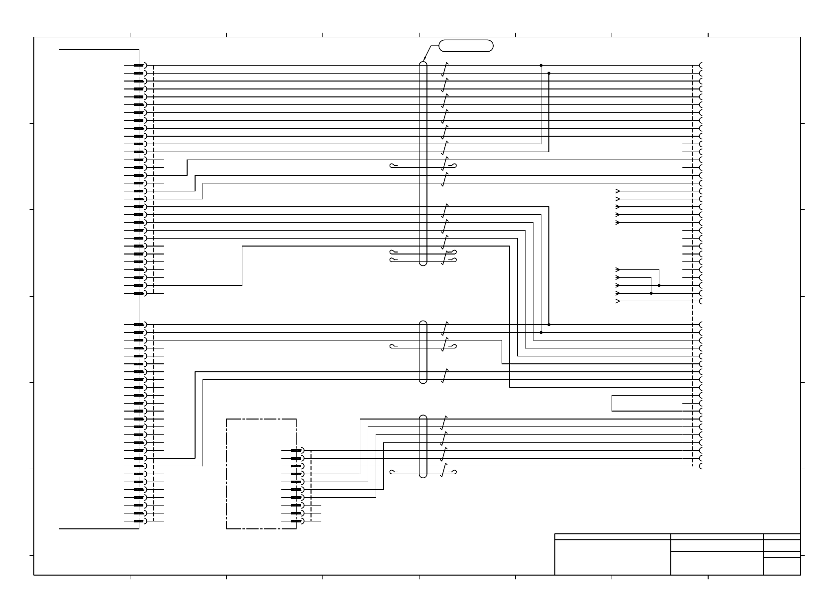
-K321
PNF0B4
ILK Board #1
I/O Board
CN30
CN31
-K322
PNF0B3
1
3
2
4
5
6
7
8
P24
G24
IN235
N.C.
P24
IN236
G24
N.C.
1
3
2
4
5
7
6
8
P24
G24
IN244
IN234
P24
G24
IN245
IN233
UL2464 (SPV840) 3P×24AWG(11/0.16TA) LF BK
GN/WH
GN
BK/WH
BK
RD/WH
RD
MOLEX
CN30K322
43025-0800
8
7
6
5
4
2
3
1
MOLEX
CN31K322
43025-0800
8
6
7
5
4
2
3
1
MOLEX
1B1235R
43025-0800
8
7
6
5
4
2
3
1
MOLEX
1B1244R
43025-0800
8
6
7
5
4
2
3
1
MOLEX
R4134R
43025-0400
4
3
2
1
BK/WH
BK
RD/WH
RD
UL2464 (SPV840) 2P×24AWG(11/0.16TA) LF BK
BK/WH
BK
RD/WH
RD
UL2464 (SPV840) 2P×24AWG(11/0.16TA) LF BK
UL2464 (SPV840) 4P×24AWG(11/0.16TA) LF BK
BK/WH
BK
RD/WH
RD
GN/WH
GN
YE/WH
YE
MOLEX
R4136R
43025-0400
4
3
2
1
1
2
3
4
5
6
7
8
9
10
CNVLB
24VOUT
OT117
24VOUT
OT134
24VOUT
OT135
24VOUT
OT136
24VOUT
OT137
Power Unit 1
JST
CNVLBK321
PAP-10V-S
1
2
3
4
5
6
7
8
9
10
AMP
OT117P
177906-1
2
1
BK/WH
BK
UL2464 (SPV840) 1P×24AWG(11/0.16TA) LF BK
N610160961AE
N610160960AE
N610159602AD
For 1B1235P
L2 P.C.B Support Sensor
For 1B1244P
L1 P.C.B Support Sensor
For R4134P
L1 P.C.B Support Valve
For R4136P
L2 P.C.B Support Valve
-A02
AMP
OT117R
177898-1
2
1
UL2464 (SPV840) 1P×24AWG(11/0.16TA) LF BK
BK
BK/WH
OT117R-2
P039-7B
CNCOV
N610160959AE
1
2
3
4
5
6
7
8
9
10
P24
P24
IN223
IN225
IN227
IN224
G24
G24
G24
IN226
MOLEX
CNCOVR
43025-1000
1
2
3
4
5
6
7
8
9
10
MOLEX
1B1223P
43020-0800
8
7
6
5
4
3
2
1
UL2464 (SPV840) 4P×24AWG(11/0.16TA) LF BK
BK/WH
BK
RD/WH
RD
GN/WH
GN
YE/WH
YE
For 1B1223R
Transfer Specification
Note1) Connector Pin arrangement is not sequential.
Note1)
Note1)
Note1)
Note1)
4
4
2464C(BPF)VVP AWG#24×1P-B
6
2464C(BPF)VVP AWG#24×2P-B
6
2464C(BPF)VVP AWG#24×2P-B
6
2464C(BPF)VVP AWG#24×1P-B
6
2464C(BPF)VVP AWG#24×3P-B
6
6
4
4
6
U-TKVV 4P-AWG24
5
5
U-TKVV 4P-AWG24
5
5
Panasonic Smart Factory Solutions Co.,Ltd. パナソニック スマートファクトリーソリューションズ株式会社
Name
Drawing No.
Loc. No.
F4K1020-05A
1
2 3 4 5 6 7 8
A
B
C
D
E
F
1 2 3 4 5 6 7 8
A
B
C
D
E
F
Page. No.
Main Body Wiring : NPM-D3
(Conveyor I/F 5)
N610159580+038AG
P038

CNEXL-M
1
2
3
4
5
6
7
8
9
10
11
12
13
14
15
16
17
18
19
20
21
22
23
24
25
26
27
28
29
30
-K321
PNF0B4
V24(M)
GND(M)
V24(C)
GND(C)
M-REV21
OT122
M-SPD21
EMG11
D+Main
D-Main
V24(M)
GND(M)
V24(C)
GND(C)
+24V
GND
IN135
OT107
V24(M)
GND(M)
S-REV21
OT123
S-SPD21
EMG20
D+SUB
D-SUB
V24(M)
GND(M)
IN137
IN042
ILK Board #1
To
Extension
Conveyor
(Left Side)
N610159603AG
CNEXL-S
1
2
3
4
5
6
7
8
9
10
11
12
13
14
15
16
17
18
19
20
21
22
23
24
25
26
V24(M)
GND(M)
EMG20
COMP
D+MAIN
D-MAIN
+24V
LN004
GND
LN005
GND
OT004
OT005
V24(C)
GND(C)
EMG10
OT124+
D+SUB
D-SUB
+24V
OT107
COM00
OT125+
COM00
NC
NC
UL#24 80/300-0.2mm2 BU
UL2464 (SPV840) 4P×24AWG(11/0.16TA) LF BK
RD
RD/WH
BK
BK/WH
GN
GN/WH
YE
YE/WH
CNEXL01
1
2
3
4
5
6
7
8
9
10
-A02
Power Unit 1
P24
G24
RL1
CHECK3
CHECK3
CHECK2
K1K2OUT
NC
NC
NC
P24(M)
GND(M)
P24(C)
GND(C)
M-REV21
OT122
M-SPD21
EMG11
D+Main
D-Main
OT117
IN230
IN231
G24EXL
IN237
P24
G24
OPENXL
CHECK3
CHECK3
K1K2OUT
CHECK2
P24
G24
RL1
+24V
IN135
OT107
P24(M)
GND(M)
S-REV21
OT123
S-SPD21
EMG20
D+SUB
D-SUB
IN137
JST
CNEXL-MK321
PUDP-30V-S
1
2
3
4
5
6
7
8
9
10
11
12
13
14
15
16
17
18
19
20
21
22
23
24
25
26
27
28
29
30
JST
CNEXL-SK321
PUDP-26V-S
1
2
3
4
5
6
7
8
9
10
11
12
13
14
15
16
17
18
19
20
21
22
23
24
25
26
MOLEX
CNEXL
51238-5011
A1
A2
A5
A6
B1
B2
B3
B4
B5
B6
C7
B8
D1
B7
D4
D6
D7
D8
D9
D10
E10
A7
A8
B10
D2
B9
C8
C9
E7
E6
E5
A3
A4
C1
C2
C3
C4
C5
C6
D5
C10
E8
E9
E1
E2
E3
E4
A9
D3
A10
IN230 P041-7B
IN231 P041-7B
G24EXL P041-7B
IN237 P041-7B
P24XLP P042-2B
G24XLP P042-2B
P24XLR P042-2C
G24XLR P042-2C
OPENXL P042-2C
OT117R-2 P038-7D
LB/WH
LB
PK/WH
PK
LG/WH
LG
VT/WH
VT
OG/WH
OG
GY/WH
GY
BU/WH
BU
BN/WH
BN
YE/WH
YE
GN/WH
GN
BK/WH
BK
RD/WH
RD
UL2464 (SPV840) 12P×24AWG(11/0.16TA) LF BK
GN/WH
GN
BK/WH
BK
RD/WH
RD
UL2464 (SPV840) 3P×24AWG(11/0.16TA) LF BK
Note1) Connector Pin arrangement is not sequential.
Note1)
MOLEX
CNEXL01R
5557-10R-210
1
2
3
4
5
6
7
8
9
10
3 4
2464C(BPF)VVP AWG#24×3P-B
5
2464C(BPF)VVP AWG#24×12P-B
5
5
2464-1061/ⅡA(PF) LF 4P×24AWG
3
U-TKVV 4P-AWG24
4
2464-1061/ⅡA(PF) LF 12P×24AWG
3
2464-1061/ⅡA(PF) LF 3P×24AWG
3
Panasonic Smart Factory Solutions Co.,Ltd. パナソニック スマートファクトリーソリューションズ株式会社
Name
Drawing No.
Loc. No.
F4K1020-05A
1
2 3 4 5 6 7 8
A
B
C
D
E
F
1 2 3 4 5 6 7 8
A
B
C
D
E
F
Page. No.
Main Body Wiring : NPM-D3
(Left Extension Conveyor I/F)
N610159580+039AF
P039