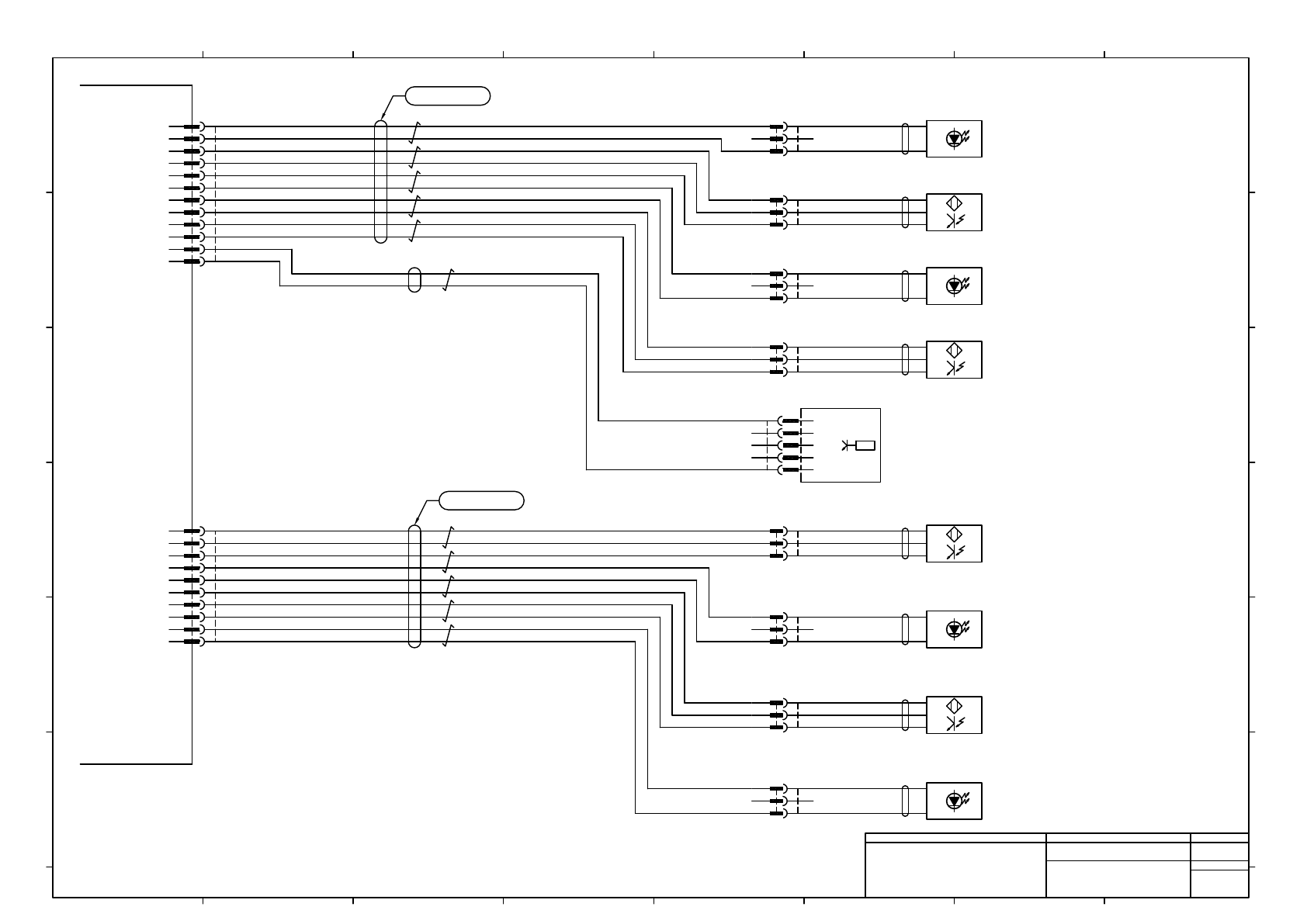
D3Wiring Diagram__N7205A106B.pdf - 第80页
-K322 PNF0B3 I/O Board CN16 Front Feeder Opening 3 (Receive Side) Front Feeder Opening 4 (Receive Side) Front Feeder Opening 2 (Receive Side) Front Feeder Opening 4 (Projection Side) Front Feeder Opening 3 (Projection Si…

-A02
Power Unit 1
ILK Board #1
-K321
PNF0B4
1
12
10
11
6
7
2
3
4
5
8
9
-B13
EE-SX914-C2J-R 0.3M
BN
BK
WH
BU
OMRON
-B14
EE-SX914-C2J-R 0.3M
BN
BK
WH
BU
OMRON
-B15
EE-SX914-C2J-R 0.3M
BN
BK
WH
BU
OMRON
-R11
VQZ212-5MOZ1-M5-X550
SMC
-B12
D-M9NV
BN
BK
BU
SMC
-B11
D-M9NV
BN
BK
BU
SMC
N610158338AD
UL#24 80/300-0.2mm2 BU BU UL#24 80/300-0.2mm2
UL#24 80/300-0.2mm2 BU BU UL#24 80/300-0.2mm2
UL#24 80/300-0.2mm2 BU BU UL#24 80/300-0.2mm2
UL#24 80/300-0.2mm2 BU BU UL#24 80/300-0.2mm2
UL#24 80/300-0.2mm2 BU BU UL#24 80/300-0.2mm2
UL#24 80/300-0.2mm2 BU BU UL#24 80/300-0.2mm2
UL#24 80/300-0.2mm2 BU UL#24 80/300-0.2mm2
UL#24 80/300-0.2mm2 BU UL#24 80/300-0.2mm2
UL#24 80/300-0.2mm2 BU UL#24 80/300-0.2mm2
UL#24 80/300-0.2mm2 BU UL#24 80/300-0.2mm2
UL#24 80/300-0.2mm2 BU UL#24 80/300-0.2mm2
BN/WH
BN
YE/WH
YE
GN/WH
GN
BK/WH
BK
RD/WH
RD
UL2464 (SPV840) 5P×24AWG(11/0.16TA) LF BK
JST
CHNG2
PAP-12V-S
1
12
10
11
6
7
2
3
4
5
8
9
AMP
B11P
177907-1
3
2
1
AMP
B11R
177899-1
3
2
1
AMP
B12P
177907-1
3
2
1
AMP
B12R
177899-1
3
2
1
AMP
B13P
177908-1
4
3
2
1
AMP
B13R
177900-1
4
3
2
1
AMP
B14P
177908-1
4
3
2
1
AMP
B14R
177900-1
4
3
2
1
AMP
B15P
177908-1
4
3
2
1
AMP
B15R
177900-1
4
3
2
1
AMP
B16P
177908-1
4
3
2
1
SMC
R11
SY100-29-1
-
+
CHNG2
CP+24V
24GND
D+SUB
D-SUB
R-NG-OP-IN
R-NG-CL-IN
RPLATE #0
RPLATE #1
RPLATE #2
IN031
R-NG-OP-OUT
R-NG-CL-OUT
AMP
B16R
177900-1
4
3
2
1
UL#24 80/300-0.2mm2 BU UL#24 80/300-0.2mm2
Plate Identification Bit0
Plate Identification Bit1
Plate Identification Bit2
Nozzle Changer
Shutter Open
Nozzle Changer
Shutter Close
Nozzle Changer
Shutter Open
Plate Identification Bit3
Note1) Connector Pin arrangement is not sequential.
Note1)
1
1
1
1
1
1
1
2
2464C(BPF)VVP AWG#24×5P-B
3
3
2464-1061/ⅡA(PF) LF 5P×24AWG
2
Panasonic Smart Factory Solutions Co.,Ltd. パナソニック スマートファクトリーソリューションズ株式会社
Name
Drawing No.
Loc. No.
F4K1020-05A
1
2 3 4 5 6 7 8
A
B
C
D
E
F
1 2 3 4 5 6 7 8
A
B
C
D
E
F
Page. No.
Main Body Wiring : NPM-D3
(Nozzle Changer Rear)
N610159580+030AD
P030

-K322
PNF0B3
I/O Board
CN16
Front Feeder Opening 3
(Receive Side)
Front Feeder Opening 4
(Receive Side)
Front Feeder Opening 2
(Receive Side)
Front Feeder Opening 4
(Projection Side)
Front Feeder Opening 3
(Projection Side)
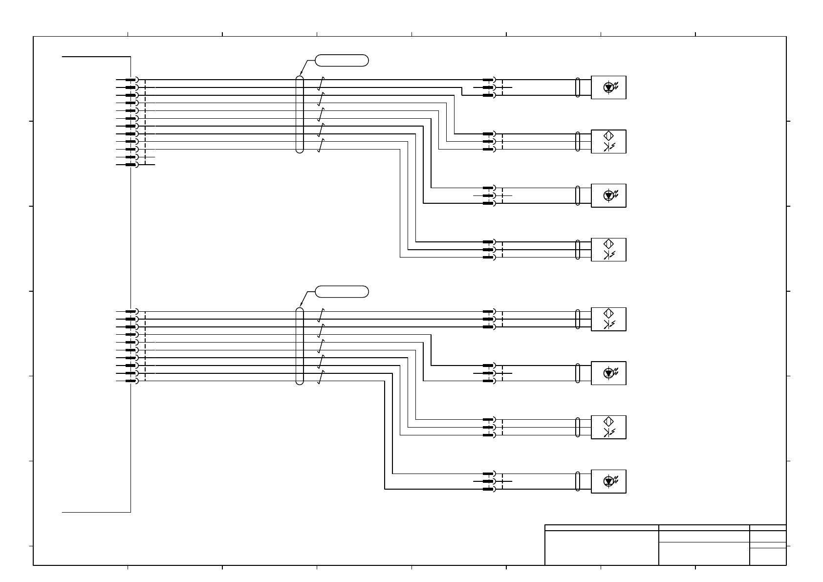
-B1202
EX-21A
BN
BK
BU
Sunx
-B1200T
EX-21A
BN
BU
Sunx
-B1201T
EX-21A
BN
BU
Sunx
-B1200
EX-21A
BN
BK
BU
Sunx
-B1201
EX-21A
BN
BK
BU
Sunx
-B1202T
EX-21A
BN
BU
Sunx
Front Feeder Opening 2
(Projection Side)
-B1203
EX-21A
BN
BK
BU
Sunx
-B1203T
EX-21A
BN
BU
Sunx
Front Feeder Opening 1
(Receive Side)
Front Feeder Opening 1
(Projection Side)
CNFOF
N610159633AE
N610159662AE
24VOUT
24GND
24VOUT
1
7
2
IN201
24GND
24VOUT
6
8
3
24GND
24VOUT
IN203
9
4
12
24GND
24VOUT
24GND
10
5
11
24VOUT
IN200
24GND
1
5
6
24VOUT
24GND
24VOUT
2
7
3
IN202
24GND
24VOUT
10
8
4
24GND
9
AMP
B1200TR
177899-1
3
2
1
AMP
B1200TP
177907-1
3
2
1
AMP
B1201R
177899-1
3
2
1
AMP
B1201P
177907-1
3
2
1
AMP
B1202TR
177899-1
3
2
1
AMP
B1202TP
177907-1
3
2
1
AMP
B1203R
177899-1
3
2
1
AMP
B1203P
177907-1
3
2
1
AMP
B1200R
177899-1
3
2
1
AMP
B1200P
177907-1
3
2
1
AMP
B1201TR
177899-1
3
2
1
AMP
B1201TP
177907-1
3
2
1
AMP
B1202R
177899-1
3
2
1
AMP
B1202P
177907-1
3
2
1
AMP
B1203TR
177899-1
3
2
1
AMP
B1203TP
177907-1
3
2
1
UL2464 (SPV840) 5P×24AWG(11/0.16TA) LF BK
BN/WH
BN
YE/WH
YE
GN/WH
GN
BK/WH
BK
RD/WH
RD
MOLEX
CN16K322
5557-12R-210
1
7
2
6
8
3
9
4
12
10
5
11
MOLEX
CNFOFK322
5557-10R-210
1
5
6
2
7
3
10
8
4
9
BN/WH
BN
YE/WH
YE
GN/WH
GN
BK/WH
BK
RD/WH
RD
Vacuum Break
Pressure Meter
24V
OUT1
OUT2
N.C.
GND
p
5
4
3
2
1
-B103X
ZSE30AF-C6L-N-MA1
SMC
JST
B103X
PAP-05V-S
1
2
3
4
5
UL2464 (SPV840) 5P×24AWG(11/0.16TA) LF BK
UL2464 (SPV840) 1P×24AWG(11/0.16TA) LF BK
BK
BK/WH
Note1) Connector Pin arrangement is not sequential.
Note1)
Note1)
2
2
2464C(BPF)VVP AWG#24×5P-B
3
4
2464C(BPF)VVP AWG#24×1P-B
4
2464C(BPF)VVP AWG#24×5P-B
4
3
4
4
2464-1061/ⅡA(PF) LF 5P×24AWG
2
2464-1061/ⅡA(PF) LF 5P×24AWG
2
2464-1061/ⅡA(PF) LF 1P×24AWG
2
Panasonic Smart Factory Solutions Co.,Ltd. パナソニック スマートファクトリーソリューションズ株式会社
Name
Drawing No.
Loc. No.
F4K1020-05A
1
2 3 4 5 6 7 8
A
B
C
D
E
F
1 2 3 4 5 6 7 8
A
B
C
D
E
F
Page. No.
Main Body Wiring : NPM-D3
(Front Sensor Wiring)
N610159580+031AE
P031

Rear Feeder Opening 3
(Receive Side)
Rear Feeder Opening 4
(Receive Side)
Rear Feeder Opening 2
(Receive Side)
Rear Feeder Opening 4
(Projection Side)
Rear Feeder Opening 3
(Projection Side)
-B1206
EX-21A
BN
BK
BU
Sunx
-B1204T
EX-21A
BN
BU
Sunx
-B1205T
EX-21A
BN
BU
Sunx
-B1204
EX-21A
BN
BK
BU
Sunx
-B1205
EX-21A
BN
BK
BU
Sunx
-B1206T
EX-21A
BN
BU
Sunx
Rear Feeder Opening 2
(Projection Side)
-B1207T
EX-21A
BN
BU
Sunx
-B1207
EX-21A
BN
BK
BU
Sunx
Rear Feeder Opening 1
(Receive Side)
Rear Feeder Opening 1
(Projection Side)
-K322
PNF0B3
I/O Board
CN15
CNFOR
N610159663AE
N610159664AE
24VOUT
24GND
24VOUT
1
7
2
IN205
24GND
24VOUT
6
8
3
24GND
24VOUT
IN207
9
4
12
24GND
24VOUT
24GND
10
5
11
24VOUT
IN204
24GND
1
5
6
24VOUT
24GND
24VOUT
2
7
3
IN206
24GND
24VOUT
10
8
4
24GND
9
AMP
B1204TR
177899-1
3
2
1
AMP
B1204TP
177907-1
3
2
1
AMP
B1205R
177899-1
3
2
1
AMP
B1205P
177907-1
3
2
1
AMP
B1206TR
177899-1
3
2
1
AMP
B1206TP
177907-1
3
2
1
AMP
B1207R
177899-1
3
2
1
AMP
B1207P
177907-1
3
2
1
AMP
B1204R
177899-1
3
2
1
AMP
B1204P
177907-1
3
2
1
AMP
B1205TR
177899-1
3
2
1
AMP
B1205TP
177907-1
3
2
1
AMP
B1206R
177899-1
3
2
1
AMP
B1206P
177907-1
3
2
1
AMP
B1207TR
177899-1
3
2
1
AMP
B1207TP
177907-1
3
2
1
UL2464 (SPV840) 5P×24AWG(11/0.16TA) LF BK
BN/WH
BN
YE/WH
YE
GN/WH
GN
BK/WH
BK
RD/WH
RD
UL2464 (SPV840) 5P×24AWG(11/0.16TA) LF BK
BN/WH
BN
YE/WH
YE
GN/WH
GN
BK/WH
BK
RD/WH
RD
MOLEX
CN15K322
5557-12R-210
1
7
2
6
8
3
9
4
12
10
5
11
MOLEX
CNFORK322
5557-10R-210
1
5
6
2
7
3
10
8
4
9
Note1) Connector Pin arrangement is not sequential.
Note1)
Note1)
2
2
2464C(BPF)VVP AWG#24×5P-B
3
4
2464C(BPF)VVP AWG#24×5P-B
4
3
4
4
2464-1061/ⅡA(PF) LF 5P×24AWG
2
2464-1061/ⅡA(PF) LF 5P×24AWG
2
Panasonic Smart Factory Solutions Co.,Ltd. パナソニック スマートファクトリーソリューションズ株式会社
Name
Drawing No.
Loc. No.
F4K1020-05A
1
2 3 4 5 6 7 8
A
B
C
D
E
F
1 2 3 4 5 6 7 8
A
B
C
D
E
F
Page. No.
Main Body Wiring : NPM-D3
(Rear Sensor Wiring)
N610159580+032AE
P032