D3Wiring Diagram__N7205A106B.pdf - 第26页
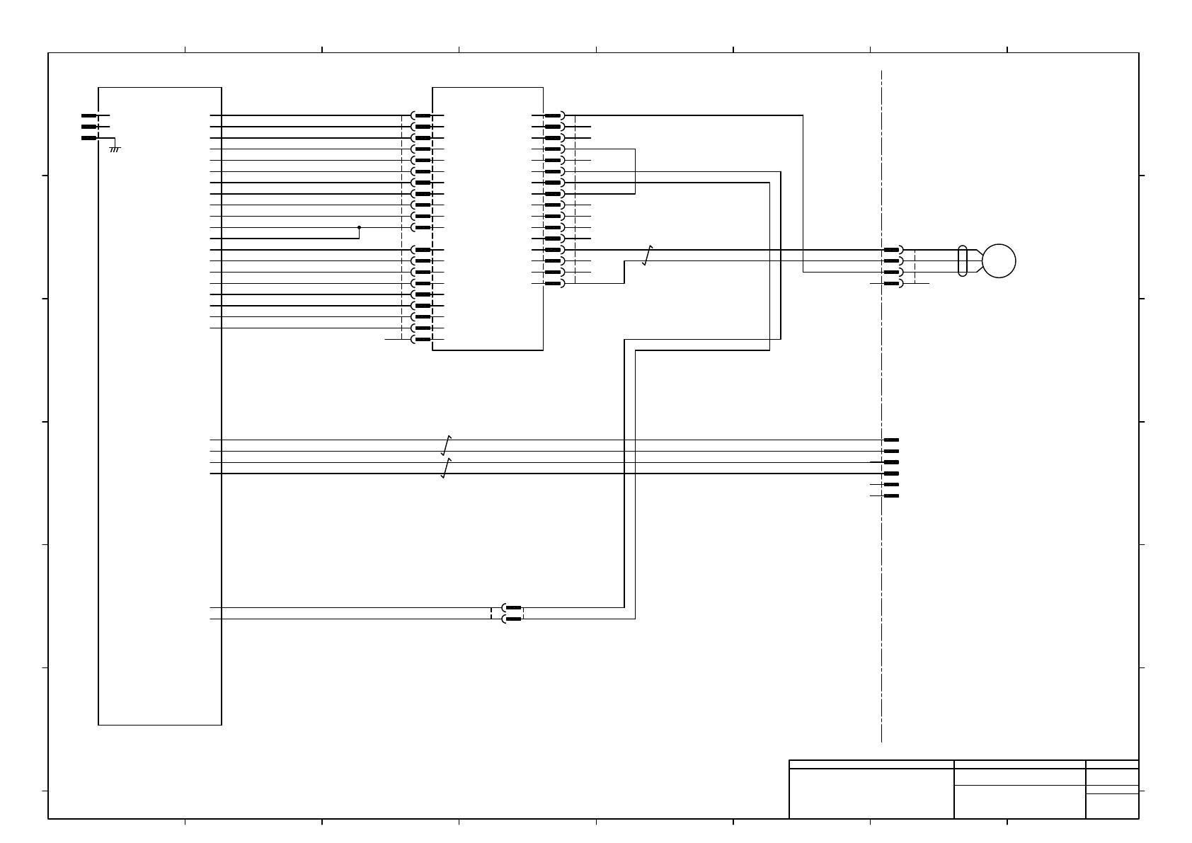
-T111 PCSF-200P-X2S3 NIPRON ATX POWER P N E ACIN(N) 20 19 15 14 13 12 18 11 10 9 8 7 6 5 4 3 2 1 5557-20R-210 P1 MOLEX 17 16 OG UL#18 80/300-0.75mm2 OG UL#18 80/300-0.75mm2 BK UL#18 80/300-0.75mm2 RD UL#18 80/300-0.75mm2…

M
IN AC200V
CN1
ATX POWER
-T111
P2 CN4
CN4
-G103
FAN
-K304
BUS BOARD
NBC-7153-01
J1
J2
1
1
1
1 1
1
P1
P3 P3
Panasonic Factory Solutions Co.,Ltd. パナソニック ファクトリーソリューションズ株式会社
Name
Drawing No.
Loc. No.
F4K1020-05A
1
2 3 4 5 6 7 8
A
B
C
D
E
F
1 2 3 4 5 6 7 8
A
B
C
D
E
F
Page. No.
CPU_BOX
(BLOCK diagram)
N610067516+002AC
P002
2

-T111
PCSF-200P-X2S3
NIPRON
ATX POWER
P
N
E
ACIN(N)
20
19
15
14
13
12
18
11
10
9
8
7
6
5
4
3
2
1
5557-20R-210
P1
MOLEX
17
16
OG
UL#18 80/300-0.75mm2
OG
UL#18 80/300-0.75mm2
BK
UL#18 80/300-0.75mm2
RD
UL#18 80/300-0.75mm2
BK
UL#18 80/300-0.75mm2
RD
UL#18 80/300-0.75mm2
BK
UL#18 80/300-0.75mm2
GY
UL#20 80/300-0.5mm2
VT
UL#20 80/300-0.5mm2
YE
UL#18 80/300-0.75mm2
OG
UL#20 80/300-0.5mm2
BN
UL#20 80/300-0.5mm2
BU
UL#20 80/300-0.5mm2
BK
UL#18 80/300-0.75mm2
GN
UL#20 80/300-0.5mm2
BK
UL#18 80/300-0.75mm2
RD
UL#18 80/300-0.75mm2
RD
UL#18 80/300-0.75mm2
BK
UL#18 80/300-0.75mm2
BK
UL#18 80/300-0.75mm2
-K304
NBC-7153-01
EBRAIN
J1
1
2
3
4
5
6
7
8
9
10
11
12
13
14
15
16
17
19
20
18
J2
1
2
3
4
5
6
7
8
9
10
11
12
13
14
15
16
YE
UL#24 80/300-0.2mm2
BK
UL#24 80/300-0.2mm2
1
2
3
4
5
6
7
8
XG5M-1632-N
J2
OMRON
9
10
11
12
13
14
15
16
BN
UL#24 80/300-0.2mm2
GN
UL#24 80/300-0.2mm2
FAN
BK
UL#20 80/300-0.5mm2
YE
UL#20 80/300-0.5mm2
BK
UL#20 80/300-0.5mm2
YE
UL#20 80/300-0.5mm2
+3.3V
+3.3V
COM
+5V
COM
+5V
COM
PWR_OK
+5VSB
+12V
+3.3V
3.3V_SENSOR
-12V
COM
PS_ON#
COM
COM
COM
+5V
+5V
+3.3V
+3.3V
COM
+5V
COM
+5V
COM
PWR_OK
+5VSB
+12V
+3.3V
-12V
COM
PS_ON#
COM
COM
COM
+5V
+5V
N.C
GND
PRST#
GND
FAL#
GND
DEG#
GND
PW_OK
GND
PS_ON
+5V
+5VSB
+12V
-12V
+3.3V
GND
COM
+12V
5559-02P-210
P3
MOLEX
1
2
ACIN(L)
GND
1
1
1
1
1 1
3
CN1
5559-06P-210
P2
MOLEX
1
3
4
6
2
5
COM
+12V
4
3
2
1
5559-04P-210
CN4
MOLEX
1
2
3
4
5557-04R-210
CN4
MOLEX
2
1
5557-02R-210
P3
MOLEX
FAN ARLARM
COM
BK
UL#24 80/300-0.2mm2
P3
1
1
1
1 1
M
-G103
109P0812H7D11
BN
YE
BK
Sanyo Denki
2
2
1
Panasonic Factory Solutions Co.,Ltd. パナソニック ファクトリーソリューションズ株式会社
Name
Drawing No.
Loc. No.
F4K1020-05A
1
2 3 4 5 6 7 8
A
B
C
D
E
F
1 2 3 4 5 6 7 8
A
B
C
D
E
F
Page. No.
CPU_BOX
(ATX POWER connecting)
N610067516+003AD
P003

1.
CONTROL BOX DIAGRAM
コントロール BOX 配線図
1-2 POWER UNIT 1
パワーユニット 1
EJM6DB-10-102-00