PTS-TULTC-03..pdf - 第75页
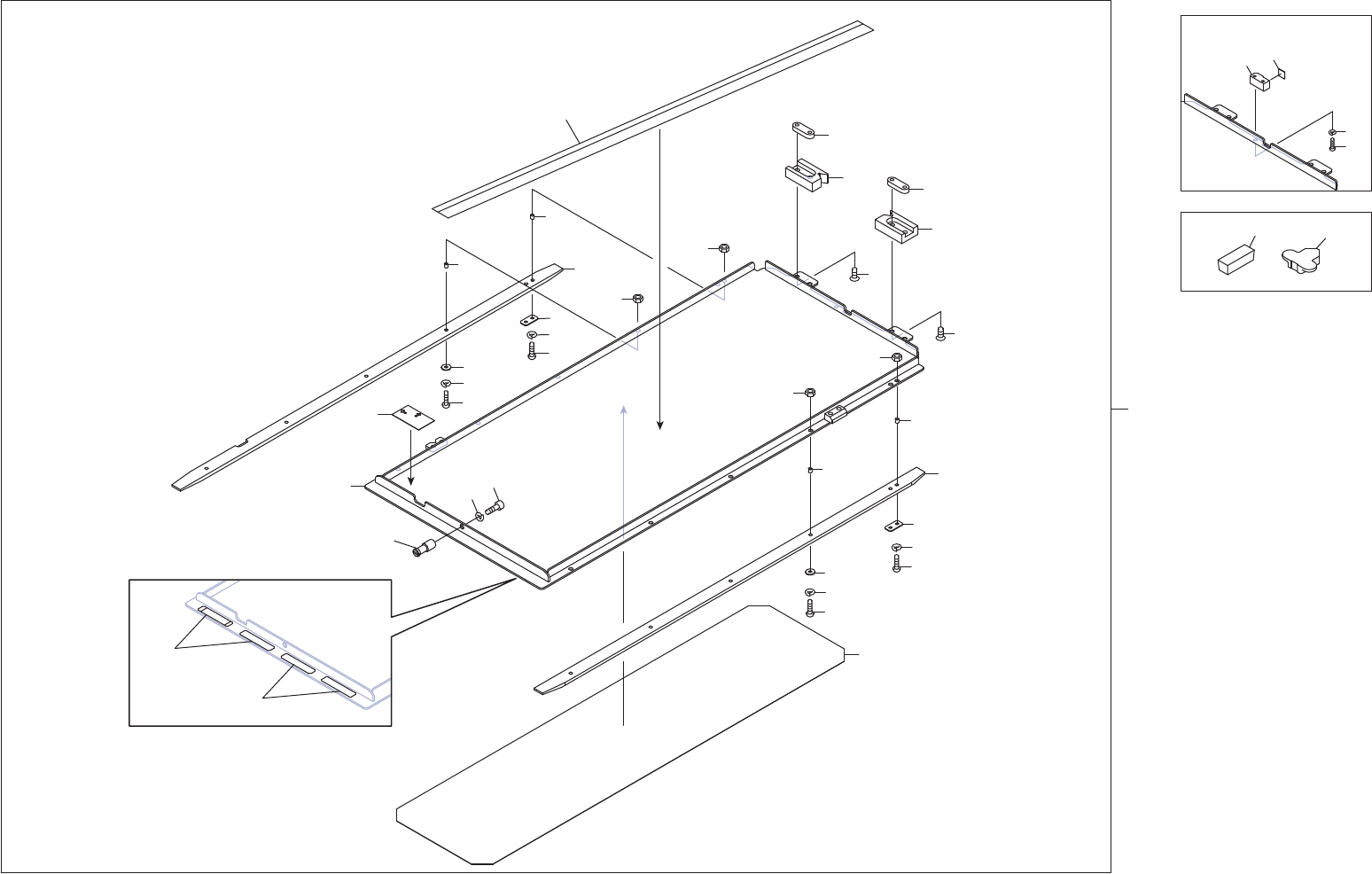
TRAY PALLET トレイパレット 2ADLTE001003 No. Drg.No. & Code No. QTY Description Rating Remarks 番号 図番 & コード番 号 個数 品名 規格 備考 1 AA82T0 9 1 PALLET パレット 2 2MDLTE 011201 1 PALL ET パレット 3 PZ086 22 1 SHEET シート 4 2MDLTE 001300 1 …

'RQRWSODFHDQREMHFWRQWKH\HOORZOLQHVRWKHUWKDQDSDUWWUD\QRWWRFXWWKHWUD\VHQVRUEHDP
㯤Ⰽ⥺ୖ⨨Ỵࡵࢭࣥࢧ࣮ࡢග㍈ࡀ㏻ࡾࡲࡍࡢ࡛ࠊࣃ࣮ࢶࢺࣞ௨እࡣ⨨࡞࠸࡛ୗࡉ࠸ࠋ
TS01A 123456-2
I I I I I I
ID OPTION
5HIHUHQFH6LGH
ᇶ‽㠃
2
20
22
23
5
6
7
8
8
9
9
10
10
10
14
15
16
17
31
32
10
11
11
12
12
11
12
11
12
13
13
13
13
21
6.1
41
43
44
42
3
4
22
23
1
2ADLTE001003
TRAY PALLET
ࢺࣞࣃࣞࢵࢺ
74
PTS- TULTC- 03

TRAY PALLET
トレイパレット
2ADLTE001003
No. Drg.No. & Code No. QTY Description Rating Remarks
番号 図番 & コード番号 個数 品名 規格 備考
1 AA82T09 1 PALLET
パレット
2 2MDLTE011201 1 PALLET
パレット
3 PZ08622 1 SHEET
シート
4 2MDLTE001300 1 NAMEPLATE
銘板
5 PM0BYT2 1 KNOB
ツマミ
6 H54251 1 BOLT, HEX SOCKET
ボルト 六角穴
M03X006(3カ シロ)
6.1 W1106C 1 WASHER, LOCK
ワッシャ スプリング
3M/M(3カ シロ)
7 PJ21681 1 RAIL
レール
8 PB88960 2 SHIM
シム
9 PB86720 8 COLLAR
カラー
10 PB96450 12 PIPE
パイプ
11 K51726 12 SCREW, C/R PAN
小ネジ 十穴鍋
M02X006 0バン1シュ(ステンレス)
12 W1106B 12 WASHER, LOCK
ワッシャ スプリング
2M/M(3カ シロ)
13 N1074A 12 NUT, HEX
ナット 六角
M02(ステンレス)
14 PJ21671 1 RAIL
レール
15 PX08281 1 NAMEPLATE
銘板
SET
16 PX05831 1 SEAL, BAR CODE
シール バーコード
SET
17 PX09341 1 SEAL, BAR CODE
シール バーコード
SET, unit serial number
20 2MDLTE011000 1 V BLOCK, V
ヤゲン V
21 2MDLTE011100 1 V BLOCK, V
ヤゲン V
22 K51693 4 SCREW, C/R COUNTERSUNK
小ネジ 十穴皿
M02.5X008(ステンレス)
23 2MDLTE009900 2 NUT
ナット
31 2MDLTC051700 1 GUIDE, SIDE
ガイド サイド
32 ABHTA2082 3 GUIDE, SIDE
ガイド サイド
41 2MDLTE021400 1 BKT, SENSOR
BKT センサ
ID OPTION
42 T64739 1 TAG, RFID
タグ RFID
ST-5.5X5.5BPET-NN ID OPTION
43 K5173Z 2 SCREW, C/R PAN
小ネジ 十穴鍋
M02X007 0バン1シュ(ステンレス)
ID OPTION
44 W1106B 2 WASHER, LOCK
ワッシャ スプリング
2M/M(3カ シロ)
ID OPTION
75
PTS- TULTC- 03

Ref.2/2
࠙㹓㹊㸰ࠚ
࠙㹓㹐㸰ࠚ
㹒㸰㹑㹍㹊㸴
ࣥࢡࣛࣥࣉ
㹒㸰㹑㹍㹊㸳
ࢡࣛࣥࣉ
㹀㸿
㹒㸰㹊㹑㸯㸴 㹒㸰㹊㹑㸯㸳 㹒㸰㹊㹑㸯㸶㹒㸰㹊㹑㸯㸵
࠙㸴ࠚ࠙㸳ࠚ
㸯㸴㹶㸯㸮㹱㹲㸯㸴㹶㸯㸮㹱㹲
㹒㸰㹊㹑㸯㸰 㹒㸰㹊㹑㸯㸲㹒㸰㹊㹑㸯㸱㹒㸰㹊㹑㸯㸯
࠙㸱ࠚ
㸯㸴㹶㸯㸮㹱㹲 㸯㸴㹶㸯㸮㹱㹲
㹒㸰㹑㹍㹊㸲
ࣥࢡࣛࣥࣉ
㹒㸰㹑㹍㹊㸱
ࢡࣛࣥࣉ
࠙㹒㸰ࠚ
㹀㸿
࠙㸲ࠚ
ࣥࢡࣛࣥࣉࢡࣛࣥࣉ
81&/$03&/$03
ࣥࢡࣛࣥࣉࢡࣛࣥࣉ
81&/$03&/$03
ࣉࢵࢩ࣮ࣕ㸦ୗ㸧
PUSHER㸦LOWER㸧
ࢱ࣮࣡㒊ࣃࣞࢵࢺࢡࣛࣥࣉࠉ㸦ୖ㸧
TOWER PALLET CLAMPࠉ㸦UPPER㸧
ࢱ࣮࣡㒊ࣃࣞࢵࢺࢡࣛࣥࣉࠉ㸦ୗ㸧
TOWER PALLET CLAMPࠉ㸦LOWER㸧
UNCLAMPCLAMP UNCLAMPCLAMP
'2256,'(386+(5
ᡬഃࣉࢵࢩ࣮ࣕ
81&/$03&/$03
81&/$03
&/$03
UNCLAMPCLAMP
UNCLAMPCLAMP
ࣉࢵࢩ࣮ࣕ㸦୰㸧
PUSHER㸦MIDDLE㸧
SUPPLY CLAW OPEN/CLOSE
౪⤥㒊∎㛤㛢
SUPPLY CLAW OPEN/CLOSE
౪⤥㒊∎㛤㛢
ࣥࢡࣛࣥࣉ
ࢡࣛࣥࣉ
81&/$03 &/$03
ᒓရࢆ⏝㸦㹎࣏࣮ࢺ㸧
8VHGIRUDWWDFKHGXQLWVSSRUW
27
44
16
1515
1616
3528
30
30
28
28
44
42 43
42 43
43
43
42
43
42
37
37
35
35
6
13
38
27
20
20
20
35
35
28 35
36
27
35
16
28 28
16 16
15
15
16
2828
28
28
35
28
30
30
28
13 6
38
16
142141
140139
156
143
144 145
119118
117
116
152115
114 151
113
112 112
103 149
105
104
150
108
106
109
111
110
107
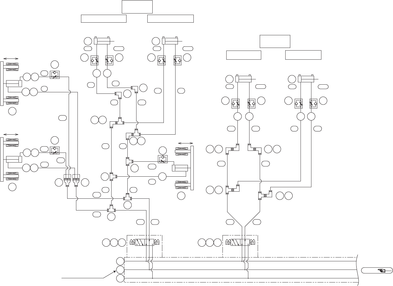
2QDLTE000735
ࢺࣞࣘࢽࢵࢺ/7&࢚࣮㓄⟶ᅗ
TRAY UNIT-LTC PNEUMATIC CIRCUIT DIAGRAM 1/2
76
PTS- TULTC- 03