PTS-TULTC-03..pdf - 第78页
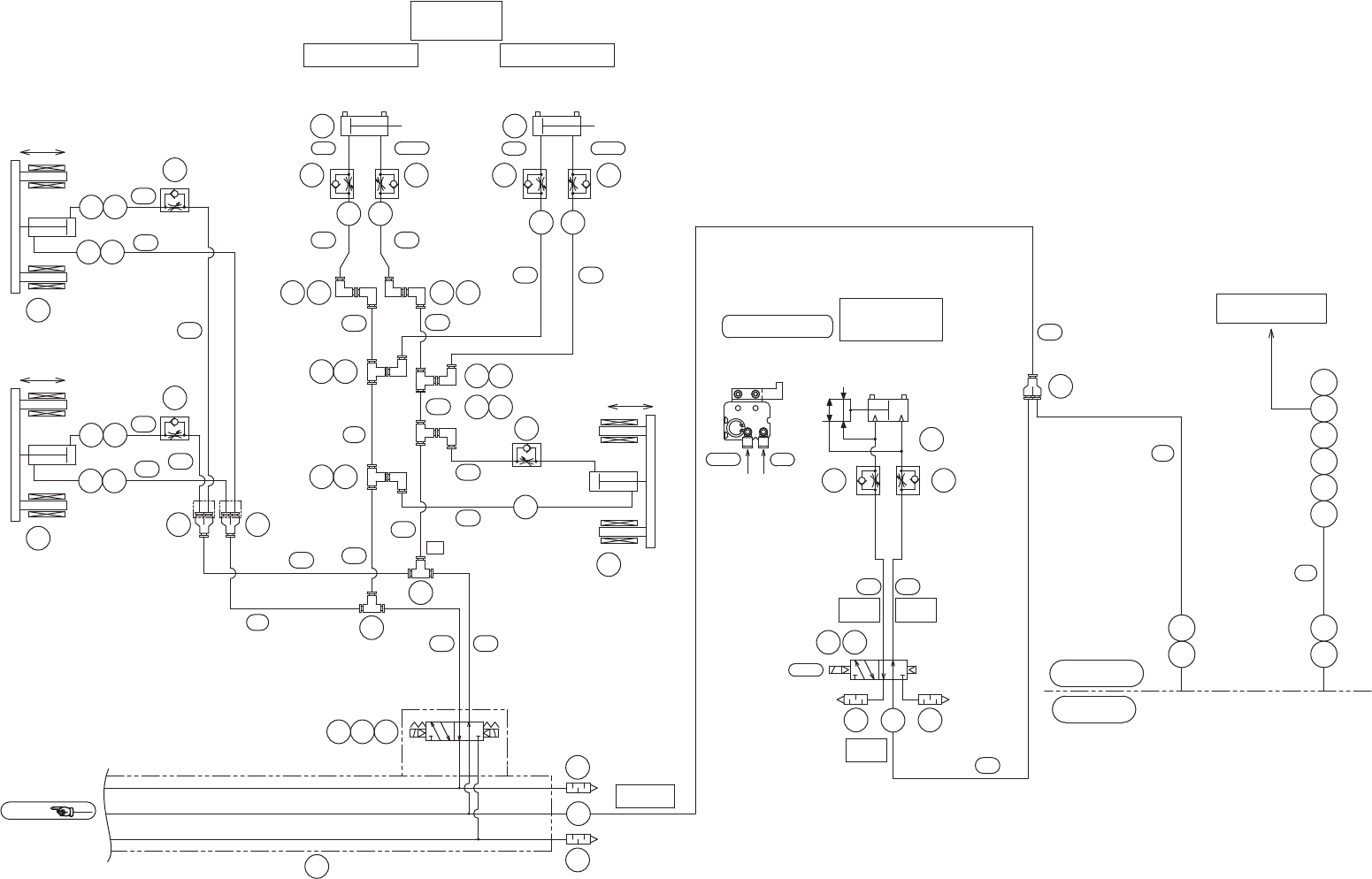
TRAY UNIT-LTC PNEUMATIC CIRCUIT DIAGRAM トレイユニット-LTC エアー配管図 2QDLTE000735 No. Drg.No. & Code No. QTY Description Rating Remarks 番号 図番 & コード番 号 個数 品名 規格 備考 1 S1056 E 2 SILE NCER サイレンサ AN103 -01 5 M1034 F 1 MANIFOLD…

Ref.1/2
ࣥࢡࣛࣥࣉࢡࣛࣥࣉ
81&/$03
&/$03
࠙㹓㹐㸯ࠚ
ࣥࢡࣛࣥࣉࢡࣛࣥࣉ
81&/$03&/$03
࠙㹓㹊㸯ࠚ
&/$03
㸿㹀
81&/$03
㹒㸰㹑㹍㹊㸰
ࣥࢡࣛࣥࣉ
㹒㸰㹑㹍㹊㸯
ࢡࣛࣥࣉ
࠙㹒㸯ࠚ
'2256,'(386+(5
ᡬഃࣉࢵࢩ࣮ࣕ
ࣥࢡࣛࣥࣉ
ࢡࣛࣥࣉ
81&/$03
&/$03
㹒㸰㹑㹍㹊㸵
㸿㹀
㸿
㹀
ࣉࢵࢩ࣮ࣕ㸦ୖ㸧
386+(5㸦833(5㸧
ࢱ࣮࣡㒊ࣃࣞࢵࢺࢡࣛࣥࣉࠉ㸦ୖ㸧 ࢱ࣮࣡㒊ࣃࣞࢵࢺࢡࣛࣥࣉࠉ㸦ୗ㸧
72:(53$//(7&/$03ࠉ㸦833(5㸧 72:(53$//(7&/$03ࠉ㸦/2:(5㸧
CLAMP
㹒㸰㹊㹑㸷㹒㸰㹊㹑㸵
㸯㸴㹶㸯㸮㹱㹲
㹒㸰㹊㹑㸶 㹒㸰㹊㹑㸯㸮
㸯㸴㹶㸯㸮㹱㹲
CLAMP
0$&+,1(6,'(
⨨ഃ
75$<81,76,'(
ࢺࣞࣘࢽࢵࢺഃ
CLAMP
3$//(7&+8&.
ࣃࣞࢵࢺࢳࣕࢵࢡ
㹀࡛ࢳࣕࢵࢡ㸦㹁㹗㹊㛤㸧
㸿࡛ࣥࢳࣕࢵࢡ㸦㹁㹗㹊㛢㸧
㹒㸰㹊㹑㸱
㹒㸰㹊㹑㸰
㸰㸮㹶㸯㸳
81&/$03
UNCLAMP
UNCLAMP
UNCLAMP
',3)/8;81,7
ࢹࣇࢵࣉࣇࣛࢵࢡࢫࣘࢽࢵࢺ
࠙㸰ࠚ࠙㸯ࠚ
3࣐ࢽ࣮࣍ࣝࢻ
30$1,)2/'
㹀ࢳࣕࢵࢡ
%&+8&.
㸿ࢳࣕࢵࢡ
$&+8&.
㹎ࢳࣕࢵࢡ
3&+8&.
3737
42
43
42
43
43
125
4342
4342
27
44
121
153120
122
124
35
35
127
44
27
126
123
5
28
2835
38
155
154
35 28
28
134
133
35
132
131
129
128
13
6
35
130
3028
136135
2828
30 28
16 16
15
138137
36
15
1616
2828
26
1
1
10
147
12
148
11
8
11
146
38
99
25
102
45
29
46
45
47
41
27
24 18
101
31 31
157
2QDLTE000735
ࢺࣞࣘࢽࢵࢺ/7&࢚࣮㓄⟶ᅗ
TRAY UNIT-LTC PNEUMATIC CIRCUIT DIAGRAM 2/2
77
PTS- TULTC- 03

TRAY UNIT-LTC PNEUMATIC CIRCUIT DIAGRAM
トレイユニット-LTC エアー配管図
2QDLTE000735
No. Drg.No. & Code No. QTY Description Rating Remarks
番号 図番 & コード番号 個数 品名 規格 備考
1 S1056E 2 SILENCER
サイレンサ
AN103-01
5 M1034F 1 MANIFOLD, AIR
マニホールド エアー
SS5Y3-41-03-C4
6 H1337K 3 VALVE, SOL
バルブ SOL
SY3240-5LOZ
8 Y60201 1 UNION, HALF
ユニオン ハーフ
KQ2S06-M5A
9 K5337G 2 CONTROLLER, SPEED
コントローラ スピード
AS1201F-M5-04 (シロ)
10 XS01871 1 CYLINDER
シリンダ
11 S1058A 2 SILENCER
サイレンサ
AN120-M5
12 H11356 1 VALVE, SOL
バルブ SOL
SY3120-5M0-C4-F2
13 K4005M 3 CABLE
ケーブル
SY100-30-4A-10
15 S2198B 6 CYLINDER, AIR
シリンダ エアー
SMD2-L-DA-16-10-K2H3-D
16 K5337G 12 CONTROLLER, SPEED
コントローラ スピード
AS1201F-M5-04 (シロ)
18 Y60244 1 UNION, ELBOW
ユニオン エルボ
KQ2L06-02S
20 H31450 2 PLUG
プラグ
1/8
24 Y60296 1 UNION, ELBOW
ユニオン エルボ
KQ2L08-02AS
25 Y60209 1 CONNECTOR
コネクタ
KQ2U06-08A
26 Y60192 1 UNION, ELBOW
ユニオン エルボ
KQ2L06-01AS
27 S2198B 6 CYLINDER, AIR
シリンダ エアー
SMD2-L-DA-16-10-K2H3-D
28 Y60235 22 UNION, ELBOW
ユニオン エルボ
KQ2L04-99A
29 Y60416 1 UNION
ユニオン
KQ2E06-00A
30 Y60338 6 UNION, ELBOW
ユニオン エルボ
KQ2L04-00A
31 XP00660 2 PLUG, COUPLER
プラグ カプラ
35 Y60219 14 UNION
ユニオン
KQ2T04-00A
36 K53227 2 CONTROLLER, SPEED
コントローラ スピード
SC3W-M5-4-IO
37 Y60282 4 UNION
ユニオン
KQ2U04-00A
38 K5077H 4 CONNECTOR
コネクタ
SY100-30-4A-20
41 H3145L 1 PLUG
プラグ
KQ2P-06
42 A4090A 8 ELBOW, UNIVERSAL
エルボ ユニバーサル
M-5UL
43 Y60181 10 UNION, ELBOW
ユニオン エルボ
KQ2L04-M5A
44 K53228 4 CONTROLLER, SPEED
コントローラ スピード
SCL2-04-H44-F
45 N2033X 2 NIPPLE
ニップル
KQ2N06-99
46 Y60329 1 UNION, ELBOW
ユニオン エルボ
KQ2L06-00A
47 H1059D 1 VALVE, STOP
バルブ ストップ
VHK2-06F-06F
101 PZ53131 1 TUBE
チューブ
102 2MDLTE017600 1 TUBE
チューブ
103 PZ41241 1 TUBE
チューブ
104 2MDLTE016900 1 TUBE
チューブ
105 2MDLTE017000 1 TUBE
チューブ
106 PZ41271 1 TUBE
チューブ
107 PZ41282 1 TUBE
チューブ
108 PZ41291 1 TUBE
チューブ
109 PZ41301 1 TUBE
チューブ
110 PZ41311 1 TUBE
チューブ
111 PZ41321 1 TUBE
チューブ
112 2MDLTE017100 2 TUBE
チューブ
113 2MDLTE017400 1 TUBE
チューブ
114 2MDLTE017500 1 TUBE
チューブ
115 PZ41361 1 TUBE
チューブ
116 PZ41371 1 TUBE
チューブ
117 PZ41381 1 TUBE
チューブ
118 PZ41392 1 TUBE
チューブ
119 PZ41402 1 TUBE
チューブ
78
PTS- TULTC- 03

TRAY UNIT-LTC PNEUMATIC CIRCUIT DIAGRAM
トレイユニット-LTC エアー配管図
2QDLTE000735
No. Drg.No. & Code No. QTY Description Rating Remarks
番号 図番 & コード番号 個数 品名 規格 備考
120 PZ41411 1 TUBE
チューブ
121 PZ53141 1 TUBE
チューブ
122 2MDLTE017700 1 TUBE
チューブ
123 PZ41440 1 TUBE
チューブ
124 PZ53152 1 TUBE
チューブ
125 PZ53162 1 TUBE
チューブ
126 PZ41471 1 TUBE
チューブ
127 PZ53171 1 TUBE
チューブ
128 PZ53182 1 TUBE
チューブ
129 PZ53232 1 TUBE
チューブ
130 2MDLTE017800 1 TUBE
チューブ
131 PZ41520 1 TUBE
チューブ
132 PZ41531 1 TUBE
チューブ
133 PZ41541 1 TUBE
チューブ
134 PZ41551 1 TUBE
チューブ
135 PZ41562 1 TUBE
チューブ
136 PZ41572 1 TUBE
チューブ
137 PZ41583 1 TUBE
チューブ
138 PZ41592 1 TUBE
チューブ
139 2MDLTE018000 1 TUBE
チューブ
140 2MDLTE018100 1 TUBE
チューブ
141 PZ41622 1 TUBE
チューブ
142 PZ41632 1 TUBE
チューブ
143 PZ41642 1 TUBE
チューブ
144 PZ53192 1 TUBE
チューブ
145 PZ41662 1 TUBE
チューブ
146 PZ53201 1 TUBE
チューブ
147 PZ53211 1 TUBE
チューブ
148 PZ53221 1 TUBE
チューブ
149 PZ42301 1 TUBE
チューブ
150 2MDLTE018200 1 TUBE
チューブ
151 2MDLTE018300 1 TUBE
チューブ
152 PZ42331 1 TUBE
チューブ
153 PZ42341 1 TUBE
チューブ
154 2MDLTE018400 1 TUBE
チューブ
155 2MDLTE017900 1 TUBE
チューブ
156 PZ42382 1 TUBE
チューブ
157 2MDLTE009700 1 HOSE, AIR
ホース エアー
79
PTS- TULTC- 03