TR518_SII_硬体规格与架构_v1.0.0.pdf - 第9页
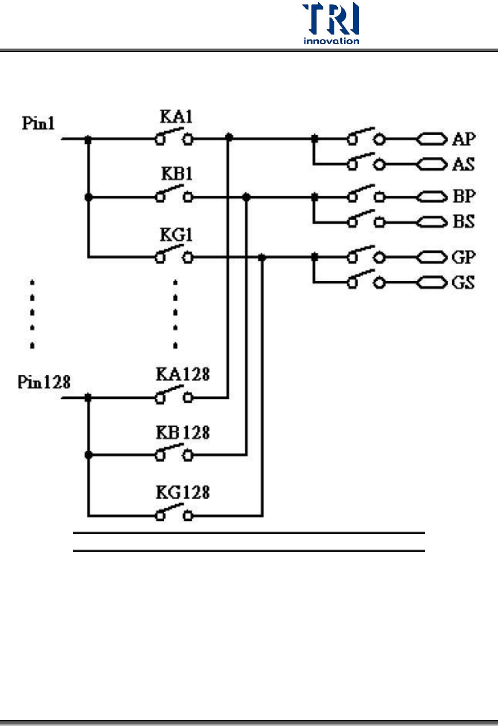
Test R esearch Inc. TR518 SII 使用手冊 --- 硬體 規格與架構 7 2.4 TR518 SII Switc h Board 圖解 Figure 2 : Bloc k Diagram – 開關板

Test Research Inc.
6 TR518 SII 使用手冊---硬體規格與架構
2.2 TR518 SII 系統架構板列表
Board
Name
Function
ATM
Analog Test Module
能測試類比電路,.可以跟 MDA 作互換
SWB
Switch Board #N (N: 1..20)
提供待測板類比測試的通道
2.3 治具選配零組件
Card Name
Description
Mux Card
TestJet Mux Card

Test Research Inc.
TR518 SII 使用手冊---硬體規格與架構 7
2.4 TR518 SII Switch Board 圖解
Figure 2: Block Diagram –
開關板
