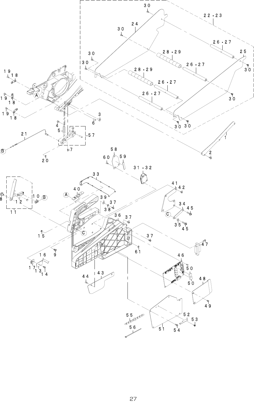
RF04AS_RF08AS_RF12AS_RF16AS_RF24AS_RF32AS_RF44AS_RF56AS_RF72AS_RF88AS-Rev08.pdf - 第30页
- - 14. RF72AS,RF72AS(SP),RF8 8AS(4)

- -
REF.
NO
NOT-REPLACEABLE
PARTS
NOTE PARTNO DESCRIPTION Qty
1 402-07091 SENSOR_OPEN_CAP 1
2 401-62445 ETFREFLECTIVESENSPCBASM 1
3 401-98996 BINDING_MEC_SCREW_M26X6 1
4 401-90456 TENSION_SENS_FPC_R32 1
5
●
402-44435 MOTOR_ASSY_L 1
6 CM-3003000-01 HIGHTEMPARATURECAUTIONLABEL2(16) 1
7 402-53244 PULL_GEAR_E_R72 1
8 402-53248 PULL_GEAR_A_R72_ASSY 1
9 402-53249 PULL_GEAR_B_R72_ASSY 1
10 401-98996 BINDING_MEC_SCREW_M26X6 2
11 401-89109 PULL_GEAR_COVER 1
12 401-89110 LOW_HEAD_SCREW_M26_L4 6
13 402-53247 PULL_DRIVE_GEAR_R72 1
14 401-89129 PULL_GEAR_SPACER 1
15 E3856-721-000 ACLOTHESPAPER 1
16 402-30171 SUPER_LOW_HEAD_SCREW_M3X6 1
17 401-71822 SFBS-M3_L6 2
18 401-67213 SLIDE_RAIL 1
19 SL-4860891-SC SCREWM2.6L=8 3
20 401-67213 SLIDE_RAIL 1
21 402-30172 SUB_RAIL_BR_R72 1
22 NM-6020001-SC NUTM2X0.4TYPE1 3
23 WP-0220301-SC WASHERM2 6
24 401-67211 X_AXIS_BASE_PIN_1 2
25
○
401-67212 X_AXIS_BASE_PIN_2 1
26 SM-8030302-TP SCREWM3X3 3
27 401-67290 LOCATE_PIN_A 1
28 401-67291 LOCATE_PIN_BASE 2
29 402-30173 SUB_LOCATE_BLOCK_R72 1
30
#01
402-30190 FRAME_SH_R72 2
31
#02
402-30215 FRAME_SH_R88 2
32 400-52050 SCREWM3X6MEC 3
33
#01
402-33591 TENSIONER_ARM_ASSY_R72 1
34
#02
402-33607 TENSIONER_ARM_ASSY_R88 1
35
#01
402-33592 TENSIONER_ARM_SUB_ASSY_R72 (1)
36
#02
402-33608 TENSIONER_ARM_SUB_ASSY_R88 (1)
37
#01
402-30196 T_ROLLER_MAIN_SH_R72 (1)
38
#02
402-30220 T_ROLLER_MAIN_SH_R88 (1)
39
#01
401-89139 T_ROLLER (2)
40
#01
401-89140 T_ROLLER_SPACER (2)
41
#01
402-30169 T_ROLLER_SPACER_L16 (1)
42
#02
402-30169 T_ROLLER_SPACER_L16 (2)
43 401-72655 TENSIONER_SP_12K (1)
44
#02
401-89139 T_ROLLER (2)
45
#02
401-89140 T_ROLLER_SPACER (2)
46 401-89573 TENSIONER_REFLECTOR_R (1)
47
#01
402-33593 PULL_IDLER_ARM_ASSY_R72 1
48
#02
402-33609 PULL_IDLER_ARM_ASSY_R88 1
49 401-76841 KEEP_HANDS_AWAY_LABEL (1)
50
#01
401-89122 PULL_IDLER_GEAR (1)
51
#01
401-74648 PULL_IDLER_GEAR_EXTENSION (5)
52
#02
401-74648 PULL_IDLER_GEAR_EXTENSION (6)
53
#01
402-30168 ID_GEAR_SPACER_L4 (1)
54
#02
402-30168 ID_GEAR_SPACER_L4 (2)
55
#01
WP-0430801-SC WASHERM4 (1)
56
#01
402-30189 IDLER_GEAR_SH_R72 (1)
57
#02
402-30218 IDLER_GEAR_SH_R88 (1)
58 RE-0250000-K0 E-RING2.5 (2)
59
#02
401-89122 PULL_IDLER_GEAR (1)
60
#02
WP-0430801-SC WASHERM4 (1)
61
#01
402-30188 PULL_IDLER_ARM_R72 (1)
62
#02
402-30217 PULL_IDLER_ARM_R88 (1)
63 401-89197 ARM_SH_HOLDER_A (1)
64
#01
402-30187 PULL_UPPER_SCRAPER_BASE_R72 (1)
65
#02
402-30216 PULL_UPPER_SCRAPER_BASE_R88 (1)
66 400-55256 SCREWM3X5MEC (5)
67
#01
401-89117 PULL_UPPER_SCRAPER (5)
68
#02
401-89117 PULL_UPPER_SCRAPER (6)
69
#01
EZ-4453818-01 BOLT(CBSTSR3-5) (10)
70
#02
EZ-4453818-01 BOLT(CBSTSR3-5) (12)
71
#01
402-30199 PULL_IDLER_ARM_SP_L_R72 1
72
#02
402-30211 PULL_IDLER_ARM_SP_L_R88 1
73
#01
402-30200 PULL_IDLER_ARM_SP_R_R72 1
74
#02
402-30212 PULL_IDLER_ARM_SP_R_R88 1
75
#01
401-89128 PULL_DRIVE_EXTENSION 5
76
#02
401-89128 PULL_DRIVE_EXTENSION 6
77
#01
402-33594 PULL_LOWER_SCRAPER_ASSY_R72 1
78
#02
402-33610 PULL_LOWER_SCRAPER_ASSY_R88 1
79
#01
402-30195 PULL_LOWER_SCRAPER_BASE_R72 (1)
80
#02
402-30219 PULL_LOWER_SCRAPER_BASE_R88 (1)
81
#01
401-89126 PULL_LOWER_SCRAPER (5)
82
#02
401-89126 PULL_LOWER_SCRAPER (6)
83
#01
EZ-4453818-01 BOLT(CBSTSR3-5) (10)
84
#02
EZ-4453818-01 BOLT(CBSTSR3-5) (12)
85 400-52050 SCREWM3X6MEC 1
86 402-40925 PULL_GEAR_JOINT_L4_ASSY 3
87
#01
402-42269 FRAME_SH_R72_H 1
88
#02
402-42270 FRAME_SH_R88_H 1

- -
14.RF72AS,RF72AS(SP),RF88AS(4)

- -
REF.
NO
NOT-REPLACEABLE
PARTS
NOTE PARTNO DESCRIPTION Qty
1 401-89106 CABLE_COVER 1
2 SL-4860891-SC SCREWM2.6L=8 4
3 401-67218 CLAMP_MAIN_SH 1
4 401-67279 COVER_CS_SCREW_MAC_M26X6 1
5 401-67265 CLAMP_SP 1
6 401-67216 GEAR_SH_08K 1
7 SM-8030602-TP SCREWM3X0.5L=6 1
8 401-67237 CLAMP_LEVER_PIN 1
9 402-02970 SFBS-M3_L6_MEC 1
10 401-67238 CLAMP_SPRING_GUIDE 1
11 402-04901 CLAMP_LEVER_SUB_ASSY_R08 1
12 401-89573 TENSIONER_REFLECTOR_R (1)
13 401-62445 ETFREFLECTIVESENSPCBASM 1
14 401-98996 BINDING_MEC_SCREW_M26X6 1
15 NM-6860003-SC NUTM2.6TYPE3 1
16 401-66940 LOCKSENSFPC 1
17 402-07091 SENSOR_OPEN_CAP 1
18 401-67250 CLAMP_WIRE_GUIDE_B 3
19 401-67279 COVER_CS_SCREW_MAC_M26X6 6
20 RE-0250000-K0 E-RING2.5 1
21 401-91037 CLAMP_WIRE_R32 1
22
#01
402-33597 REELHOLDER_UNIT_R72 1
23
#02
402-33612 REELHOLDER_UNIT_R88 1
24 402-30227 REEL_HOLDER_PLATE_S_L (1)
25 402-30228 REEL_HOLDER_PLATE_S_R (1)
26
#01
402-30229 REEL_HOLDER_SH_S_R72 (4)
27
#02
402-30230 REEL_HOLDER_SH_S_R88 (4)
28
#01
402-30231 ROLLER_16 (12)
29
#02
402-30231 ROLLER_16 (14)
30 402-30171 SUPER_LOW_HEAD_SCREW_M3X6 (8)
31 401-67233 DUMMY_SENSOR 1
32
#03
401-66944 SPLICESENSOR 1
33 402-07093 REAR_CABLE_COVER_S_ASSY 1
34 402-37523 CONNECTION_PLATE 1
35 402-37524 WASHER_3_6_08 1
36 401-89150 HANDLE_R32 1
37 401-98996 BINDING_MEC_SCREW_M26X6 3
38 WS-0270002-KN SPRINGWASHERM2.6 3
39 WP-0280501-SC WASHERM2.6 3
40 401-66942 MENBRANESWITCH 1
41 402-37028 HANDLE_REINFORCED_PLATE_R72 1
42 401-97340 COVER_CS_SCREW_MEC_M26X12 4
43 401-67253 EXTENSION_PLATE 1
44 401-67280 COVER_SC_TAPPING_SCREW_M26X6 2
45 SL-4861291-SC SCREWM2.6L=12 2
46
●
401-66952 ETF12MAINPCBASM 1
47 ST-4860821-SN TAPPINGSCREWM2.5X8 2
48 401-72665 HEAT_SINK_PLATE_12K 1
49 401-67279 COVER_CS_SCREW_MAC_M26X6 2
50 401-66943 RADIATIONSHEET 2
51 401-89151 PCB_COVER 1
52 401-89152 E_PLATE 1
53 401-67277 SUPER_LOW_HEAD_SCREW_M26X4 2
54 SL-4860891-SC SCREWM2.6L=8 5
55 HX-0031400-00 SPIRALTUBE 0.14
56 EA-9500B00-00 CABLEBAND 3
57 401-69546 CLAMP_BLOCK_SUB_ASSY_08K 1
58 401-89153 S_SENSOR_COVER 1
59 401-89200 SPONGE_SS 1
60 401-67279 COVER_CS_SCREW_MAC_M26X6 3
61 NM-6860003-SC NUTM2.6TYPE3 2