RF04AS_RF08AS_RF12AS_RF16AS_RF24AS_RF32AS_RF44AS_RF56AS_RF72AS_RF88AS-Rev08.pdf - 第9页
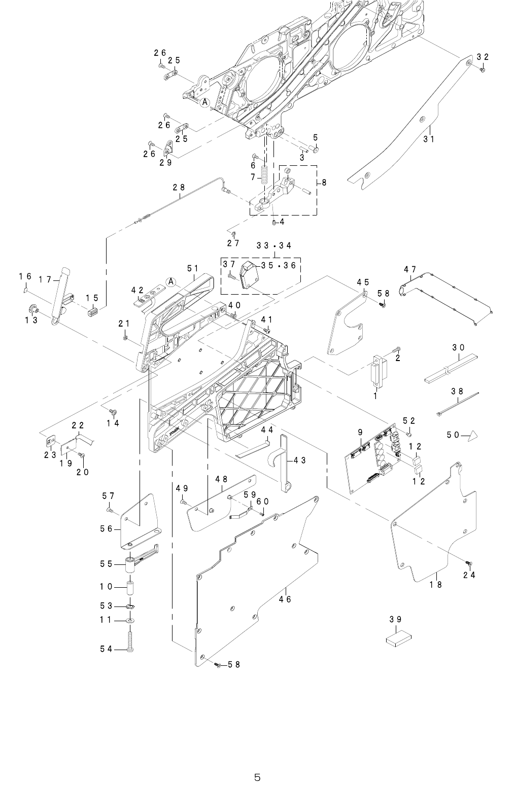
- - REF. NO NOT-REPLACEABLE PARTS NOTE PARTNO DESCRIPTION Qty 1 ● 401-66939 ETFI/FCABLEASM 1 2 ST-4860821-SN TAPPINGSCREWM2.5X8 2 3 401-67216 GEAR_SH_08K 1 4 SM-8030602-TP SCRE…

- -
3. RF08AS,RF08AS(SP)(3)

- -
REF.
NO
NOT-REPLACEABLE
PARTS
NOTE PARTNO DESCRIPTION Qty
1
●
401-66939 ETFI/FCABLEASM 1
2 ST-4860821-SN TAPPINGSCREWM2.5X8 2
3 401-67216 GEAR_SH_08K 1
4 SM-8030602-TP SCREWM3X0.5L=6 1
5 401-67218 CLAMP_MAIN_SH 1
6 401-67279 COVER_CS_SCREW_MAC_M26X6 1
7 401-67265 CLAMP_SP 1
8 401-69546 CLAMP_BLOCK_SUB_ASSY_08K 1
9
●
402-29601 RF08MAINPCBASM_C 1
10 400-68219 REEL_HOOK_SH 1
11 WP-0430801-SC WASHERM4 1
12 401-66943 RADIATIONSHEET 2
13 401-67237 CLAMP_LEVER_PIN 1
14 402-02970 SFBS-M3_L6_MEC 1
15 401-67238 CLAMP_SPRING_GUIDE 1
16 401-89573 TENSIONER_REFLECTOR_R 1
17 402-04901 CLAMP_LEVER_SUB_ASSY_R08 1
18 401-98960 PCB_COVER_RF08_ASSY 1
19 401-78887 ETFREFLECTIVESENSPCBASM_C 1
20 401-98996 BINDING_MEC_SCREW_M26X6 1
21 NM-6860003-SC NUTM2.6TYPE3 1
22 401-66940 LOCKSENSFPC 1
23 402-07091 SENSOR_OPEN_CAP 1
24 402-40903 COVER_SC_TAPPING_SCREW_M26X7 6
25 401-67250 CLAMP_WIRE_GUIDE_B 2
26 401-67279 COVER_CS_SCREW_MAC_M26X6 6
27 RE-0250000-K0 E-RING2.5 1
28 401-67248 CLAMP_WIRE_08K_N 1
29 401-67249 CLAMP_WIRE_GUIDE_A 1
30 402-18308 WIRING_SPONGE_RF08 1
31 401-67259 FRONT_COVER_08K 1
32 401-67277 SUPER_LOW_HEAD_SCREW_M26X4 3
33 401-69529 DUMMY_SENSOR_UNIT 1
34
#01
401-69530 SPLICE_SENSOR_UNIT 1
35 401-67233 DUMMY_SENSOR (1)
36
#01
401-66944 SPLICE_SENSOR (1)
37 ST-4860821-SN TAPPINGSCREWM2.5X8 (2)
38 EA-9500B00-00 CABLEBAND 4
39 401-69513 COVER_STEP_SPONGE_08K 1
40 401-67279 COVER_CS_SCREW_MAC_M26X6 3
41 401-98996 BINDING_MEC_SCREW_M26X6 2
42 401-66942 MENBRANESWITCH 1
43 401-67252 CHAMBER_LID 1
44 401-67251 LID_PRESSURE_PLATE 1
45 401-67254 HANDLE_REINFORCED_PLATE_12K 1
46 401-67257 HANDLE_R_08K 1
47 402-07093 REAR_CABLE_COVER_S_ASSY 1
48 402-50183 EXTENSION_PLATE_MG 1
49 401-67280 COVER_SC_TAPPING_SCREW_M26X6 2
50 CM-3003000-01 HIGHTEMPARATURECAUTIONLABEL2(16) 1
51 401-98962 HANDLE_L_08K 1
52 ST-4860421-SN TAPPINGSCREWD=2.6L=4 4
53 E1306-706-C00 TAPEHOLDERWASHER 1
54 SM-4042501-SC SCREWM4X0.7L=25 1
55 401-71258 REEL_HOOK 1
56 401-71257 REEL_HOOK_BASE 1
57 401-77469 TAPPING_SCREW_M2.6X6 2
58 402-40903 COVER_SC_TAPPING_SCREW_M26X7 14
59
401-67284 MG_TAPE_SUPPORT 1
60
400-85419 SCREWM2X4 1

- -
4. RF12AS,RF12AS(SP),RF16AS,RF16AS(SP),RF24AS,RF24AS(SP)(1)