DECAN_L2_Technical(Kor_Ver1).pdf - 第174页
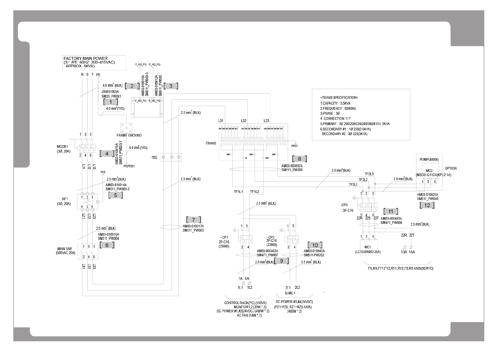
Page SAMSUNG TECHWIN 172 DECAN L2 Electric Power (1/6)

Page
SAMSUNG TECHWIN
171
DECAN
L2
Harness Wiring Diagram (8/8)

Page
SAMSUNG TECHWIN
172
DECAN
L2
Electric Power (1/6)

Page
SAMSUNG TECHWIN
173
DECAN
L2
Electric Power (1/6)
NO. PART NO. PART NAME Q'TY Old No. Supply Supply LT Reference
1 J90831063A MAIN_POWER_CABLE_ASSY SM33-PW001 1
2 AM03-010915A CABLE ASSY-EARTH_HEAD1 1
3 AM03-010912A CABLE ASSY-EARTH_HEAD2 1
4 AM03-010913A CABLE ASSY-REAR_ELEC_PANEL_EARTH 1
5 AM03-010914A CABLE ASSY-MCCB_NF1_EARTH 1
6 AM03-010916A CABLE ASSY-NF1_MAIN_SWITCH 1
7 AM03-010917A CABLE ASSY-MAIN_SWITCH_TRANS 1
8 AM03-005697A CABLE ASSY-AC RELAY JUMPER 1
9 AM03-005482A CABLE ASSY-CP1_TB1_MC1 1
10 AM03-010945A CABLE ASSY-PS34_AC_PS12_DC_PW_T6L 1
11 AM03-005483A CABLE ASSY-CP2_TB1_MC2_CABLE 1
12 AM03-010925A CABLE ASSY-CP3_MC2_INPUT_220V 1