KE-2050_KE-2050R_KE-2055R_KE-2060_KE-2060R-Rev14.PDFA__OCR.pdf - 第101页
- 96 - NOTE ( 注記 ) #0 1....FOR E N E N 用 #0 2....FOR 2050, 2060 2050,2060用 #0 3....FOR 2050R, 2055R,2 060R 2050 R,2055 R,2060 R 用 RE F.N O N OT E PA RT NO D E S C R I P T I O N 品 名 Qt y 1 E 981 9- 72 9- 0A 0 M I NI P A T…

- 95 -
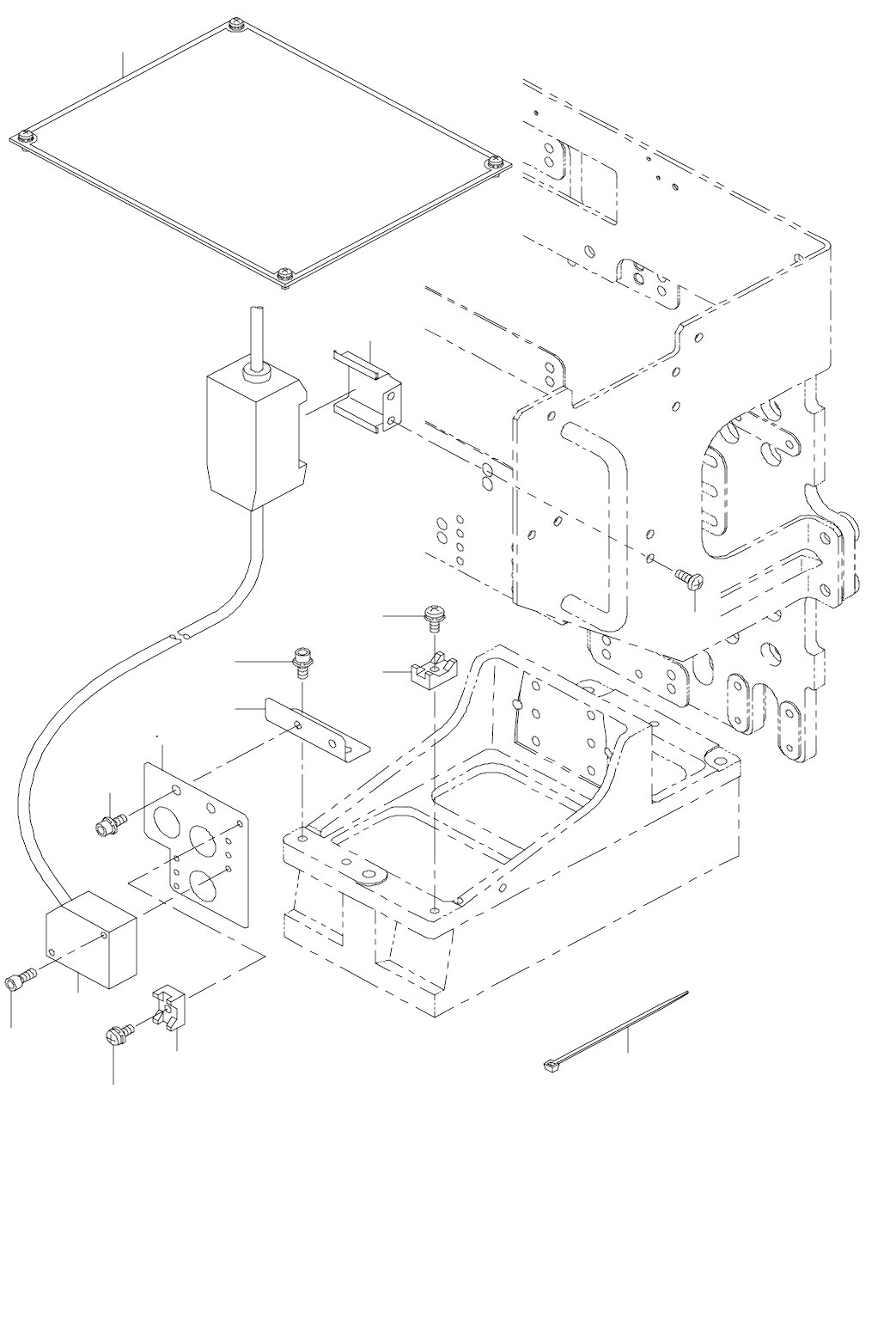
48.NON-STOP OPERATION COMPONENTS
ノンストップオペレーション関係
2
1
2
1
3
4
5
6
7
15
8
9
10
11
12
13
14
16
17
Y
=
r
'
J
ft
-
-
f

- 96 -
NOTE( 注記 ) #01....FOR EN EN 用
#02....FOR 2050,2060 2050,2060用
#03....FOR 2050R,2055R,2060R 2050 R,2055 R,2060 R 用
REF.NO NOTE PART NO D E S C R I P T I O N
品 名
Qty
1 E9819-729-0A0 MINI PAT CABLE ASM
ミニパトケーブル組
2
2 SL-6041092-TN SCREW
座金付き六角穴ボルト
8
3 EA-9500B01-00 CABLE BAND
束線バンド
10
4
#02
HA-0053700-1A BEZEL
レンズ付きベゼル
2
5
#02
HA-0053700-20 WASHER
回転防止ワッシャー
2
6
#01
400-02323 AREA SENS LIGHT ASM(EN)
エリアセンサ(発光)組(EN)
2
7
#01
400-02324 AREA SENSOR DETECTOR ASM.(EN)
エリアセンサ受光(EN)
2
8
#01
E6189-729-000 AREA SENSOR BRACKET
エリアセンサブラケット
4
9
#01
SL-6041042-TN BOLT
座金付き六角穴ボルト
8
10
#01
PV-0105051-00 MECHANICAL VALVE
メカニカル バルブ
2
11
#01
SL-6043592-TN SCREW
座金付き六角穴ボルト
4
12
#01
E4325-725-000 BANK SENSOR PLATE (CE NSO)
バンクセンサプレート(CE NSO)
2
13
#01
PJ-3010651-06 KNIFE UNION
メスユニオン
2
14
#01
BT-0600400-EC TUBE HOSE, BLUE
ウレタンホ−ス 青
0.2
15
#01
PJ-3080600-03 Y UNION
ユニオンワイ
2
16
#03
HA-0055300-10 LENSE GREEN
レンズ 緑
2
17
#03
HA-0055300-20 BEZEL
ベゼル
2

- 97 -
49.HMS COMPONENTS
HMS 関係
1
2
4
5
6
7
6
7
8
9
3
13
10
11
12
/
/
^