KE-2050_KE-2050R_KE-2055R_KE-2060_KE-2060R-Rev14.PDFA__OCR.pdf - 第158页
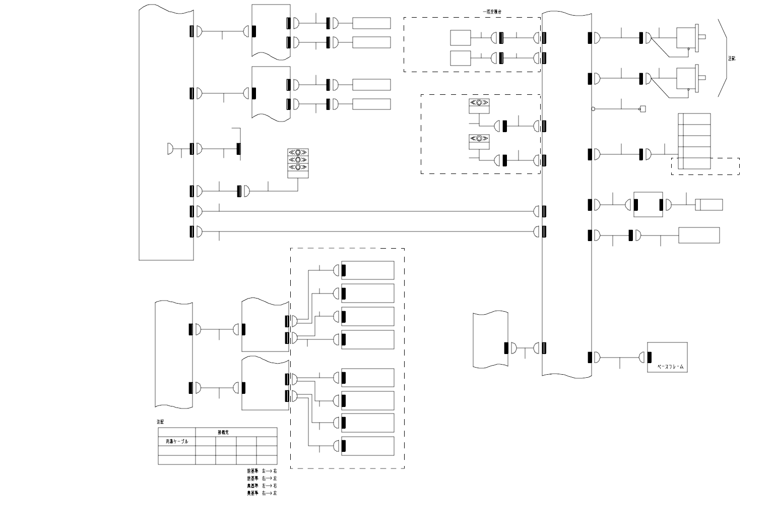
- 15 3 - 7 7 .SY S TE M DI AG RA M (1 0) SYSTEM DIAGRAM(10) 3- 2D 1 -3C OP TIO N( FE EDE R PO SIT IO N IND IC AT ER) O PT ION (N ON- ST OP OP .) N ON- ST OP S IGN AL L IGH T( R) CN62 4 MP TL_ R CN 24 CN2 3 CN62 3 CN2 6 C…

- 152 -
NOTE( 注記 ) #01....FOR 2060(OPTIONAL PARTS) 2060用(オプション部品)
#02....FOR 2060R(STANDARD EQUIPMENT) 2060 R(標準装備)
#03....FOR OFFSET PLACEMENT AFTER はんだ印刷認識搭載位置補正
SOLDER SCREEN-PRINTING(OPTION) (オプション)用
REF.NO NOTE PART NO D E S C R I P T I O N
品 名
Qty
1
#01
400-02185 HIGHT SENSOR CABLE ASM
HMS アンプケーブル組
1
2 E9638-729-000 FIBER LENS
ファイバレンズ
1
3 HD-0013100-30 FIBER UNIT
ファイバユニット
1
4 400-02267 BAD MARK SENSOR ASM
バッドマークセンサ組
1
5 400-02092 HEAD PWR CABLE ASM.
ヘッド電源ケーブル組
1
6 400-02234 XY BEAR HEAD CABLES ASM.
XY ベアヘッドケーブル組
1
7 400-02181 Z12 SENSOR RELAY CABLE ASM.
Z 12センサ中継ケーブル組
1
8 400-02182 Z34 SENSOR RELAY CABLE ASM.
Z 34センサ中継ケーブル組
1
9 400-02183 Z5 SENSOR RELAY CABLE ASM. Z 5センサ中継ケーブル組 1
10 400-02188 OCC RELAY POWER CABLE ASM.
OCC 電源ケーブル組
1
11 400-02222 Z12 SENSOR CABLE ASM.
Z 12センサケーブル組
1
12 400-02186 Z VACUUM CABLE ASM.
Z 軸バキュームケーブル組
1
13 400-02187 Z BLOW CABLE ASM.
Z 軸ブローケーブル組
1
14 400-02226 Z5 SENSOR RELAY CABLE ASM.
Z 5センサケーブル組
1
15 400-02151 OCC CAMERA CABLE ASM.
OCC カメラケーブル組
1
16 400-02189 Z5 VACUUM CABLE ASM.
Z 5軸バキュームケーブル組
1
17 400-02190 Z5 BLOW CABLE ASM.
Z 5軸バキュームケーブル組
1
18 400-02224 Z34 SENSOR CABLE ASM.
Z 34センサケーブル組
1
19 400-02155 OCC CAMERA(L)CABLE ASM. OCC カメラ L ケーブル組 1
20 400-02156 OCC CAMERA(R)CABLE ASM.
OCC カメラ R ケーブル組
1
21 400-02153 OCC LIGHT(L)CABLE ASM.
OCC ライト L ケーブル組
1
22
#03
400-62792 OCC L IGHT(L) 1 ASM
OCC ライト(L)1組
1
23
#03
400-62793 OCC L IGHT(L) 2 ASM
OCC ライト(L)2組
1
24 400-01266 EJECTOR 60
エジェクタ60
1
25
#02
400-02185 HIGHT SENSOR CABLE ASM
HMS アンプケーブル組
1
26 400-02154 OCC LIGHT(R)CABLE ASM.
OCC ライト R ケーブル組
1
27 400-02140 OCC LIGHT CABLE ASM.
OCC ライトケーブル組
1

- 153 -
77.SYSTEM DIAGRAM (10)
SYSTEM DIAGRAM(10)
3- 2D
1 -3C
OPTIO N(FEEDE R POSIT ION IND ICAT ER)
OPT ION(NON- STOP OP .)
NON- STOP
SIGN AL
LIGH T(R)
CN62 4MP TL_ R
CN 24
CN2 3
CN62 3
CN2 6
CN62 6
L S3- 3
CN3
L S3- 1
CN1
OPTION( )
1
1
CN1
(EN)
OUT MOTOR
C N60 3 CN672
CN3
( CN3 9)
CN62 5MP TL_ F
NON- STOP
SIGN AL
LIGH T(F)
C N62 7
C N27
THERMAL
SENSOR
PCB
(
)
6-2 A
2-4 C
CN6 69
CN38CN38
ATC
SHAP E Y
SHAP E X
STOP PER
C N63 0
CN30
C N62 8
CN28
CN 492
CN 491
CAL S.V
CAL PCB
CN 2
CARRY P CB.
NO.2 2
NO.2 0
CN 671
CN 670
RR:
RL:
FR:
FL:
CN3CN3
CN2CN2
CN39CN39
RRRLFRFL
C N61 2
CN12
S.V.
C N60 2
CN2
( CN3 8)
TB
IN MOTOR
CN 52 CN37
CN6 37
CN4 35
CN4 36
BANK UP
SENSOR(R)
BANK UP
SENSO R(F)
CN64 2
CN64 3
CN4 2
CN4 3
CN 25
BU-L OCK
4- 1B
7-1 A
CTRL PWR
CONNECTOR
PANEL
FG-T AP
FRON T
FPI-L ED
PCB(R 3-2)
CN1
CN5 41
CN5 51
CN1
FPI-L ED
PCB(R 3-1)
CN5 61
CN5 71
FPI-L ED
PCB(R 2-1)
CN1
CN1
FPI-L ED
PCB(R 2-2)
FPI-L ED
PCB(F 2-1)
CN1
CN1
FPI-L ED
PCB(F 2-2)
CN5 71
CN5 61
FPI-L ED
PCB(F 1-2)
CN1
CN5 51
CN5 41
CN1
FPI-L ED
PCB(F 1-1)
7-1 A
CN 2
CN1
BANK /FPI
-F PC B.
CN2
CN62 1FL S4-2
5- 2A
CN 3
CN 3
5- 2B
CN62 1R
BANK /FPI
-R PC B.
CN1
CN 2
CN1
LS 4-1
C N50 2
C N50 3
C N50 3
C N50 2
I/O C TRL
PCB
L S3- 4R
CN4 R
CN6
FEED ER(RL)
CN 1
BAN K/FPI
-R PC B.
C N50 1R
C N50 6R
BK-RL
5- 2C
CN7
C N50 7R
BK-RR
FEED ER(RR)
FEED ER(FR)
BK-FR
C N50 7F
CN 7
L S3- 6
5-2C
L S3- 4F
BK-FL
C N50 6F
CN 501 F
CN4 F
BASE- FEEDER
PCB
SIGNAL LIGHT
C N48 3
CN2
CN 6
MTC I/F
(L)
C OVER
CN 11
L S3- 2
BANK /FPI
-F PCB .
CN 1
FEED ER(FL)
CN 6
CAL V ACUUM
SENSOR
1
23
746
5
810119
12
13 15
14
16
17 19
18
31
32
20 22 24 25
21 23
26
2 7
28
29
30
33 34
35 3635
36
363635 35
37
I
wx
ii
I
D
^
a
0
(
)
L
i
(
D
-
(
^
T
1
<
-
-
D
^
T
i
I
il
r
kl
©
l
>
l
2
Ti
-
I
^
^
-
Tl
^
IT
1
ITi
<
1
D
X

- 154 -
REF.NO NOTE PART NO D E S C R I P T I O N
品 名
Qty
1 400-02088 BANK F CABLE ASM.
バンク F ケーブル組
1
2 400-02089 BANK R CABLE ASM.
バンク R ケーブル組
1
3 400-02104 MTC I/F(L) CABLE ASM
MTC I / F(L)ケーブル組
1
4 400-02090 SIGNAL LIGHT CABLE ASM.
シグナルライトケーブル組
1
5 400-03265 SIGNAL TOWER ASM
シグナルタワー組
1
6 400-02081 TEMP VAC CABLE ASM.
温度圧力センサケーブル組
1
7 400-02075 CRY BASE CABLE ASM.
キャリーベース接続ケーブル組
1
8 400-02244 BANK FL CABLE ASM.
バンク FL ケーブル組
1
9 400-02243 BANK FR CABLE ASM.
バンク FR ケーブル組
1
10 400-02245 BANK RL CABLE ASM.
バンク RL ケーブル組
1
11 400-02246 BANK RR CABLE ASM.
バンク RR ケーブル組
1
12 400-02167 BANK UP(F)SENS ASM.
バンクアップ(F)センサ組
1
13 400-02168 BANK UP(F)CABLE ASM.
バンクアップ(F)ケーブル組
1
14 400-02169 BANK UP (R) SENS ASM
バンクアップ(R)センサ組
1
15 400-02170 BANK UP(R)CABLE ASM.
バンクアップ(R)ケーブル組
1
16 E9819-729-0A0 MINI PAT CABLE ASM
ミニパトケーブル組
1
17 400-02285 MINI PAT F RLY CABLE ASM.
フロントミニパト中継ケーブル組
1
18 E9819-729-0A0 MINI PAT CABLE ASM
ミニパトケーブル組
1
19 400-02286 MINI PAT R RLY CABLE ASM.
リアミニパト中継ケーブル組
1
20 400-02084 IN MTR CABLE ASM.
搬入モータケーブル組
1
21 E9454-729-MA0 IN MOTOR ASM.
IN モータ組
1
22 400-02083 OUT MTR CABKE ASM.
搬出モータケーブル組
1
23 E9456-729-MA0 OUT MOTOR ASM.
OUT モータ組
1
24 400-02082 CARRY MTR FD WIRE ASM.
搬送モータ FG ケーブル組
1
25 400-02079 CARRY SV CABLE ASM.
キャリー SV ケーブル組
1
26 400-02080 CARRY SV WIRE ASM.
キャリー SV ワイヤ組
1
27 400-02179 CAL BLOCK CABLE ASM.
キャルブロック基板ケーブル組
1
28 400-02125 CAL VCUM SV ASM.
CAL VCUM SV 組
1
29 400-02180 CAL VCUM CABLE ASM.
キャルバキュームセンサケーブル組
1
30 400-02126 CAL VACUUM SENSOR ASSY
CAL バキュームセンサ組
1
31 400-02337 CARRY PWR CABLE ASM.
キャリー基板電源ケーブル組
1
32 400-02119 BASE TEMP CABLE ASM.
ベース温度ケーブル組
1
33 400-02087 FPI F CABLE ASM.
FPI − F ケーブル組
1
34 400-02086 FPI R CABLE ASM.
FPI − R ケーブル組
1
35 400-02249 FPI LED CABLE ASM. A
FPI LED ケーブル組 A
1
36 400-02250 FPI LED CABLE ASM. B
FPI LED ケーブル組 A
1
37 400-02052 BASE MTC CABLE ASM.
ベース MTC ケーブル組
1