XP143机械手册.pdf - 第113页
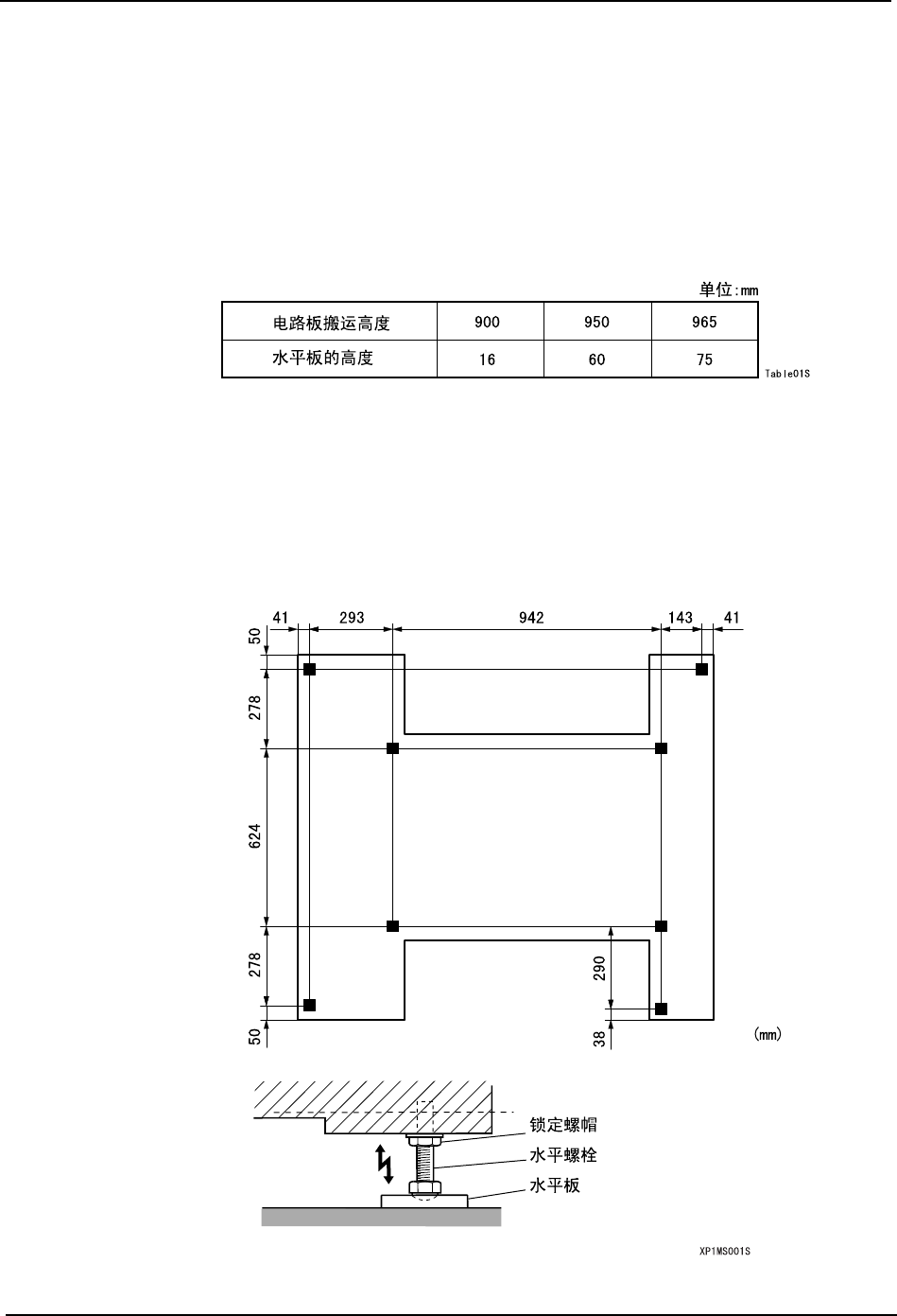
MEC-XP143-1.0S 7. 安装 XP-143E 机械手册 103 7. 安装 7.1 安置 7.1.1 要点 把水平板放在指定的位置,以确 保主机的水平。 此外,需要根据电路板的搬运高 度,选用适合的水平板。 7.1.2 方法 1. 参考下图布置水平板。 2. 把 2 个水平仪装在主机的机座上。 ( 横向和纵向 ) 3. 转动各个水平螺栓调整高度。 4. 确认电路板的搬运高度、机器的水 平度是否正确之后,请把各个锁定 螺帽拧紧…

6. 故障排除 MEC-XP143-1.0S
102 XP-143E 机械手册
MEMO:

MEC-XP143-1.0S 7. 安装
XP-143E 机械手册 103
7. 安装
7.1 安置
7.1.1 要点
把水平板放在指定的位置,以确保主机的水平。
此外,需要根据电路板的搬运高度,选用适合的水平板。
7.1.2 方法
1. 参考下图布置水平板。
2. 把 2 个水平仪装在主机的机座上。( 横向和纵向 )
3. 转动各个水平螺栓调整高度。
4. 确认电路板的搬运高度、机器的水平度是否正确之后,请把各个锁定螺帽拧紧。

7. 安装 MEC-XP143-1.0S
104 XP-143E 机械手册
7.2 压缩空气的供应
7.2.1 要点
把外部压缩空气供应管接到主机上,并用调节器调整到规定的空气压力 (0.5 M Pa)。
备注 ) 机器不附带压缩空气供应管。
7.2.2 方法
压缩空气供应管的连接
1. 关闭压缩空气投入口的阀门手柄。
2. 把压缩空气供应管插入投入口,直到听见 “喀嗒”声响为止。
3. 打开阀门手柄。