XP143机械手册.pdf - 第64页
4. 维修保养 MEC-XP143-1.0S 54 XP-143E 机械手册 8. 对真空发生销 ( 旋转盘内侧 ) 加油 a. 用手指按下所有的真空破坏销 ( 旋转盘外侧 )。 b. 使用细笔,对真空发生销的上部薄 薄地涂抹指定的润滑油。 备注 ) 对真空发生销的后侧涂抹润滑油比较困难。请使用笔尖,尽可能涂抹到旋转盘的深处。 c. 压下所有的真空发生销 ( 旋转盘内侧 ),压上所有的所有的真空破坏销 ( 旋转盘外侧 )。 d. 使用细…

MEC-XP143-1.0S 4. 维修保养
XP-143E 机械手册 53
注意 ) 在旋转旋转盘时,尽量不要使在旋转盘上的各种冲击销相互有强烈的挤压下,将压块也同时
进行旋转。不能对各种销施加横向压力。
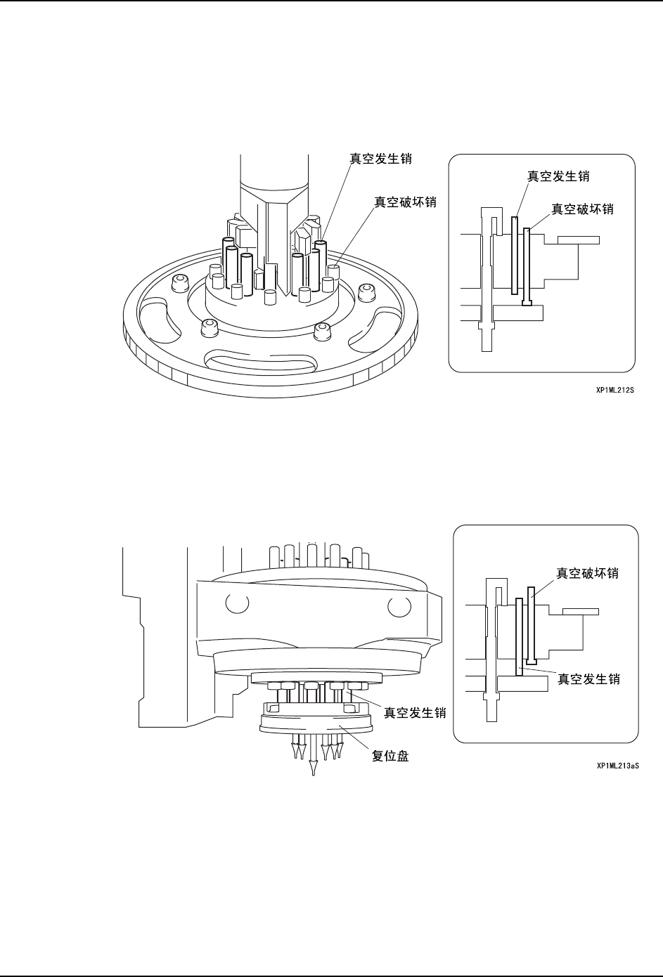
7. 给真空破坏销 ( 旋转盘外侧 ) 加油
a. 将压块部分返回上方后,用手将复位盘向上按压,使所有的真空破坏销和真空发生
销上升。
备注 ) 在用手将复位盘上升时困难时,请用 I/O 操作 (Y01F ResetCylinder) 进行。
b. 使用细笔,对真空破坏销的上部薄薄地涂抹指定的润滑油。
c. 降低真空破坏销,使用细笔,对真空破坏销的下部薄薄地涂抹指定的润滑油。
备注 ) 对真空破坏销整个一周进行涂抹时,请将各个销分别按以下要点加油。
1. 在真空破坏销处于上升状态下,对看得见的部分 ( 销上部前侧 ) 涂抹润滑油。
2. 将真空破坏销下降、对看不见的部分 ( 销的下部 ) 涂抹润滑油。
3. 再次将真空破坏销上升。
4. 用手指半旋转真空破坏销,对销上部后侧涂抹润滑油。
5. 再次降低真空破坏销。对可见的销的下部涂抹润滑油。

4. 维修保养 MEC-XP143-1.0S
54 XP-143E 机械手册
8. 对真空发生销 ( 旋转盘内侧 ) 加油
a. 用手指按下所有的真空破坏销 ( 旋转盘外侧 )。
b. 使用细笔,对真空发生销的上部薄薄地涂抹指定的润滑油。
备注 ) 对真空发生销的后侧涂抹润滑油比较困难。请使用笔尖,尽可能涂抹到旋转盘的深处。
c. 压下所有的真空发生销 ( 旋转盘内侧 ),压上所有的所有的真空破坏销 ( 旋转盘外侧
)。
d. 使用细笔,对所有的真空发生销下部薄薄地涂抹指定的润滑油。
备注 ) 对真空发生销的后侧涂抹润滑油比较困难。请使用笔尖,尽可能涂抹到旋转盘的深处。
9. 擦去多余的润滑油。
a. 用手压上复位盘,使所有的真空破坏销和真空发生销上升。
备注 ) 在用手将复位盘上升时困难时,请用 I/O 操作 (Y01F ResetCylinder) 进行。
b. 使用平笔和回丝,除去粘附在旋转盘下部的多余的润滑油。特别是请确凿地擦去粘
附在销下面和复位盘上面的润滑油 ( 使销下面不要残留粘性 )。
10.进行几分钟的模拟运转,使润滑油溶合。

MEC-XP143-1.0S 4. 维修保养
XP-143E 机械手册 55
4.3 消耗品的更换
4.3.1 频闪灯的更换
要点
在频闪灯劣化时进行更换。使用频闪灯时,不要用力抓玻璃部位。
方法
1. 拧松下面的固定螺丝 (4 处 ),卸掉灯罩。
2. 松动螺帽 (3 处 ),更换频闪灯。
危险
操作前切断主电源,必须等待 5 分钟后拔掉频闪灯电源装置处的插头 (2
处)。
注意
·当装新的频闪灯时,请不要用手直接触摸玻璃部位。如手上的油脂粘附
在玻璃部位上时,会成为缩短频闪灯寿命的原因。
·为了不增加玻璃的负担,请将接线头在上侧,频闪灯接线头在下侧拧紧
螺母。
·请注意频闪灯接线头的极性 ( 参考注意标签 )。