XP143机械手册.pdf - 第8页
目录 MEC-XP143-1.0S iv XP-143E 机械手册 7.6.2 方法 .................................... 110 8. 补充说明 ............ ..................... 111 8.1 噪音 ............... ................... 111

MEC-XP143-1.0S 目录
XP-143E 机械手册 iii
4.3.1 频闪灯的更换 ............................. 55
4.3.2 搬运轨道传送带的更换 ..................... 56
4.3.3 量规芯片元件吸取用的真空发生器的过滤器的更换
( 每年 ) ................................. 58
4.3.4 定位相机灯的更换 ......................... 59
4.3.5 伺服放大器电池的更换 ..................... 60
4.3.6 CPU 电路板上的电池的更换 ................. 62
5. 调整 ...................................... 63
5.1 伺服放大器的调整 ....................... 63
5.1.1 伺服放大器参数的确认 ..................... 63
5.1.2 Y、Z、θ、R、F、C 以及 G 轴伺服放大器 (Σ - Ⅲ
系列)参数的确认 ........................ 69
6. 故障排除 .................................. 75
6.1 伺服系统的故障排除 ..................... 75
6.1.1 报警代码的显示处 ......................... 75
6.1.2 报警代码及检查地方一览表 ................. 77
7. 安装 ..................................... 103
7.1 安置 .................................. 103
7.1.1 要点 .................................... 103
7.1.2 方法 .................................... 103
7.2 压缩空气的供应 ........................ 104
7.2.1 要点 .................................... 104
7.2.2 方法 .................................... 104
7.3 电源供应和变压器的接线 ................ 106
7.3.1 要点 .................................... 106
7.3.2 方法 .................................... 106
7.4 数据传送电缆的接线 (RS-232C) ........... 108
7.4.1 要点 .................................... 108
7.4.2 方法 .................................... 108
7.5 数据传送电缆的接线 ( 以太网 ) ........... 109
7.5.1 要点 .................................... 109
7.5.2 方法 .................................... 109
7.6 电路板搬运 I/F·传送信号连接器的连接 ... 110
7.6.1 要点 .................................... 110

MEC-XP143-1.0S 关于本手册
XP-143E 机械手册 v
关于本手册
本手册是针对用户在进行机器的维护保养时 , 对所需的信息进行说明。手册所记载的内容
以及使用的用语的难度是以日常从事于电子元件贴装业务的专业技术人员为对象。请务必
充分理解手册的内容以实现安全且高效维护保养作业。
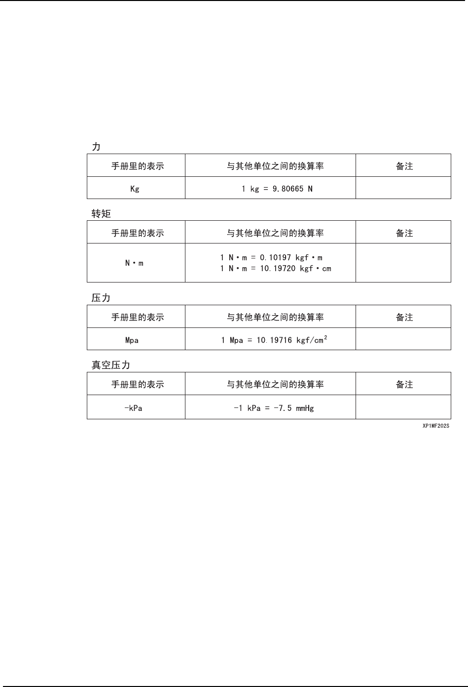
表示单位和换算率
本手册里使用的表示单位和其他单位之间的换算率如下所示。
