XP143机械手册.pdf - 第80页
5. 调整 MEC-XP143-1.0S 70 XP-143E 机械手册 1. 每按一下 「MODE/ SET」 ,就按如 图所示的顺序切 换显示。 2. 使用 「DATA/SHIFT 」和 「UP/DOWN」键选择 目标的用户参数 。在此状态下持续 按 「DATA/SHIFT」 键 1 秒钟以上 后,显示出各模式 中所选编号的 内容。

MEC-XP143-1.0S 5. 调整
XP-143E 机械手册 69
5.1.2 Y、Z、θ、R、F、C 以及 G 轴伺服放大器 (Σ - Ⅲ系列)参数的确
认
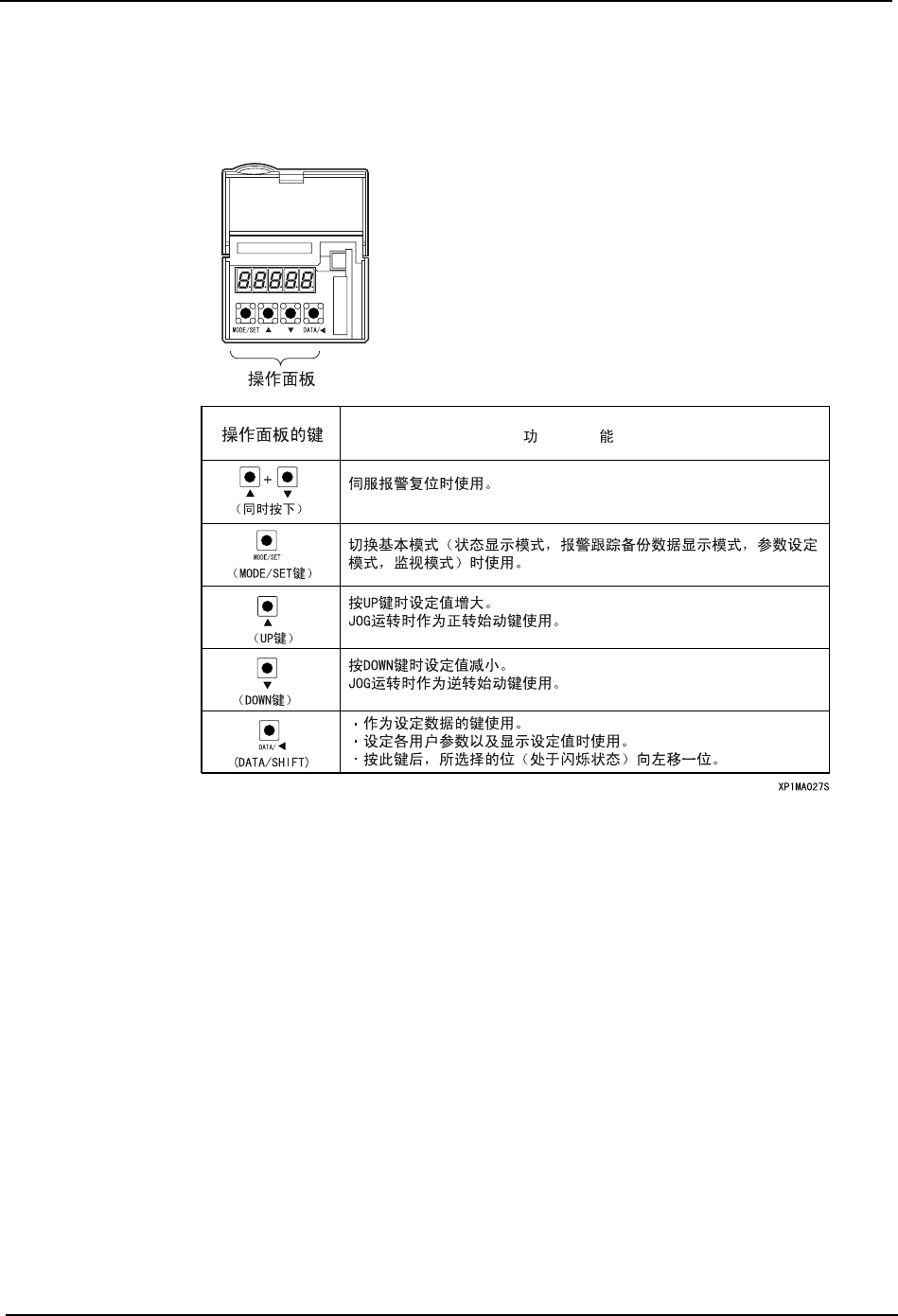
以下说明各键的名称和功能。
基本模式的选择和操作方法
基本模式包括状态显示模式、报警跟踪备份数据显示模式和参数设定模式。通过切换操作
面板的基本模式,可进行显示运转状态、确认用户参数和报警跟踪等操作。

5. 调整 MEC-XP143-1.0S
70 XP-143E 机械手册
1. 每按一下 「MODE/SET」,就按如图所示的顺序切换显示。
2. 使用 「DATA/SHIFT」和 「UP/DOWN」键选择目标的用户参数。在此状态下持续按
「DATA/SHIFT」键 1 秒钟以上后,显示出各模式中所选编号的内容。

MEC-XP143-1.0S 5. 调整
XP-143E 机械手册 71
状态显示模式
报警跟踪备份数据显示模式
利用本功能,在可确认过去发生的最多 10 次报警的同时,也可记录时间标记 (由于发生
报警而延长的运转时间) 。
时间标记以主回路电源接通中的 100ms 作为 「1」来计数。每天 24 小时 365 天运转,进行
13 年的计数,时间标记计数到最终数据为 「4294967295」时结束。
不到 1 小时内发生相同的报警时,该报警不能作为报警跟踪备份数据被保存。
保存在报警跟踪备份里的报警数据用 Fn000 来显示。报警跟踪备份数据在进行报警复位或
者切断伺服箱的电源时亦不会被消除,其本身对机器的运转不会产生影响。