XP143机械手册.pdf - 第123页
MEC-XP143-1.0S 关于 FUJI Internet Fuji Internet 致力于以最快捷高效的方 式为本公司的用户提供 即时信息 服务。 本网站涵盖了从手 册更新、 模拟训练到在 线技术报告等 广泛内容。 Fuji 衷心希望本网站能够在代理 店所提供的技术服务之外, 作为信息中心 助您一臂之力。 网址: http: //www .fuji. co.jp/ 如果您是 Fuji Internet 会员,将被允许访问 网站中…

MEC-XP143-1.0S 8. 补充说明
XP-143E 机械手册 111
8. 补充说明
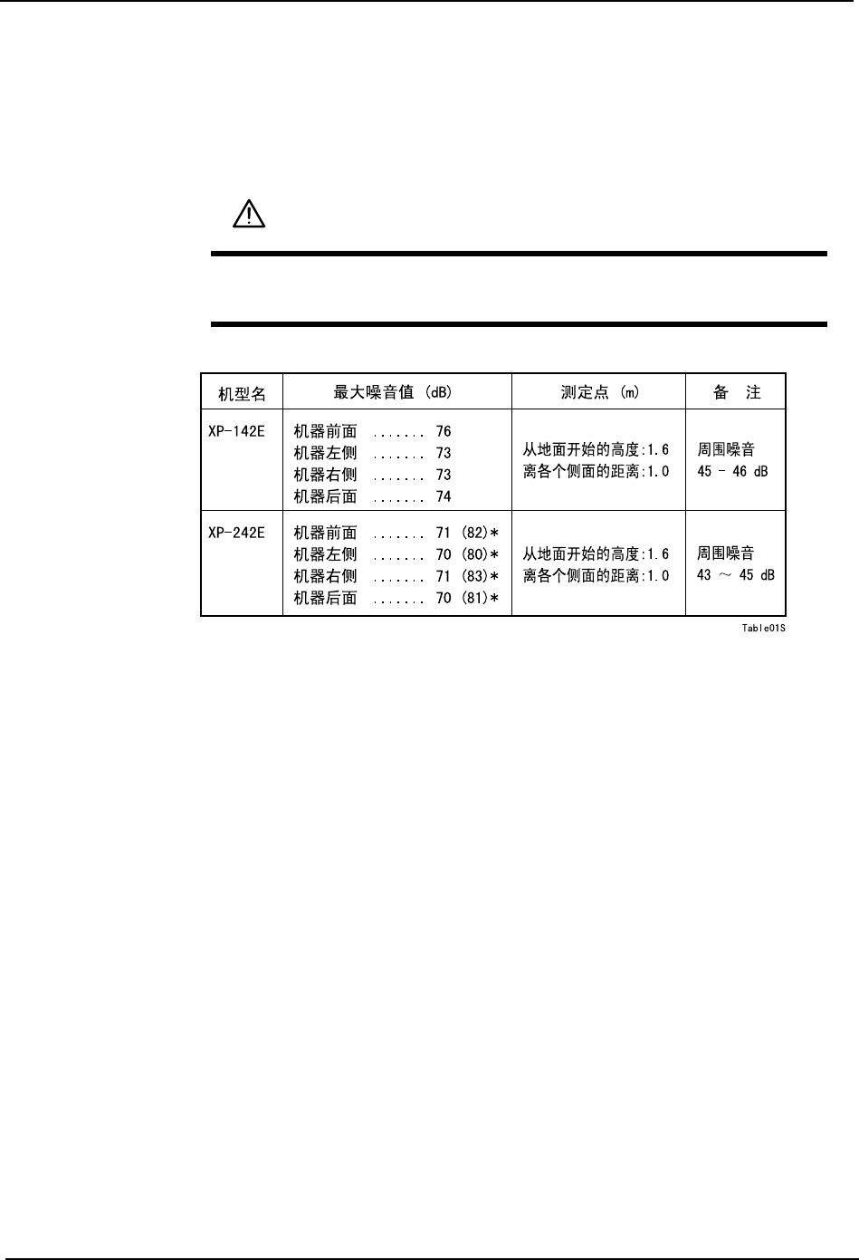
8.1 噪音
各个机型在运转时的噪音显示如下。
备注 ) 噪音值是以 A 特性测定的数值。*( ) 内的数值为瞬间音 ( 空料盘排出动作时 )。
警告
在会引起听力障碍程度的高噪音 (80dB 以上)的运转条件下,操作者请
使用防护耳朵的用具。

8. 补充说明 MEC-XP143-1.0S
112 XP-143E 机械手册
MEMO:

MEC-XP143-1.0S
关于 FUJI Internet
Fuji Internet 致力于以最快捷高效的方式为本公司的用户提供即时信息
服务。本网站涵盖了从手册更新、模拟训练到在线技术报告等广泛内容。
Fuji 衷心希望本网站能够在代理店所提供的技术服务之外,作为信息中心
助您一臂之力。 网址: http://www.fuji.co.jp/
如果您是 Fuji Internet 会员,将被允许访问网站中的技术信息部分。欲
了解入会详情, 请与您的代理商联络。
如果您对本手册有任何意见和疑问,敬请发送电子邮件与我们联系。
电子邮件地址: intnetqst@fuji.co.jp
版本 发行日期 管理号码 备注
1.0 2005 年 6 月 10 日
发行
Copyright©2005 by Fuji Machine Manufacturing Co., Ltd.
Printed in Japan