7OM-1601-006_w.pdf - 第166页
7OM-1601 5-3 記号 名称 記号 名称 B15406 パレット飛び出し検出 B15532 上マガジン位置決め確認 B15505 戻り位置パレット無し検出 L Y15537 下マガジン シャッタ開閉シリンダバルブシャッタ B15506 戻り位置パレット無し検出 R Y15538 上マガジン シャッタ開閉シリンダバルブシャッタ B15513 下マガジン種別判別 B0201 オーバーランセンサ (+) B15514 下マガジン固定確…

7OM-1601
5-2
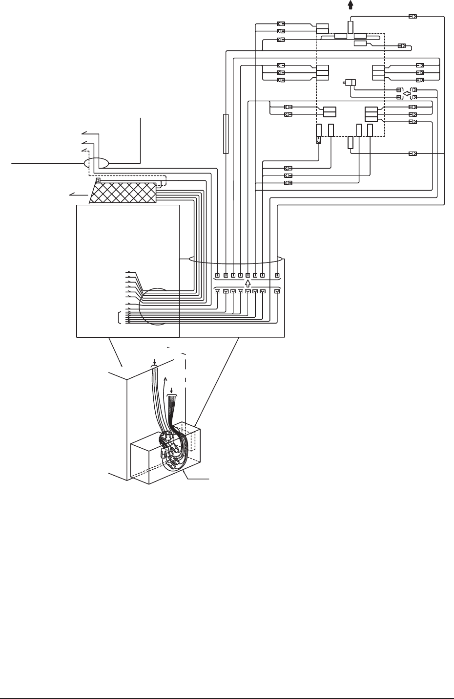
2. センサ、負荷配置図
2.1 エレベータユニット
0912-002 A(1092104503)
34W2004927
3092114504
34W2005240
34W2005241
34W2004933
34W2004931
39W2100459
39W2100460
34W2004941
39W2100461
39W2100462
49W2100482
49W2100474
1092114500
49W2100483
49W2100485
49W2100484
49W2100477
39W2100486
39W2100487
4092114501
34W2004942
49W2100476
49W2100478
39W2100463
34W2005244
34W2005248
B15506B15505
S0501
S0502
S0503
B15513
B15526
B15515
B15516
S15517
S15518
S15519
B15522B15524
B15523B15525
B15514
B15527
B15528B15530
B15529B15531
B15532
H15544
H15543
H15542
Y15538
Y15537
B0201
B0302
B15521
M02
M03
EVU-A
EVU-B
X15528
X15529
X15530
X15531
X15532
X15516
X15538
X15527
X15515
X15507,10
X15509,12
X15508,11
X15517,42
X15519,44
X15518,43
XS0501-2
XS0503-2
XS0502-2
U155
X15505
X15506
M02
M02P
M03
M03P
H0001
XS15517
XS15519
XS15518
XB0202
B0202
H0001
S15518
S0502
S15519
S0503
S15517
S0501
B15515
B15527
Y15538
B15528
B15529
B15530
B15531
Y15537
B15522
B15523
B15524
B15525
EVD
EVD
XB0202
XB0202
XM02
XM02
XM03
XM03
EVU
EVU
CN28
CN29
CN30
CN31
CN32
CN16
CN38
CN27
CN15
CN5
CN6
CN7,CN10
CN9,CN12
CN8,CN11
CN17,CN42
CN19,CN44
CN18,CN43
X15601
CN1
X1562B
CN2B
X1562A
CN2A
X15701
CN1
X1572B
CN2B
X1572A
CN2A
XS0501-1
XS0503-1
XS0502-1
EVD-A
EVD-B
B15513
B15521
B15514
B15526
XS0501-2
XS0503-2
XS0502-2
XS15517
XS15519
XS15518
XS0501-1
XS0503-1
XS0502-1
XB0302
XB0201
XB0302
XB0201
XH0001
XH0001
XB15406
XB15406
B15406
B15406
X15522
X15523
X15524
X15525
X15526
X15514
X15537
X15521
X15513
CN22
CN23
CN24
CN25
CN26
CN14
CN37
CN21
CN13
X26909 X26909
U157
U156
HLS
HLS
S15518
S0502
S15519
S0503
S15517
S0501
H0001
B15406
M02
M02P
M03
M03P
B0201
B0302
X15546
X15547
CN46
CN47
X15501
X15502
CN2
CN1
PWR
X24G10
X15504
X15503
CN3CN4
HLS
X115501 X115501
(UA54)
B15506B15505
HITACHI
エレベータ正面
マガジン部
ケーブルベア
ケーブルベア
エレベータ背面
TV-EV一括コネクタ
X35

7OM-1601
5-3
記号 名称 記号 名称
B15406 パレット飛び出し検出 B15532 上マガジン位置決め確認
B15505 戻り位置パレット無し検出 L Y15537 下マガジン
シャッタ開閉シリンダバルブシャッタ
B15506 戻り位置パレット無し検出 R Y15538 上マガジン
シャッタ開閉シリンダバルブシャッタ
B15513 下マガジン種別判別 B0201 オーバーランセンサ (+)
B15514 下マガジン固定確認 B0202 マガジン上下接近センサ
B15515 上マガジン種別判別 B0302 オーバーランセンサ (-)
B15516 上マガジン固定確認 M02 EV1 軸モータ
B15521 下マガジン作業者側ラックシャック閉確認 M03 EV2 軸モータ
B15522 下マガジン トラバース側ラックシャック
開動作確認 L
S0501 安全扉 ( 下 ) ドアロック
B15523 下マガジン トラバース側ラックシャック
閉動作確認 L
S0502 安全扉 ( 上 ) ドアロック
B15524 下マガジン トラバース側ラックシャック
開動作確認 R
S0503 安全扉 ( マガジン ) ドアロック
B15525 下マガジン トラバース側ラックシャック
閉動作確認 R
S15517 準備完了スイッチ ( 下 )
B15526 下マガジン位置決め確認 H15542 準備完了スイッチ ( 下 ) ランプ
B15527 上マガジン作業者側ラックシャック閉確認 S15518 準備完了スイッチ ( 上 )
B15528 上マガジン トラバース側ラックシャック
開動作確認 L
H15543 準備完了スイッチ ( 上 ) ランプ
B15529 上マガジン トラバース側ラックシャック
閉動作確認 L
S15519 マガジン交換スイッチ ( 中扉 )
B15530 上マガジン トラバース側ラックシャック
開動作確認 R
H15544 マガジン交換スイッチ ( 中扉 ) ランプ
B15531 上マガジン トラバース側ラックシャック
閉動作確認 R
H0001 EV 電源ランプ
0912-002 A(1092104503)

7OM-1601
5-4
2.2 トラバースカート
0912-002 C(1092100001)
U69:X6909
K52-33, K52-43
フィーダベース部電装BOX
本体一括コネクタ:X30
X16302
〈トラバース電装BOX〉
アース端子
U154:X15403
XTB1
K101中継コネクタ
ACV特仕:X4
X0102,X0202,X0302
〈TB:TV〉
TV-EV一括コネクタ
U154基板
A01(TV軸)
ケーブル引き出し穴
フィードベース部電装BOX・
本体-トラバース一括コネクタX30から
フィードベース部電装BOX・
本体-トラバース一括コネクタX30から
(後面カバー)
M01(CN:M01,M01P)へ
トラバース部から
〈トラバース部電装BOX〉
コネクタ番号:
X16909/TV1/TV2/TV3/TV4/
XB15417/XB15417T/X10107
ロボットケーブル
B15417
B15419
B15427
B15426
B15418
B15414
Y15439
B15415
B15407
B15413
B15412
B15412
B15417
B15418
B15419
B15417T
B15419T
B15418T
Y15437
B15429
B15428
B0102
B15426
B15427
B15428
B15429
B15437
B15409
B15414
B15415
B15409
B0102
Y15439
B15417T
B15418T
B15419T
<トラバース部>
M01
M01
M01P
B0101
B15408
B15407
B15413
B15411
本体側
B0101
B15411
M01
M01P
(上面穴)
X16909
TV1
XB15417T
XB15417
TV2
TV3
TV4
X10107
X16909
TV1
XB15417T
XB15417
TV2
TV3
TV4
X10107