RV-1-Rev00.pdf - 第115页

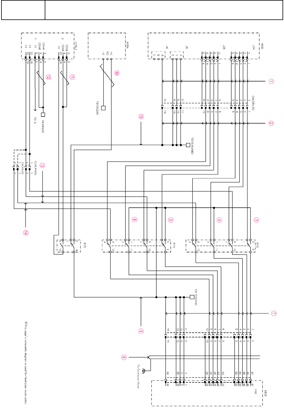
B13 モーター基板配線図 1 W i ring diagram motor bo ard 1 イラスト番 号 Ref.No. 部品コード Parts Code 部品名 Parts Name Serial No. 個数 Q'ty 備考 Remarks 同期 Repl. 1 EZ1- 969 - 278 - 14 ハ - ネス (MCB デンゲン ) HARNESS 1 2 EZ 1- 846 - 583 - 11 コントロ…

100%1 / 144
B13
モーター基板配線図
1
Wiring diagram motor board 1
B-27
B13
モーター基板配線図
1
Wiring diagram motor board 1
イラスト番
Ref.No.
部品コード
Parts Code
部品名
Parts Name
Serial
No.
個数
Q'ty
備考
Remarks
同期
Repl.
1 EZ1-969-278-14
-ネス
(MCB
デンゲン
)
HARNESS
1
2 EZ1-846-583-11
コントロ-- -ブル
(CE-29-E4/100A30)
CABLE,CONTROLLER(CE-29-E4/10*)
1
3 EZ1-969-190-12
-ネス
(AD
ドライバ
シンゴウ
)
HARNESS
1
4 EZ1-969-203-12
-ネス
(
ドライバ
シンゴウ
)
HARNESS
1
5 EZ1-969-191-11
-ネス
(CM
ドライバ
シンゴウ
)
HARNESS
1
B-28
B14
モーター基板配線図
2
Wiring diagram motor board 2
B-29