RV-1-Rev00.pdf - 第139页
B25 オプション配線図 2 W i ring diagram options 2 イラスト番 号 Ref.No. 部品コード Parts Code 部品名 Parts Name Serial No. 個数 Q'ty 備考 Remarks 同期 Repl. 1 EZ1- 969 - 255 - 14 ハ - ネス ( マ - キング ニユウリ ヨク ) HARNESS 1 2 EZ 1- 969 - 4 11 - 13 ハ …

B25
オプション配線図
2
Wiring diagram options 2
B-51

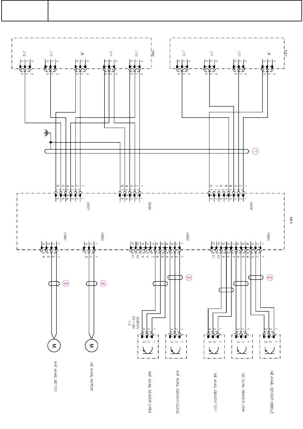
B25
オプション配線図
2
Wiring diagram options 2
イラスト番号
Ref.No.
部品コード
Parts Code
部品名
Parts Name
Serial
No.
個数
Q'ty
備考
Remarks
同期
Repl.
1 EZ1-969-255-14
ハ-ネス
(
マ-キング ニユウリヨク
)
HARNESS
1
2 EZ1-969-411-13
ハ-ネス
(MZ
ジク センサ-
)
HARNESS
1
3 EZ1-969-431-12
ハ-ネス
(M
シ-タ ジク センサ-
)
HARNESS
1
4 EZ1-492-308-14
モ-タ-
ASSY (MZ
ジク
)
MOTOR ASSY (MZ AXIAL)
1
5 EZ1-492-309-13
モ-タ-
ASSY (M
シ-タ ジク
)
MOTOR ASSY (M THETA AXIAL)
1
B-52

B26
オプション外部接続ケーブル
External cables (option)
B-53