RV-1-Rev00.pdf - 第88页

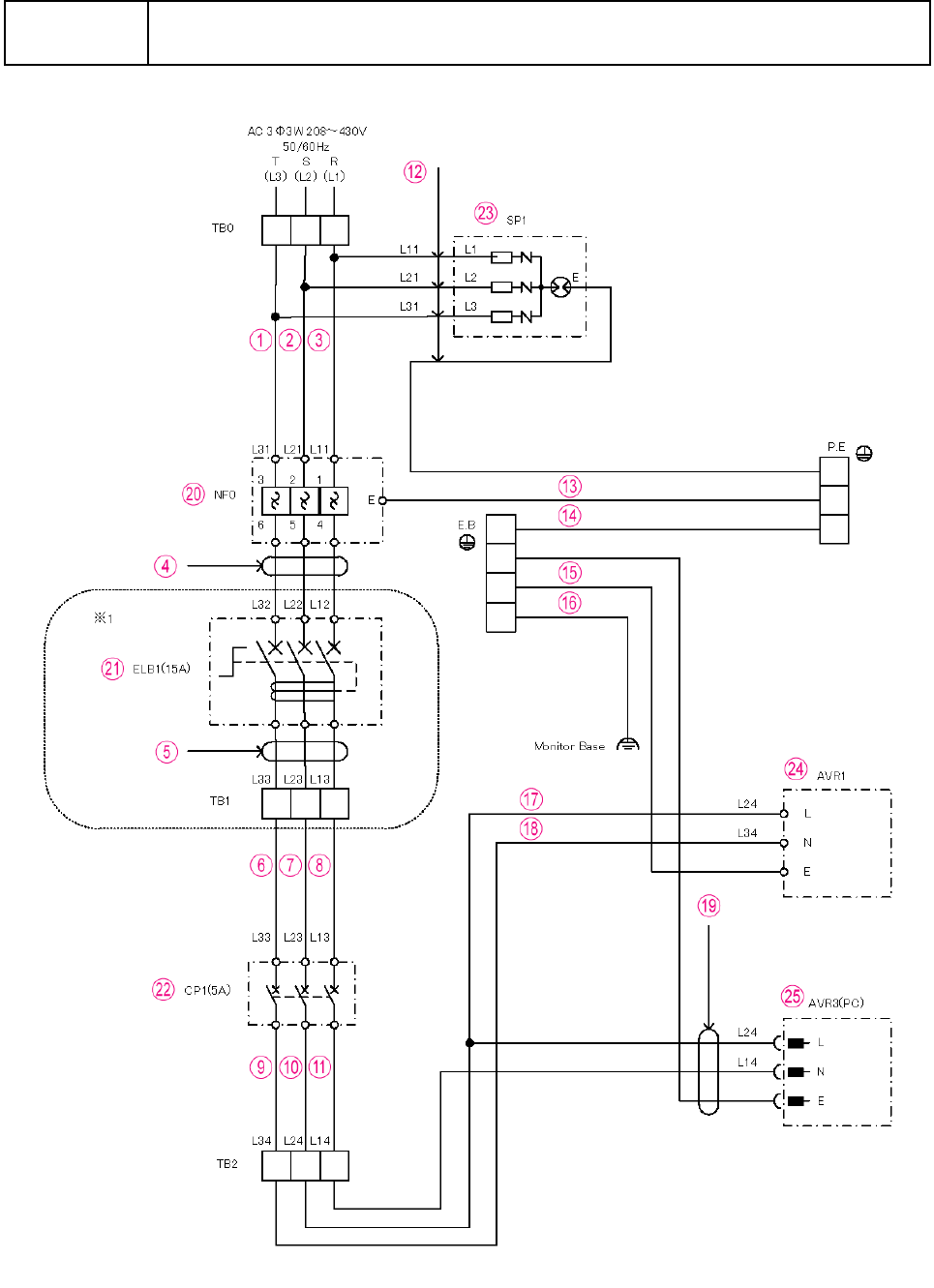
B1 主電源配線図 (AC -1) Main power supply wiring diagram (AC - 1) B-1

100%1 / 144
B1
主電源配線図
(AC-1)
Main power supply wiring diagram (AC-1)
B-1
B1
主電源配線図
(AC-1)
Main power supply wiring diagram (AC-1)
イラスト番
Ref.No.
部品コード
Parts Code
部品名
Parts Name
Serial
No.
個数
Q'ty
備考
Remarks
同期
Repl.
1 EZ1-969-233-32
-ネス
(L31, TB0-NF0)
HARNESS
1
2 EZ1-969-233-22
-ネス
(L21, TB0-NF0)
HARNESS
1
3 EZ1-969-233-12
-ネス
(L11, TB0-NF0)
HARNESS
1
4 EZ1-969-272-12
-ネス
(ELB1-NF0)
HARNESS
1
5 EZ1-969-234-12
-ネス
(ELB1-TB1)
HARNESS
1
6 EZ1-969-161-32
-ネス
(L33, TB1-CP1)
HARNESS
1
7 EZ1-969-161-22
-ネス
(L23, TB1-CP1)
HARNESS
1
8 EZ1-969-161-12
-ネス
(L13, TB1-CP1)
HARNESS
1
9 EZ1-969-167-32
-ネス
(L34, CP1-TB2)
HARNESS
1
10 EZ1-969-167-22
-ネス
(L24, CP1-TB2)
HARNESS
1
11 EZ1-969-167-12
-ネス
(L14, CP1-TB2)
HARNESS
1
12 EZ1-492-185-12
-ジ アブソ-バ-
ASSY
ASSY, SERGE ABSORBER
1
13 EZ1-969-528-32
-ネス
(E, NF0)
HARNESS
1
14 EZ1-969-528-12
-ネス
(PE-EB)
HARNESS
1
15 EZ1-969-163-13
-ネス
(E, AVR1)
HARNESS
1
16 EZ1-969-229-14
-ネス
(
- カドウ, モニタ ベ-
)
HARNESS
1
17 EZ1-969-238-12
-ネス
(L24, TB2-AVR1)
HARNESS
1
18 EZ1-969-238-22
-ネス
(L34, TB2-AVR1)
HARNESS
1
19 EZ1-969-153-12
-ネス
(PC
デンゲン
)
HARNESS
1
20 EZ1-200-171-11
ノイズ
フイルタ
(HF3030C-SZC)
FILTER, NOISE (HF3030C-SZC)
1
21 EZ1-523-283-11
ブレ-
(NV50-SVFU 3P15A30MA)
BREAKER
1
22 EZ1-523-277-11
-キツト プロテクタ
(CP33FM/5)
PROTECTOR, CIRCUIT (CP33FM/5)
1
23 EZ1-811-784-11
-ジ アブソ-バ
(LT-C34G801WS)
ABSORBER, SURGE (LT-
C34G801WS)
1
24 EZ1-474-193-11
スイツチング レギユレ-
(PBA300F-24)
REGULATOR, SWITCHING
(PBA300F*)
1
25 EZ1-474-020-11
ATX
デンゲン
(ENSP3-450P-S20-H1V
POWER, ATX (ENSP3-450P-S20-
H1V)
1
B-2