RV-1-Rev00.pdf - 第98页

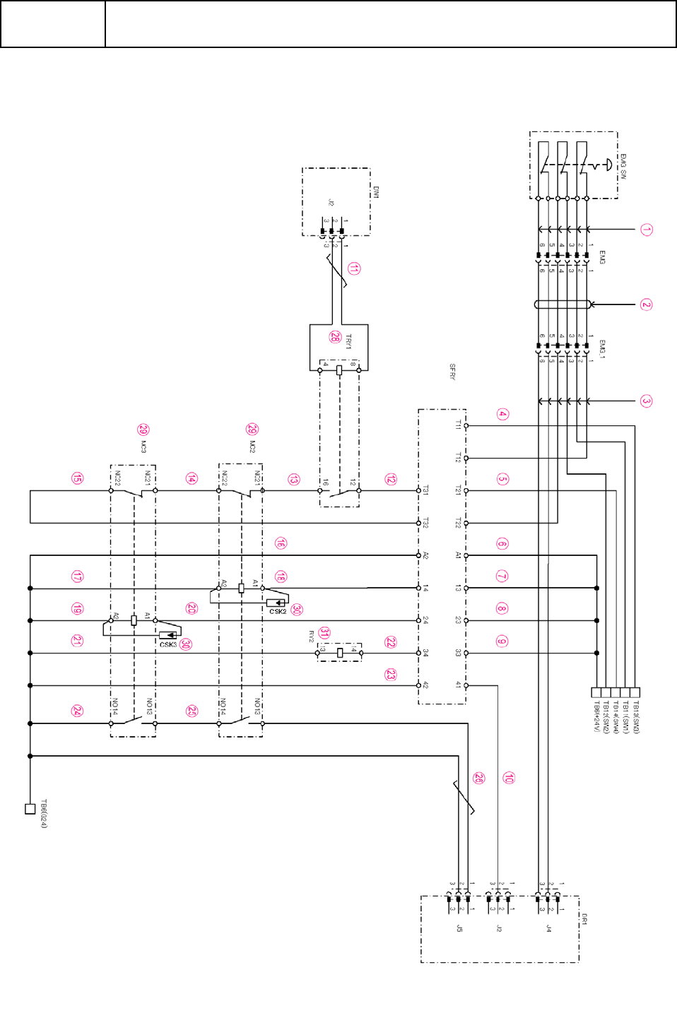
B5 安全回路配線図 (EM - 1) Safety Control wiring diagram (EM - 1) B- 11

100%1 / 144
B4
主電源配線図
(DC)
Main power supply wiring diagram (DC)
イラスト番
Ref.No.
部品コード
Parts Code
部品名
Parts Name
Serial
No.
個数
Q'ty
備考
Remarks
同期
Repl.
1 EZ1-969-180-13
-ネス
(AVR1-TB6)
HARNESS
1
2 EZ1-969-179-11
-ネス
(TB6-RY1)
HARNESS
1
3 EZ1-969-183-12
-ネス
(
リモ- シンゴウ
)
HARNESS
1
4 EZ1-969-282-14
-ネス
(
リモ-
)
HARNESS
1
5 EZ1-969-391-21
-ネス
(TB6-RY1 7)
HARNESS
1
6 EZ1-969-390-11
-ネス
(MC1 A2-TB6)
HARNESS
1
7 EZ1-969-391-11
-ネス
(TB6-RY1 6)
HARNESS
1
8 EZ1-969-391-31
-ネス
(TB6-DR1)
HARNESS
1
9 EZ1-969-392-12
-ネス
(RY1 11-TB8)
HARNESS
1
10 EZ1-969-390-51
-ネス
(TB8-MC1 A1)
HARNESS
1
11 EZ1-969-172-11
-ネス
(RY1-DR1)
HARNESS
1
12 EZ1-969-211-13
-ネス
(PSW1)
HARNESS
1
13 EZ1-969-275-12
-ネス
(
パワ- スイツチ チユウケイ
)
HARNESS
1
14 EZ1-846-555-11
SW
-ブル
(ZY1C-SS3961-P-OFF)
CABLE, SW
1
15 EZ1-846-554-11
SW
-ブル
(ZY1C-SS3961-P-ON)
CABLE, SW
1
16 EZ1-969-432-12
-ネス
(+24V,
ブリツジ
)
HARNESS
1
17 EZ1-969-432-22
-ネス
(G24V,
ブリツジ
)
HARNESS
1
18 EZ1-969-229-23
-ネス
(
- カドウ, カメラ ベ-
)
HARNESS
1
20 EZ1-755-682-11
パワ- リレ
-
(LY4N-D2 DC24)
RELAY, POWER (LY4N-D2 DC24)
1
B-10
B5
安全回路配線図
(EM-1)
Safety Control wiring diagram (EM-1)
B-11
B5
安全回路配線図
(EM-1)
Safety Control wiring diagram (EM-1)
イラスト番
Ref.No.
部品コード
Parts Code
部品名
Parts Name
Serial
No.
個数
Q'ty
備考
Remarks
同期
Repl.
1 EZ1-846-732-11
EMERGENCY CABLE
EMERGENCY CABLE
1
2 EZ1-969-291-12
-ネス
(EMG
チユウケイ
)
HARNESS
1
3 EZ1-969-213-12
-ネス
(EMG
シンゴウ
)
HARNESS
1
4 EZ1-969-266-11
-ネス
(SFRY T11-TB13)
HARNESS
1
5 EZ1-969-266-21
-ネス
(SFRY T21-TB14)
HARNESS
1
6 EZ1-969-181-12
-ネス
(TB6-SFRY A1)
HARNESS
1
7 EZ1-969-181-22
-ネス
(TB6-SFRY 13)
HARNESS
1
8 EZ1-969-181-32
-ネス
(TB6-SFRY 23)
HARNESS
1
9 EZ1-969-181-42
-ネス
(TB6-SFRY 33)
HARNESS
1
10 EZ1-969-264-12
-ネス
(SFRY-DR1)
HARNESS
1
11 EZ1-969-210-13
-ネス
(TRY1-DW1)
HARNESS
1
12 EZ1-969-173-12
-ネス
(SFRY-TRY1)
HARNESS
1
13 EZ1-969-176-13
-ネス
(TRY1-MC2)
HARNESS
1
14 EZ1-969-545-11
-ネス
(MC2 22-MC3 21)
HARNESS
1
15 EZ1-969-174-22
-ネス
(SFRY T32-MC3 22)
HARNESS
1
16 EZ1-969-175-12
-ネス
(SFRY A2-TB6)
HARNESS
1
17 EZ1-969-390-21
-ネス
(MC2 A2-TB6)
HARNESS
1
18 EZ1-969-174-32
-ネス
(SFRY 14-MC2 A1)
HARNESS
1
19 EZ1-969-390-31
-ネス
(MC3 A2-TB6)
HARNESS
1
20 EZ1-969-174-12
-ネス
(SFRY 24-MC3 A1)
HARNESS
1
21 EZ1-969-263-33
-ネス
(TB6-RY2 13)
HARNESS
1
22 EZ1-969-265-12
-ネス
(SFRY-RY2)
HARNESS
1
23 EZ1-969-175-22
-ネス
(SFRY 42-TB6)
HARNESS
1
24 EZ1-969-390-41
-ネス
(MC3 14-TB6)
HARNESS
1
25 EZ1-969-433-11
-ネス
(MC2 14-MC3 13)
HARNESS
1
26 EZ1-969-182-12
-ネス
(DR1-TB6, MC2)
HARNESS
1
28 EZ1-755-533-11
リレ
-
(G6D-F4B)
RELAY (G6D-F4B)
1
29 EZ1-755-536-11
コンタクタ
(SD-N12 DC24V 1A1B)
CONTACTOR (SD-N12 DC24V 1A1B)
2
30 EZ1-234-904-11
コイル -ジ キユウシユウ ユニツト
(UN-SA25)
COIL SURGE UNIT (UN-SA25)
2
31 EZ1-755-682-11
パワ- リレ
-
(LY4N-D2 DC24)
RELAY, POWER (LY4N-D2 DC24)
1
B-12