RV-1-Rev01.pdf - 第106页
B9 ファン配線図 Wiring diagram Fan B- 19

B8
I/O
リンク配線図
Wiring diagram I/O link
イラスト番号
Ref.No.
部品コード
Parts Code
部品名
Parts Name
Serial
No.
個数
Q'ty
備考
Remarks
同期
Repl.
1 EZ1-969-276-12
ハ-ネス
(DIO
デンゲン
, DR1-DW2)
HARNESS
1
2 EZ1-969-155-13
ハ-ネス
(DIO
デンゲン
, DW2-DR3)
HARNESS
1
3 EZ1-969-155-23
ハ-ネス
(DIO
デンゲン
, DR3-DR4)
HARNESS
1
4 EZ1-969-155-33
ハ-ネス
(DIO
デンゲン
, DR4-DW3)
HARNESS
1
5 EZ1-969-154-13
ハ-ネス
(DIO
ツウシン
, PC-DR1)
HARNESS
1
6 EZ1-969-154-23
ハ-ネス
(DIO
ツウシン
, DR1-DW1)
HARNESS
1
7 EZ1-969-154-33
ハ-ネス
(DIO
ツウシン
, DW1-DR2)
HARNESS
1
8 EZ1-969-154-43
ハ-ネス
(DIO
ツウシン
, DR2-DW2)
HARNESS
1
9 EZ1-969-154-53
ハ-ネス
(DIO
ツウシン
, DW2-DR3)
HARNESS
1
10 EZ1-969-154-63
ハ-ネス
(DIO
ツウシン
, DR3-DR4)
HARNESS
1
11 EZ1-969-154-73
ハ-ネス
(DIO
ツウシン
, DR4-DW3)
HARNESS
1
12 EZ1-969-154-83
ハ-ネス
(DIO
ツウシン
, DW3-PC)
HARNESS
1
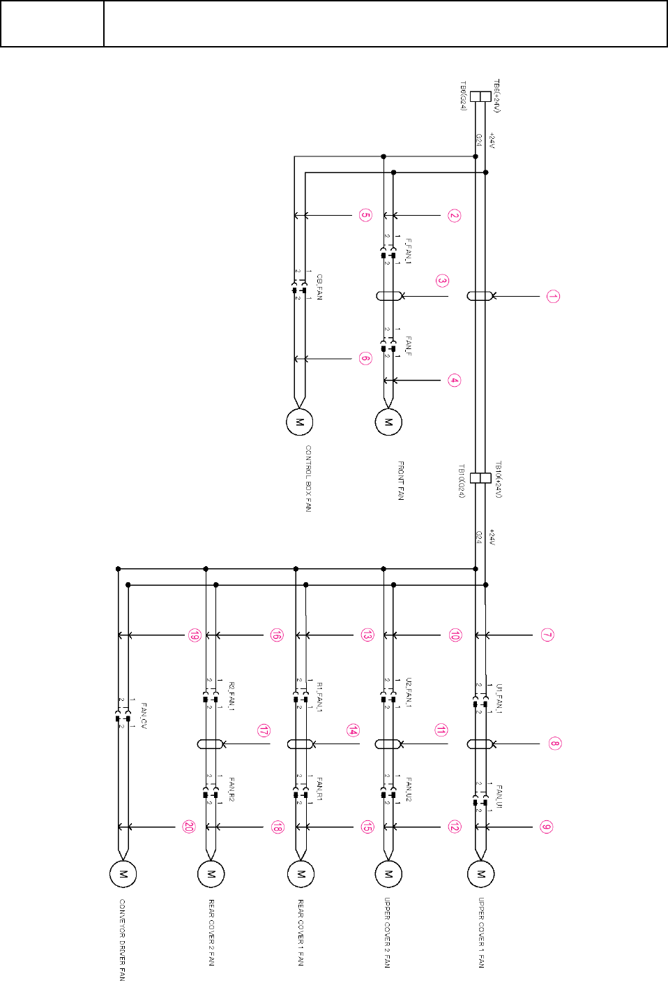
B-18

B9
ファン配線図
Wiring diagram Fan
B-19

B9
ファン配線図
Wiring diagram Fan
イラスト番号
Ref.No.
部品コード
Parts Code
部品名
Parts Name
Serial
No.
個数
Q'ty
備考
Remarks
同期
Repl.
1 EZ1-969-209-14
ハ-ネス
(TB6-TB10)
HARNESS
1
2 EZ1-969-300-53
ハ-ネス
(
フロント カバ- フアン デンゲン
)
HARNESS
1
3 EZ1-969-301-52
ハ-ネス
(
フロント
フアン
チユウケイ
)
HARNESS
1
4 EZ1-492-184-52
FAN ASSY (
フロント
)
ASSY, FAN
1
5 EZ1-969-300-62
ハ-ネス
(
セイギヨ
バン
フアン
デンゲン
)
HARNESS
1
6 EZ1-492-195-12
FAN ASSY (
セイギヨ
バン
)
ASSY, FAN
1
7 EZ1-969-300-13
ハ-ネス
(
ウエ カバ- フアン
1
デンゲン
)
HARNESS
1
8 EZ1-969-301-12
ハ-ネス
(
ウエ カバ-
1
フアン
チユウケイ
)
HARNESS
1
9 EZ1-492-184-12
FAN ASSY (
ウエ カバ-
1)
ASSY, FAN
1
10 EZ1-969-300-23
ハ-ネス
(
ウエ カバ-
フアン
2
デンゲン
)
HARNESS
1
11 EZ1-969-301-22
ハ-ネス
(
ウエ カバ-
2
フアン
チユウケイ
)
HARNESS
1
12 EZ1-492-184-22
FAN ASSY (
ウエ カバ-
2)
ASSY, FAN
1
13 EZ1-969-300-33
ハ-ネス
(
リア カバ-
フアン
1
デンゲン
)
HARNESS
1
14 EZ1-969-301-32
ハ-ネス
(
リア カバ-
1
フアン
チユウケイ
)
HARNESS
1
15 EZ1-492-184-32
FAN ASSY (
リア カバ-
1)
ASSY, FAN
1
16 EZ1-969-300-43
ハ-ネス
(
リア カバ-
フアン
2
デンゲン
)
HARNESS
1
17 EZ1-969-301-42
ハ-ネス
(
リア カバ-
2
フアン
チユウケイ
)
HARNESS
1
18 EZ1-492-184-42
FAN ASSY (
リア カバ-
2)
ASSY, FAN
1
19 EZ1-969-562-11
HARNESS (CV FAN RELAY)
HARNESS (CV FAN RELAY)
1
20 EZ1-492-184-61
FAN ASSY (CV)
FAN ASSY (CV)
1
B-20