RV-1-Rev01.pdf - 第132页
B 22 PC ・カメラ配線図 Wiring diagram PC/ C amera B- 45

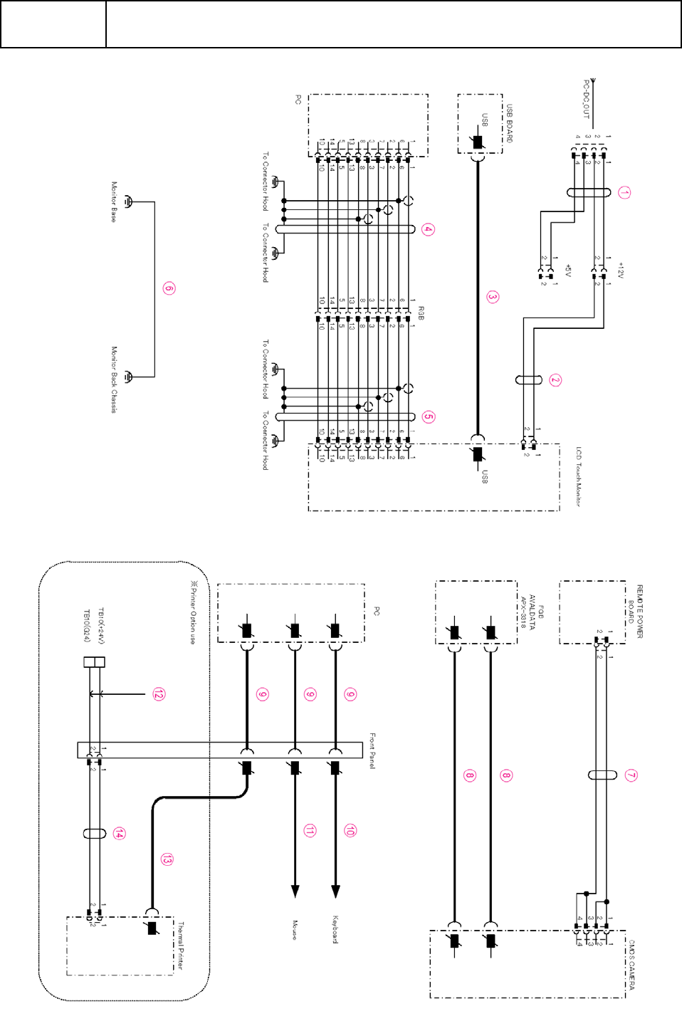
B21
PC
配線図
Wiring diagram PC
イラスト番号
Ref.No.
部品コード
Parts Code
部品名
Parts Name
Serial
No.
個数
Q'ty
備考
Remarks
同期
Repl.
1 EZ1-756-676-11
バツテリ
(BS10A-H24/2.0L)
BATTERY (BS10A-H24/2.0L)
1
2 EZ1-832-158-11
RS232C
ケ-ブル
(PS2601-02)
CABLE, RS232C (PS2601-02)
1
3 EZ1-838-009-11
ATX
デンゲン ケ-ブル
(WH-M2424-500)
CABLE, ATX POWER (WH-M2424-
500)
1
4 EZ1-833-193-11
ATX
デンゲン ケ-ブル
(WH-V0408-500)
CABLE, ATX POWER (WH-V0408-
500)
1
5 EZ1-838-010-11
ATX
デンゲン ケ-ブル
(WH-PS610-850)
CABLE, ATX POWER (WH-PS610-
850)
1
6 EZ1-838-914-11
SATA
ケ-ブル
(OWL-CBSATA-SS70*)
CABLE, SATA (OWL-CBSATA-SS70*)
1
7 EZ1-969-279-12
ハ-ネス
(PC
ソトデンゲン
ブンキ
)
HARNESS
1
8 EZ1-969-280-12
ハ-ネス
(
リモ-ト コントロ-ル
)
HARNESS
1
9 EZ1-969-230-12
ハ-ネス
(PC
ナイ
デンゲン
ブンキ
)
HARNESS
1
10 EZ1-492-183-12
PC
フアン
ASSY
ASSY, PC FAN
1
11 EZ1-855-270-11
CPU
ク-ラ-
(RR-V211-15FK-R2)
CPU COOLER
1
12 EZ1-969-273-13
ハ-ネス
(USB1)
HARNESS
1
13 EZ1-969-273-23
ハ-ネス
(USB2)
HARNESS
1
14 EZ1-846-562-11
USB
ケ-ブル
(USB-001B)
CABLE, USB
2
15 EZ1-969-674-11
HARNESS (FGB-LCB)
HARNESS (FGB-LCB)
1
B-44

B22
PC
・カメラ配線図
Wiring diagram PC/Camera
B-45

B22
PC
・カメラ配線図
Wiring diagram PC/Camera
イラスト番号
Ref.No.
部品コード
Parts Code
部品名
Parts Name
Serial
No.
個数
Q'ty
備考
Remarks
同期
Repl.
1 EZ1-969-189-13
ハ-ネス
(PC-DC OUT
チユウケイ
)
HARNESS
1
2 EZ1-969-188-13
ハ-ネス
(
モニタ
カドウ
デンゲン
)
HARNESS
1
3 EZ1-846-584-22
USB
ケ-ブル
(USB-HBA-4.0L)
CABLE, USB (USB-HBA-4.0L)
1
4 EZ1-969-186-13
ハ-ネス
(
モニタ
コテイ
RGB)
HARNESS
1
5 EZ1-969-187-13
ハ-ネス
(
モニタ
カドウ
RGB)
HARNESS
1
6 EZ1-969-564-11
HARNESS (MONITOR SHIELD)
HARNESS (MONITOR SHIELD)
1
7 EZ1-969-145-13
ハ-ネス
(
カメラ
デンゲン
)
HARNESS
1
8 EZ1-846-580-11
カメラ リンク ケ-ブル
(CL-KH-MM-050)
CABLE, CAMERALINK(CL-KH-MM-
50)
2
9 EZ1-846-600-11
USB
ケ-ブル
(USB-002B)
CABLE, USB (USB-002B)
3
10 EZ1-492-490-11
KEYBOARD (OWL-KB109NC (W))
KEY BOARD (OWL-KB109NC (W))
1
11 EZ1-845-271-11
MOUSE (M-M2UBWH/ RS)
MOUSE (M-M2UBWH/ RS)
1
12 EZ1-969-533-11
ハ-ネス
(
プリンタ
デンゲン
パネル
)
HARNESS
1
13 EZ1-834-618-11
USB
ケ
-
ブル
(KU20-EC2)
CABLE, USB (KU20-EC2)
1
14 EZ1-969-440-13
ハ-ネス
(
プリンタ
デンゲン
)
HARNESS
1
B-46