RV-1-Rev01.pdf - 第95页

B3 主電源配線図 (AC - 2) Main power supply wiring diagram (AC - 2) イラスト番 号 Ref.No. 部品コード Parts Code 部品名 Parts Name Serial No. 個数 Q'ty 備考 Remarks 同期 Repl. 61 EZ 1- 576 - 601 - 11 サ - キツト プロテ クタ (CP 32 F M/ 7) PROTECTOR, C…

100%1 / 144
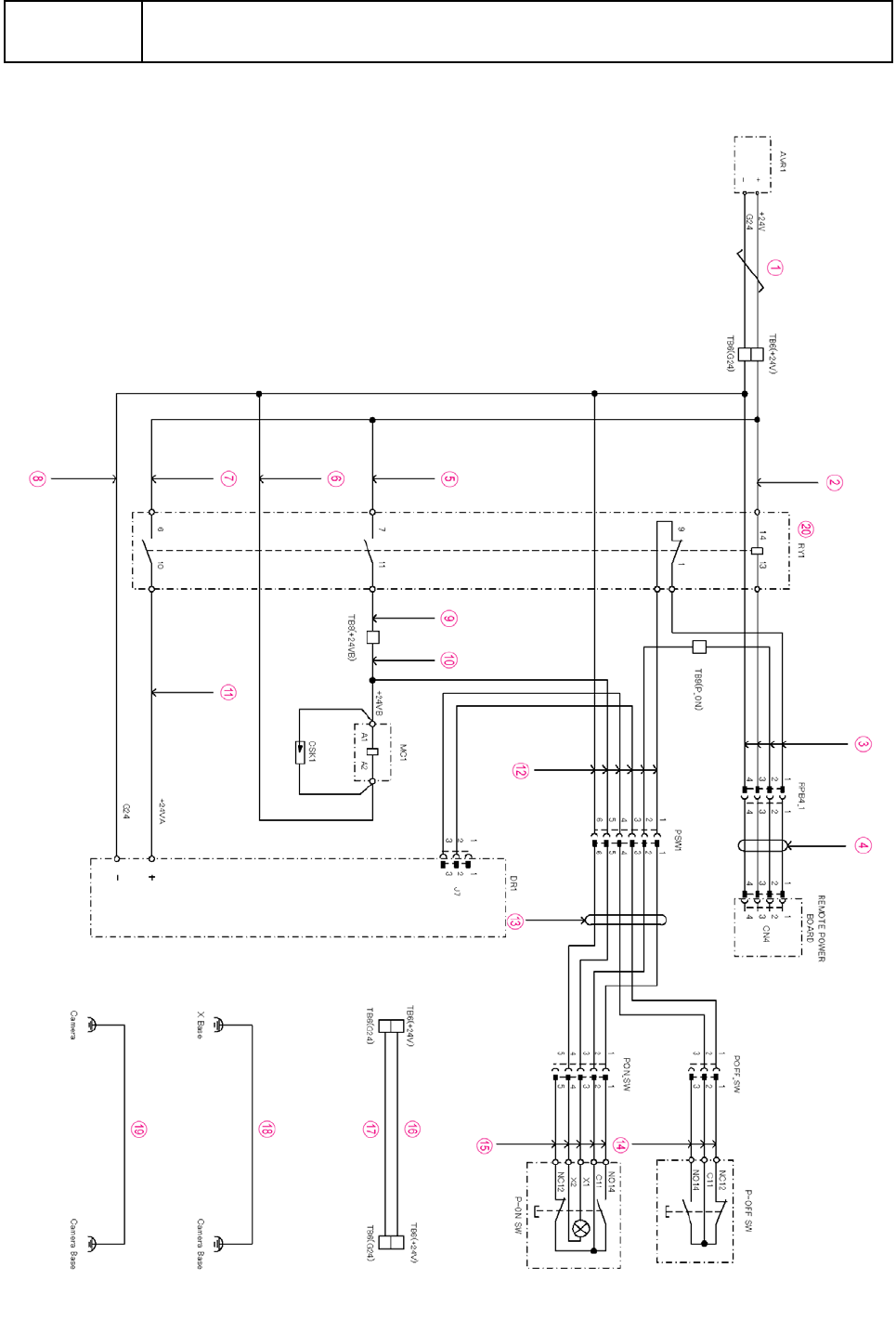
B3
主電源配線図
(AC-2)
Main power supply wiring diagram (AC-2)
イラスト番
Ref.No.
部品コード
Parts Code
部品名
Parts Name
Serial
No.
個数
Q'ty
備考
Remarks
同期
Repl.
31 EZ1-969-171-33
-ネス
(L39, TB5-DRV1)
HARNESS
1
32 EZ1-969-228-13
-ネス
(DRV2,
カイセイ
タンラク
)
HARNESS
1
33 EZ1-969-246-12
-ネス
(L17, TB4-DRV2)
HARNESS
1
34 EZ1-969-246-22
-ネス
(L27, TB4-DRV2)
HARNESS
1
35 EZ1-969-245-12
-ネス
(L19, TB5-DRV2)
HARNESS
1
36 EZ1-969-245-22
-ネス
(L29, TB5-DRV2)
HARNESS
1
37 EZ1-969-245-32
-ネス
(L39, TB5-DRV2)
HARNESS
1
38 EZ1-969-243-12
-ネス
(L110, CP3-NF2)
HARNESS
1
39 EZ1-969-243-22
-ネス
(L310, CP3-NF2)
HARNESS
1
40 EZ1-969-244-12
-ネス
(L111, NF2-AVR2)
HARNESS
1
41 EZ1-969-244-22
-ネス
(L311, NF2-AVR2)
HARNESS
1
42 EZ1-969-163-63
-ネス
(E, NF1)
HARNESS
1
43 EZ1-969-163-33
-ネス
(E, DRV1)
HARNESS
1
44 EZ1-969-163-43
-ネス
(E, DRV2)
HARNESS
1
45 EZ1-969-163-23
-ネス
(E, AVR2)
HARNESS
1
46 EZ1-969-163-73
-ネス
(E, NF2)
HARNESS
1
47 EZ1-969-247-12
-ネス
(L27, TB4-DRV3)
HARNESS
1
48 EZ1-969-247-22
-ネス
(L37, TB4-DRV3)
HARNESS
1
49 EZ1-969-249-12
-ネス
(E, DVR3)
HARNESS
1
50 EZ1-969-248-12
-ネス
(L19, TB5-DRV3)
HARNESS
1
51 EZ1-969-248-22
-ネス
(L29, TB5-DRV3)
HARNESS
1
52 EZ1-969-248-32
-ネス
(L39, TB5-DRV3)
HARNESS
1
53 EZ1-755-583-11
デンジ
セツシヨクキ
(SC-03/G
コイル
DC*)
CONTACTOR, ELECTROMAGNETIC
1
54 EZ1-480-329-11
-ジ キユウシユウ ユニツト
(SZ-ZM1)
ABSORPTION UNIT, SURGE
1
55 EZ1-200-173-11
ノイズ
フイルタ
(TAC-10-683)
FILTER, NOISE (TAC-10-683)
1
56 EZ1-755-536-11
コンタクタ
(SD-N12 DC24V 1A1B)
CONTACTOR (SD-N12 DC24V 1A1B)
2
57 EZ1-492-285-11
-ジ ユニツト
(UN-SA3310)
UNIT, SURGE (UN-SA3310)
2
58 EZ1-492-274-11
-- ドライバ
-
(MR-J3-40BS)
DRIVER, MOTOR (MR-J3-40BS)
1
59 EZ1-492-146-11
-ボ アンプ
(MR-J3W-1010B-MK016)
AMPLIFIER, SERVO
1
60 EZ1-523-277-21
-キツト プロテクタ
(CP33FM/10)
PROTECTOR, CIRCUIT (CP33FM/10)
1
B-7
B3
主電源配線図
(AC-2)
Main power supply wiring diagram (AC-2)
イラスト番
Ref.No.
部品コード
Parts Code
部品名
Parts Name
Serial
No.
個数
Q'ty
備考
Remarks
同期
Repl.
61 EZ1-576-601-11
-キツト プロテクタ
(CP32FM/7)
PROTECTOR, CIRCUIT (CP32FM/7)
1
62 EZ1-200-172-21
ノイズ
フイルタ
(NBC-10-472)
FILTER, NOISE (NBC-10-472)
1
63 EZ1-474-502-11
スイツチング
デンゲン
(PBA600F-24)
POWER, SWITCHING (PBA600F-24)
1
64 EZ1-492-286-11
-ボ アンプ
(MR-J4-10B)
AMPLIFIER, SERVO (MR-J4-10B)
1
B-8
B4
主電源配線図
(DC)
Main power supply wiring diagram (DC)
B-9