RV-1-Rev01.pdf - 第137页
B24 オプション配線図 1 W iring diagra m options 1 イラスト番 号 Ref.No. 部品コード Parts Code 部品名 Parts Name Serial No. 個数 Q'ty 備考 Remarks 同期 Repl. 1 EZ1- 969 - 257 - 14 ハ - ネス (USB ハブ 2 デンゲン ) HARNESS 1 2 EZ1- 969 - 430 - 13 ハ - ネ…

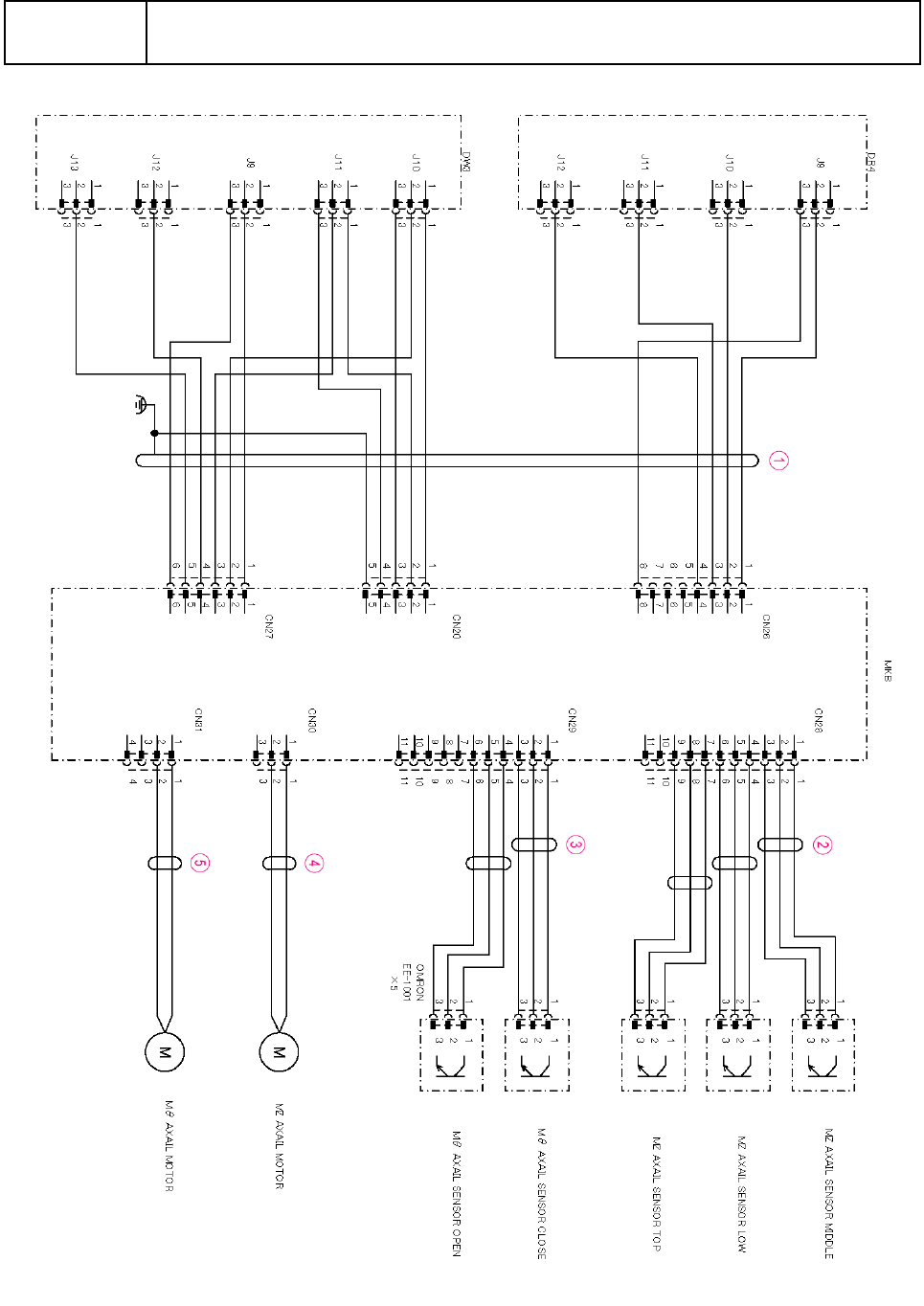
B24
オプション配線図
1
Wiring diagram options 1
B-49

B24
オプション配線図
1
Wiring diagram options 1
イラスト番号
Ref.No.
部品コード
Parts Code
部品名
Parts Name
Serial
No.
個数
Q'ty
備考
Remarks
同期
Repl.
1 EZ1-969-257-14
ハ-ネス
(USB
ハブ
2
デンゲン
)
HARNESS
1
2 EZ1-969-430-13
ハ-ネス
(USB
ハブ
1
デンゲン
)
HARNESS
1
3 EZ1-846-831-11
USB CABLE (KU20-EC3)
USB CABLE (KU20-EC3)
1
4 EZ1-846-584-12
USB
ケ-ブル
(USB-HBA-4.0L)
CABLE, USB (USB-HBA-4.0L)
1
5 EZ1-846-673-11
USB
ケ-ブル
(U2C-MX05BK)
CABLE, USB (U2C-MX05BK)
4
6 EZ1-969-341-13
ハ-ネス
(
バツク
アツプ
フロント
シンゴウ
)
HARNESS
1
7 EZ1-969-531-11
ハ-ネス
(
バツクアツプ
チユウケイ
)
HARNESS
2
8 EZ1-492-439-11
センサ
-
ASSY (
バツクアツプ
ジヨウシヨウ
)
ASSY, SENSOR
2
9 EZ1-492-439-21
センサ-
ASSY (
バツクアツプ
カコウ
)
ASSY, SENSOR
2
10 EZ1-969-341-23
ハ-ネス
(
バツク
アツプ
リア
シンゴウ
)
HARNESS
1
B-50

B25
オプション配線図
2
Wiring diagram options 2
B-51