RV-1-Rev01.pdf - 第134页
B 23 照明配線図 Wiring diagram lighting B- 47

B22
PC
・カメラ配線図
Wiring diagram PC/Camera
イラスト番号
Ref.No.
部品コード
Parts Code
部品名
Parts Name
Serial
No.
個数
Q'ty
備考
Remarks
同期
Repl.
1 EZ1-969-189-13
ハ-ネス
(PC-DC OUT
チユウケイ
)
HARNESS
1
2 EZ1-969-188-13
ハ-ネス
(
モニタ
カドウ
デンゲン
)
HARNESS
1
3 EZ1-846-584-22
USB
ケ-ブル
(USB-HBA-4.0L)
CABLE, USB (USB-HBA-4.0L)
1
4 EZ1-969-186-13
ハ-ネス
(
モニタ
コテイ
RGB)
HARNESS
1
5 EZ1-969-187-13
ハ-ネス
(
モニタ
カドウ
RGB)
HARNESS
1
6 EZ1-969-564-11
HARNESS (MONITOR SHIELD)
HARNESS (MONITOR SHIELD)
1
7 EZ1-969-145-13
ハ-ネス
(
カメラ
デンゲン
)
HARNESS
1
8 EZ1-846-580-11
カメラ リンク ケ-ブル
(CL-KH-MM-050)
CABLE, CAMERALINK(CL-KH-MM-
50)
2
9 EZ1-846-600-11
USB
ケ-ブル
(USB-002B)
CABLE, USB (USB-002B)
3
10 EZ1-492-490-11
KEYBOARD (OWL-KB109NC (W))
KEY BOARD (OWL-KB109NC (W))
1
11 EZ1-845-271-11
MOUSE (M-M2UBWH/ RS)
MOUSE (M-M2UBWH/ RS)
1
12 EZ1-969-533-11
ハ-ネス
(
プリンタ
デンゲン
パネル
)
HARNESS
1
13 EZ1-834-618-11
USB
ケ
-
ブル
(KU20-EC2)
CABLE, USB (KU20-EC2)
1
14 EZ1-969-440-13
ハ-ネス
(
プリンタ
デンゲン
)
HARNESS
1
B-46

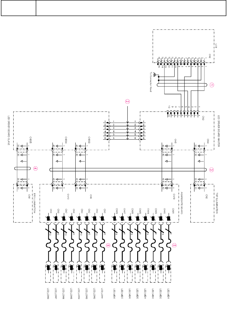
B23
照明配線図
Wiring diagram lighting
B-47

B23
照明配線図
Wiring diagram lighting
イラスト番号
Ref.No.
部品コード
Parts Code
部品名
Parts Name
Serial
No.
個数
Q'ty
備考
Remarks
同期
Repl.
1 EZ1-969-281-15
ハ-ネス
(
シヨウメイ
, LCB-LDBM)
HARNESS
1
2 EZ1-969-200-12
ハ-ネス
(
シヨウメイ
, LDBM-LDBS)
HARNESS
1
3 EZ1-969-216-14
ハ-ネス
(LED
シユウヤク
)
HARNESS
1
4 EZ1-969-217-12
ハ-ネス
(LED
シユウヤク
ドウジク
)
HARNESS
1
5 EZ1-837-348-11
フレキシブル フラツト ケ-ブル
(8P)
CABLE, FLEXIBLE FLAT (8P)
8
6 EZ1-837-349-11
フレキシブル フラツト ケ-ブル
(10P)
CABLE, FLEXIBLE FLAT (10P)
8
B-48