FX-3-Rev13(k-).pdf - 第110页
- 105 - 53. MAIN LINE FILTER COMPONENTS メインラインフィルタ関係 24 15 14 16 17 21 20 7 8 11 9 3 4 6 18 19 12 5 2 1 10 24 23 22 25 13 26

- 104 -
NOTE( 注記 ) #01....FOR 150MM 150 MM 用
#02....FOR 250MM 250 MM 用
#03....FOR LW-EN LW − EN 用
#04....FOR 115MM 115 MM 用
#05....FOR 200MM(EN) 200 MM(EN)用
REF.NO NOTE PART NO D E S C R I P T I O N
品 名
Qty
1
#01
400-73916 CONVEYOR EXTENSION 150 ASM
コンベアエクステンション150組
1
2
#02
400-73915 CONVEYOR EXTENSION 250 ASM
コンベアエクステンション250組
1
3
#01
400-11053 RAIL PLATE F(150)
レールプレート F(150)
(1)
4
#02
400-11060 RAIL PLATE F(250)
レールプレート F(250)
(1)
5
#01
400-11054 RAIL PLATE R(150)
レールプレート R(150)
(1)
6
#02
400-11061 RAIL PLATE R(250)
レールプレート R(250)
(1)
7
#01
400-73884 RAIL IN-OUT B-150
レール IN − OUT B −150
(1)
8
#02
400-73886 RAIL IN-OUT B-250
レール IN − OUT B −250
(1)
9
#01
400-73883 RAIL IN-OUT A-150
レール IN − OUT A −150
(1)
10
#02
400-73885 RAIL IN-OUT A-250
レール IN − OUT A −250
(1)
11
#01
400-11057 PWB GUIDE EX(150)
PWB ガイド EX(150)
(2)
12
#02
400-11064 PWB GUIDE EX(250)
PWB ガイド EX(250)
(2)
13
#01
400-73709 CONVEYOR BELT 150
コンベアベルト150
(2)
14
#02
400-73708 CONVEYOR BELT 250
コンベアベルト250
(2)
15
#01
400-11072 JOINT PLATE F(150)
ジョイントプレート F(150)
(2)
16
#02
400-11066 JOINT PLATE F(250)
ジョイントプレート F(250)
(2)
17
#01
SL-6031092-TN SCREW
座金付き六角穴ボルト
(6)
18
#02
SL-6031092-TN SCREW
座金付き六角穴ボルト
(8)
19 SL-6031492-TN SCREW
座金付き六角穴ボルト
(4)
20 SL-6041292-TN SCREW
座金付き六角穴ボルト
(6)
21
#01
SL-6041092-TN SCREW
座金付き六角穴ボルト
(8)
22
#02
SL-6041092-TN SCREW
座金付き六角穴ボルト
(12)
23
#01
NM-6040002-SN NUT M4
六角ナット M 4 X 0.7 2種
(8)
24
#02
NM-6040002-SN NUT M4
六角ナット M 4 X 0.7 2種
(12)
25 HX-0044000-00 CABLE BAND
束線バンド
(5)
26
#03
400-73917 CONVEYOR EXTENSION LW ASM(EN)
搬送延長 LW 組(EN)
1
27
#05
400-94069 CONVEYOR EXTENSION XL 200 ASM(EN)
搬送延長200組(EN)
1
28 400-46881 CONVEYOR EXTENSION LW ASM
搬送延長 LW 組
(1)
29 SL-6031092-TN SCREW
座金付き六角穴ボルト
(16)
30 400-46990 RAIL PLATE IN-OUT A-W
レールプレート IN − OUT A − W
(2)
31 400-46991 RAIL PLATE IN-OUT B-W
レールプレート IN − OUT B − W
(2)
32 400-00791 JOINT PLATE F(W)
ジョイントプレート F(W)
(4)
33 E2176-725-000 JOINT PLATE R(100)
ジョイントプレート R(100)
(4)
34 SL-6041292-TN SCREW
座金付き六角穴ボルト
(16)
35 400-00789 PWB GUID EX(W)
PWB ガイド EX(W)
(4)
36 SL-6030892-TN SCREW
座金付き六角穴ボルト
(8)
37 400-46938 CONVEYOR BELT IN-OUT W
コンベアベルト IN − OUT W
(4)
38 400-46988 RAIL IN-OUT A-W
レール IN − OUT A − W
(2)
39 400-46989 RAIL IN-OUT B-W
レール IN − OUT B − W
(2)
40 400-47307 CONVEYOR COVER LW ASM
搬送カバー LW 組
(1)
41
#05
400-94067 CONVEYOR COVER XL 200 ASM
搬送カバー XL 200組
(1)
42 400-47228 CONVEYOR UPPER COVER LW
コンベアアッパーカバー LW
(2)
43 400-01484 CONVEYOR SHUTTER U(L_EN)
搬送シャッター U(L _ EN)
(2)
44 400-01485 CONVEYOR SHUTTER B(L_EN)
搬送シャッター B(L _ EN)
(2)
45 SM-0040801-SC SCREW
トラスねじ M 4 L =8
(40)
46 E1143-721-000 WOOLEN CLOTH PAPER
搬送カバーラシャペーパ(CE)
(8)
47 E5721-729-000 LABEL
荷重禁止シール
(2)
48 400-01490 TAPE
テープ
(3)
49 400-47226 CONVEYOR COVER LW
コンベアカバー LW
(2)
50 400-47227 CONVEYOR SIDE COVER LW
コンベアサイドカバー LW
(2)
51
#05
400-92188 EN CONVEYOR COVER U XLW
EN コンベヤカバー U XLW
(2)
52
#05
400-92189 EN CONVEYOR COVER C XLW
EN コンベヤカバー C XLW
(2)
53
#05
400-92063 EN CONVEYOR COVER B XLW
EN コンベヤカバー B XLW
(2)
54
#05
400-92186 EN COVER SHUTTER U XL
EN カバーシャッタ U XL
(2)
55
#05
400-92187 EN COVER SHUTTER B XL
EN カバーシャッタ B XL
(2)
56
#05
400-92074 EN COVER STOPPER XLW
EN カバーストッパ XLW
(2)
57
#05
400-94206 BCR RAIL SUPPORT A XL
BCR レールサポート A
(2)
58
#05
400-92076 BCR RAIL SUPPORT B XL
BCR レールサポート B
(2)
59
#05
400-92065 BCR BEAM XLW
BCR ビーム XLW
(4)
60
#05
SM-0040801-SC SCREW
トラスねじ M 4 L =8
(50)
61
#05
SL-3061232-TN SCREW
座金付き丸ねじ M 6 L =12
(8)
62
#05
SL-6041092-TN SCREW
座金付き六角穴ボルト
(4)
63
#05
SL-6051692-TN BOLT
座金付き六角穴ボルト
(4)
64
#05
E1143-721-000 WOOLEN CLOTH PAPER
搬送カバーラシャペーパ(CE)
(8)
65
#05
E5721-729-000 LABEL
荷重禁止シール
(2)
66
#05
400-01490 TAPE
テープ
(3.6)
67 401-05884 LOAD PROHIBITION LABEL
荷重禁止シール
(2)
68
#05
400-94068 CONVEYOR EXTENSION XL 200 ASM
搬送延長200組
(1)
69 400-94209 CONVEYOR EXTENSION XL 200 ONE SIDE ASM
搬送延長200組片側
(2)
70 400-92042 RAIL PLATE R EX200
レールプレート R EX 200
(1)
71 400-92037 RAIL IN-OUT A EX200
レール IN-OUTA EX 200
(1)
72 400-92041 RAIL IN-OUT B EX200
レール IN-OUT B EX 200
(1)
73 400-92039 PWB GUIDE EX200
PWB ガイド EX 200
(2)
74 400-92062 CONVEYOR BELT EX200
コンベヤベルト EX 200
(2)
75 400-92040 JOINT PLATE F EX200
ジョイントプレート EX 200
(2)
76 SL-6031092-TN SCREW
座金付き六角穴ボルト
(12)
77 SL-6041292-TN SCREW
座金付き六角穴ボルト
(6)
78 SL-6041092-TN SCREW
座金付き六角穴ボルト
(14)
79 NM-6040002-SN NUT M4
六角ナット M 4 X 0.7 2種
(14)
80 HX-0044000-00 CABLE BAND
束線バンド
(5)
81 400-92038 RAIL PLATE F EX200
レールプレート F EX 200
(1)
82
#04
400-73300 CONVEYOR EXTENSION 115 ASM
搬送延長115組
1
83 400-46989 RAIL IN-OUT B-W
レール IN − OUT B − W
(1)
84 SL-6031092-TN SCREW
座金付き六角穴ボルト
(8)
85 400-46990 RAIL PLATE IN-OUT A-W
レールプレート IN − OUT A − W
(1)
86 400-46991 RAIL PLATE IN-OUT B-W
レールプレート IN − OUT B − W
(1)
87 400-00791 JOINT PLATE F(W)
ジョイントプレート F(W)
(2)
88 E2176-725-000 JOINT PLATE R(100)
ジョイントプレート R(100)
(2)
89 SL-6041292-TN SCREW
座金付き六角穴ボルト
(8)
90 400-00789 PWB GUID EX(W)
PWB ガイド EX(W)
(2)
91 SL-6030892-TN SCREW
座金付き六角穴ボルト
(4)
92 400-46938 CONVEYOR BELT IN-OUT W
コンベアベルト IN − OUT W
(2)
93 400-46988 RAIL IN-OUT A-W
レール IN − OUT A − W
(1)

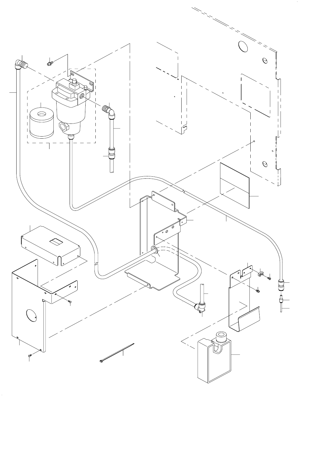
- 105 -
53.MAIN LINE FILTER COMPONENTS
メインラインフィルタ関係
24
15
14
16
17
21
20
7
8
11
9
3
4
6
18
19
12
5
2
1
10
24
23
22
25
13
26

- 106 -
REF.NO NOTE PART NO D E S C R I P T I O N
品 名
Qty
1 PF-0154010-A0 AIR FILTER
エアフィルター
1
2 PF-9010070-00 FILTER ELEMENT
フィルターエレメント
(1)
3 BT-1200801-EF TUBE
チューブ
0.8
4 PJ-3041200-01 ELBOW D=12
エルボφ12
1
5 BT-1200801-EF TUBE
チューブ
1
6 BT-1000651-EB POLYURETHANE TUBE
ポリウレタン チューブ
0.7
7 PJ-3031000-02 STRAGHT
ストレート
1
8 PJ-3090400-03 STRAGHT
レジューサ(φ 4− φ 10)
1
9 BT-0400251-EA TUBE HOSE, BLUE
ウレタンホース 青
0.16
10 SL-6061692-TN BOLT
座金付き六角穴ボルト
2
11 400-31183 FILTER BRACKET
フィルタブラケット
1
12 HX-0005500-0J RUBBER BUSHING
ゴムブッシュ
1
13 E1387-700-000 HOD MAGNET
HOD マグネット
2
14 400-17146 DRAIN TANK STAY B
ドレインタンクステイ B
1
15 SL-6040892-TN BOLT
座金付き六角穴ボルト
2
16 HX-0029400-00 FIXED BASE
固定ベース
1
17 SM-4040601-SC SCREW M4X0.7 L=6
なべ小ねじ M 4 X 0.7 L =6
1
18 EA-9500B01-00 CABLE BAND
束線バンド
1
19 400-16815 DRAIN TANK
ドレインタンク
1
20 400-31184 FILTER COVER U
フィルターカバー U
1
21 SM-3040652-TN SCREW M4 L=6
丸ねじ M 4 L =6
6
22 400-31185 FILTER COVER B
フィルターカバー B
1
23 SM-3040652-TN SCREW M4 L=6
丸ねじ M 4 L =6
4
24 PJ-3041254-01 ELBOW UNION D=12
エルボユニオン φ 12
2
25 BT-1200801-EF TUBE
チューブ
0.2
26 400-73368 STRAIGHT UNION 12
ストレートユニオン φ 12
1