FX-3-Rev13(k-).pdf - 第152页
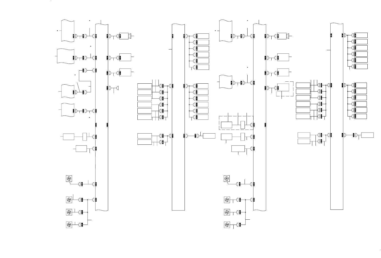
- 147 - 74. SYSTEM DIAGRAM (HEAD LF/LR) SYSTEM DIAGRAM (HEAD LF / LR) OPTION CN3 7-1B 6-1B PC B IP -X5 4-5A POWE R UN IT (L) CN02 0 6-3A PWRL 020 CN201 CN246 CN802 3-1A ETHE R-MAI N PCB EN1 7-1A 3-2A HEAD -MAI N PCB( LR)…

- 146 -
REF.NO NOTE PART NO D E S C R I P T I O N
品 名
Qty
1 400-44535 4AXIS SERVO AMP
4軸一体型サーボアンプ
12
2 400-48287 Z1-Z2 MOTOR EXTENSION CABLE ASM
Z 1− Z 2モータ延長ケーブル組
9
3 400-44533 SERVO MOTOR 10W
サーボモータ10 W
24
4 400-48065 SERVO MOTOR 30W
サーボモータ30 W
20
5 400-48288 Z3-Z4 MOTOR EXTENSION CABLE ASM
Z 3− Z 4モータ延長ケーブル組
8
6 400-91910 1394 POWER CABLE ASM
1394パワーケーブル組
1
7 400-48065 SERVO MOTOR 30W
サーボモータ30 W
4
8 400-48289 Z5-Z6 MOTOR EXTENSION CABLE ASM
Z 5− Z 6モータ延長ケーブル組
7
9 400-70445 LNC60 I/F CABLE ASM A
LNC 60 I / F ケーブル組 A
4
10 400-45547 LNC60
レーザセンサ
4
11 400-44517 1394 ROBOT CABLE ASM
1394ロボットケーブル組
4
12 400-48078 IEEE1394 REPEATER BOARD
IEEE 1394リピータボード
4
13 400-48003 IEEE1394 BOARD
IEEE 1394ボード
4
14 400-48033 1394 CABLE 4.5M
1394ケーブル 4.5 M
4

- 147 -
74.SYSTEM DIAGRAM (HEAD LF/LR)
SYSTEM DIAGRAM(HEAD LF / LR)
OPTION
CN3
7-1B
6-1B
PC B
IP-X5
4-5A
POWER UNIT
(L)
CN020
6-3A
PWRL020
CN201
CN246
CN802
3-1A
ETHER-MAIN
PCB
EN1
7-1A
3-2A
HEAD-MAIN
PCB(LR)
6-4A
EN1
1-4C
IP-X5
PCB
CN2
6-3B
IPX OCC
LF
CN478 LF
CN478
CN805
HEIGHT
SENSOR
THERMAL
SENSOR
PCB
HEAD_CN23
HEAD
CN22
AMP
CN23
CN22
CN14
CN19
CN12
CN29
6-2A
HEAD_CN29
PLATE_F
HEAD_CN12
HEAD FAN(LF)
PLATE_F
OCC_F
2
1
NZL DWN
HEAD_ CN28
CN28
CN16
NOZZLE DOWN
SENSOR L
NOZZLE DOWN
SENSOR R
PRESSURE
Z1
Z2
Z3
Z4
Z5
Z6
HEAD
CN24
Z1 PRESSURE
Z2 PRESSURE
SENSOR
Z3 PRESSURE
SENSOR
Z4 PRESSURE
SENSOR
Z5 PRESSURE
SENSOR
Z6 PRESSURE
SENSOR
SENSOR
CN24
CN26
HEAD_CN27
HEAD_CN25
6-1D
CN27
CN25
HEAD-MAIN
PCB(LF)
Z1 VA CUUM
SOLENOID
Z2 VACUUM
SOLENOID
Z3 VACUUM
SOLENOID
Z4 VACUUM
SOLENOID
Z5 VA CUUM
SOLENOID
Z6 VACUUM
SO
LENOID
Z1V
Z2V
Z3V
Z4V
Z5V
Z6V
Z1 BLOW
SOLENOID
Z2 BLOW
SOLENOID
Z3 BLOW
SOLENOID
Z4 BLOW
SOLENOID
Z5 BLOW
SOLENOID
Z6 BL OW
SOLENOID
HEAD_CN26
Z1B
Z2B
Z3B
Z4B
Z5B
Z6B
HEAD_CN16
NOZZLE UP
SOLENOID
6-5A
CN29
CN12
HEAD_CN29
PLATE_F
PLATE_F
OCC_F
HEAD_CN12
HEAD FAN(LR)
CN23
HEAD
CN23
CN22
HEAD
CN22
AMP
THERMAL
SENSOR PCB
HEIGHT
SENSOR
CN19
CN14
HEAD
CN14
AMP
BAD MARK
SENSOR
CN2
CN11
CN805
CN478
CN478 LR
IPX OCC
LR
CN10
CN9
6-1A
POWER UNIT
(L)
CN021
8-2A
PWRL021
CN246
CN802
CN202
6-1A
CN13
CN1
HEAD-MAIN
PCB(LR)
HEAD_CN1
OCC CAMERA(F)
VIDEO OUT/DC IN/SYNC
OCC
HEAD_CN9
LIGHT-C
OCC-C
CN1
LIGHT-A1
OCC-A
CN1
HEAD_CN10
HEAD_CN11
LIGHT-A2
OCC-A
CN1
OPTION
NOZZLE DOWN
SENSOR R
NOZZLE DOWN
SENSOR L
HEAD_CN28
NZ
L DWN
1
2
CN28
CN16
HEAD_CN16
Z6 PRESSURE
SENSOR
SENSOR
Z5 PRESSURE
Z4 PRESSURE
SENSOR
Z3 PRESSURE
SENSOR
Z2 PRESSURE
SENSOR
Z1 PRESSURE
SENSOR
PRESSURE
HEAD
CN24
Z1
Z2
Z3
Z4
Z5
Z6
CN24
CN26
HEAD_CN27
6-4D
CN27
CN25
HEAD-MAIN
PCB(LR)
HEAD_CN25
Z1V
Z2V
Z3V
Z4V
Z5V
Z6V
Z1 VACUUM
SOLENOID
Z2 VACUUM
SOLENOID
Z3 VACUUM
SOLENOID
Z4 VACUUM
SOLENOID
Z5 VACUUM
SOLENOID
Z6 VA CUUM
SOLEN OID
HEAD_CN26
Z1B
Z2B
Z3B
Z4B
Z5B
Z6B
Z1 BLOW
SOLENOID
Z2 BLOW
SOLENOID
Z3 BLOW
SOLENOID
Z4 BLOW
SOLENOID
Z5 BLOW
SOLENOID
Z6 BLOW
SOLENOID
NOZZLE UP
SOLENOID
OCC CAMERA(F)
VIDEO OUT/ DC IN/SYNC
OCC
HEAD_CN1
LIGHT-C
OCC-C
LIGHT-A1
OCC-A
CN1
CN1
HEAD_CN11
HEAD_CN10
HEAD_CN9
3-2A
CN13 CN1
HEAD-MAIN
PCB(LF)
CN9
EN1
EN2
CN10
CN11
CN2
CN813LR
CN813
EN1
EN
2
CN814
CN814LF
EN1
CN813LF
CN813
EN1
1 2
3
14
11
8
5
12
13
15
16
5
6
17
7
20
19
18
9
10
28
29
29
30
31
27
26
24
22
21 23 25
39
40
38
32
33
34
35
36
37
41
5
42 43
44
5
1
2
45
9
10
27
25
22
24
23
26
21
6
46
9
10
4
48
47
49
7
20
1918
28
31
30
29
29
41
38
5
42
43
44
39
40
32
33
34
35
36
37
9
10

- 148 -
NOTE( 注記 ) #01....FOR EN EN 用
#02....TYPE XL XL 仕様
REF.NO NOTE PART NO D E S C R I P T I O N
品 名
Qty
1 400-98974 POWER_SUPPLY_ASSY_L(ST)
電源供給組(左)ST
2
2
#01
400-93149 POWER SUPPLY ASSY L(EN)
電源供給組(左)EN
2
3 401-49647 ETHER-MAIN PCB ASM
イーサメイン基板組
1
4 400-47507 OCC A LIGHT PCB
OCC A ライト基板
1
5 400-47506 HEAD-MAIN PCB ASM
HEAD − MAIN 基板組
5
6 400-47528 IP-X5 PCB ASM
IP − X 5基板 組図
2
7 HD-0022500-00 SENSOR
センサー
2
8 400-91530 HEAD MAIN PWR CABLE (LF) ASM
ヘッドメイン電源ケーブル(LF)組
1
9 400-47500 XY BEAR CABLES D ASM
XY ベアケーブル D 組
4
10
#02
400-89837 XY BEAR CABLES D ASM XL
XY ベアケーブル D 組 XL
4
11 400-47946 ETHER HEAD LF CABLE ASM
イーサ ヘッド LF ケーブル組
1
12 400-47810 Y BEAR A CABLES ASM
Y ベア A ケーブル組
1
13
#02
400-89838 Y BEAR A CABLES ASM XL
Y ベアケーブル A 組 XL
1
14 400-47947 ETHER HEAD LR CABLE ASM
イーサ ヘッド LR ケーブル組
1
15 400-47811 Y BEAR B CABLES ASM
Y ベア B ケーブル組
1
16
#02
400-89839 Y BEAR B CABLES ASM XL
Y ベアケーブル B 組 XL
1
17 400-47942 OCC CABLE LF ASM
OCC ケーブル LF 組
1
18 400-47874 HIGHT SENSOR UNIT ASM
ハイトセンサユニット組
2
19 400-48272 BASE TEMP CABLE ASM
ベース温度ケーブル組
2
20 400-29824 TEMPERATURE SENSOR PCB ASM
温度センサ基板組
2
21 400-47865 OCC CAMERA CABLE ASM
OCC カメラケーブル組
2
22 400-48028 OCC CAMERA
OCC カメラ
2
23 400-47866 OCC C LIGHT CABLE ASM
OCC C ライトケーブル組
2
24 400-47511 OCC C LIGHT PCB
OCC C ライト基板
2
25 400-47867 OCC A1 LIGHT CABLE ASM
OCC A 1ライトケーブル組
2
26 400-47507 OCC A LIGHT PCB
OCC A ライト基板
2
27 400-47868 OCC A2 LIGHT CABLE ASM
OCC A 2ライトケーブル組
2
28 400-82666 HEAD FAN CABLE ASM
ヘッドファンケーブル組
2
29 400-82667 HEAD PLATE FAN CABLE ASM
ヘッドプレートファンケーブル組
4
30 400-82668 OCC FAN CABLE ASM
OCC ファンケーブル組
2
31 400-65161 HEAD FAN RELAY CABLE ASM
ヘッドファン中継ケーブル組
2
32 400-48279 Z1 PRESSURE SENSOR ASM
Z 1 PRESSURE センサー組
2
33 400-48280 Z2 PRESSURE SENSOR ASM
Z 2 PRESSURE センサー組
2
34 400-48281 Z3 PRESSURE SENSOR ASM
Z 3 PRESSURE センサー組
2
35 400-48282 Z4 PRESSURE SENSOR ASM
Z 4 PRESSURE センサー組
2
36 400-48283 Z5 PRESSURE SENSOR ASM
Z 5 PRESSURE センサー組
2
37 400-48284 Z6 PRESSURE SENSOR ASM
Z 6 PRESSURE センサー組
2
38 400-47877 Z PRESSURE RELAY CABLE ASM
Z PRESSURE 中継ケーブル組
2
39 400-92835 NOZZLE DOWN SENSOR1 ASM
ノズル DOWN センサー1ケーブル組
2
40 400-92836 NOZZLE DOWN SENSOR2 ASM
ノズル DOWN センサー2ケーブル組
2
41 400-47980 NOZZLE DOWN RELAY CABLE ASM
ノズル DOWN 中継ケーブル組
2
42 400-47869 VAC CABLE ASM
VAC ケーブル組
2
43 400-47870 BLOW CABLE ASM
BLOW ケーブル組
2
44 400-47982 NOZZLE UP SV ASM
ノズル UP SV 組
2
45 400-91531 HEAD MAIN PWR CABLE (LR) ASM
ヘッドメイン電源ケーブル(LR)組
1
46 400-47943 OCC CABLE LR ASM
OCC ケーブル LR 組
1
47 E9638-729-000 FIBER LENS
ファイバレンズ
1
48 HD-0013100-30 FIBER UNIT
ファイバユニット
1
49 400-47981 BAD MARK FIBER AMP ASM
バッドマークファイバアンプ組
1