FX-3-Rev13(k-).pdf - 第157页
- 152 - NOTE( 注記 ) #01....FOR EN EN 用 #02....TYPE X L XL 仕様 #03....FOR XL (EN) XL(EN)用 REF.NO NOTE PART NO D E S C R I P T I O N 品 名 Qty 1 400-98950 POW ER_SUPPLY_ASSY_R (ST) 電源供給組(右)ST 4 2 #01 400-93150 POWER SUPP LY AS…

- 151 -
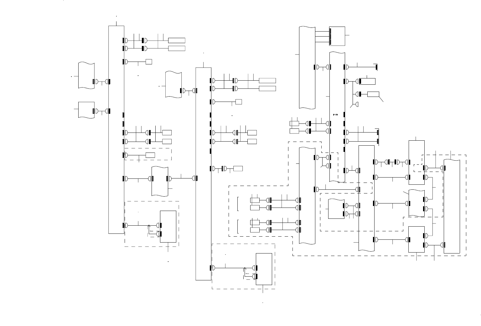
76.SYSTEM DIAGRAM (BASE-CARRY)
SYSTEM DIAGRAM(BASE − CARRY)
Note1
Note1
7-1A
ETHER-MAIN
PCB
EN3
ES-BC CN1
3-1B
ETHER-SLA VE
PCB(BC)
EN1
J1
J2
SMEMA
LOWE R UNIT
UPPER UNIT
SMEMA
COVER
IN
COVER
OUT
SMEMA_U
SME MA_L
SMEMA-U
CN30
SMEMA-L
CN31
CN13
AN1
CN14
AN2
CN20
SPO1
CN16
SPO2
CN28
SPO1
CN29
SPO2
8-2A
CN32
BC-32
EV-R
EV
STOP
SHAPE _X
SHAPE_Y
BU_LOCK
STOPPER(R)
SOLV.
SHAPE X (R)
SOLV.
SHAPE Y (R)
SOLV.
BU(R) L OCK
SOLV.
CN24
BC-24
EV-L
EV
STOP
SHAPE_X
SHAPE_Y
BU_LOCK
STOPPER(L)
SOLV.
SHAPE X(L)
SOLV.
SHAPE Y(L)
SOLV.
BU(L) LOCK
SOLV.
CN10
MTR6 -8
MT6-8
OTM-1
5DRIVER
CN1
CN2
(OUT)
OTM-2
9-2A
CN033
POWER UNIT(R)
8-2B
PWRR033
OTM-P
OUT M OTOR
OTM CN665
CN656
CMR-1
5DRIVER
CN1
CN2
(CENTER R)
CMR-2
CMR
CN665
CN656
CENTER MOTOR(R)
CMR-PPWRR035
8-2C
CN035
POWER UNIT(R)
8-2B
CN9
MTR3-5
MT3-5
JM-1
5 DRIVER
CN1
CN2
(JOINT)
JM-2
JM
CN656
CN665
JOINT MOTOR
P2
P1
8-1A
POWER UN IT(R)
CN034
8-2B
JM-P
CML-1
5DRIVER
CN1
CN2
(CENTER L)
CML-2
BASE-CARRY
PCB
7-3A
POWE R UNIT
(R)
CN027
8-2B
PWRR0 27
BCPWR
CN17
PWR
CN6
MTR1-2
MT1-2
INM-1
6-3A
POWER U NIT
(L)
CN033
8-2A
PWRL033
INM-P
IN MO TOR
CN665
CN656
INM
INM-2
5 DRI VER
CN1
CN2
(IN)
8-2A
POWER UNIT(L)
CN035
9-1A
PWRL035
CML-P
CENTE R MOTOR(L)
CML
CN665
CN656
8-1D
CN23
ENC3
ENC3
MT9-10
CN15
MTR9-10
BASE-CARR Y
PCB
ENC1
CN19
ENC1
CN25
SPWR- L
CN27
SENS-L
SPWR- L
SBL1
SENS-L
8-4A
SBL1/2 SBL2
SBL2
S1
S2
S3
S4
S5
S6
SBL2-1
SBL2-2
SBL2-3
SBL2- 4
SBL2 -5
S7
S8
BU(L) ORG
SENSOR
BU(L) LOC K
SENSOR
TPIN(L)
SENSOR
AWC(L) ORG
SENSOR
BU-L
BULK-L
TPIN -L
AWC-L
CN445
CN442
CN446
CN409L
BU UP ENCODER(L)
BACK UP MOTO R(L)
BULE
CN658
CN668
BULM
CN667
CN657
(BU L)
5 DR IVER
1-3C
(AWC L)
5DRIVER
1-3B
AWCLM
CN660
AWCLE
CN659
AUTOWIDTH ADJUSTMENT
MOTOR(L)
IN
SENSOR
SUPPORT P IN
EMITT ER SENSOR
WAIT(L)
SENSO R
STOP(L)
SENSOR
COUT(L)
SENSOR
SBL1
S1
S2
S3
S4
S5
S6
S7
S8
SBL1 -1
SBL1-2
SBL1-34
SBL1-56
SBL1-78
IN
BPIN
WAIT-L
STOP- L
COUT-L
PWR2
CSL-5
CSL-4
CSL-3
OUT-L
CN437
8-2C
CN22
CN12
MTR11-12
ENC4
BASE-CARRY
PCB
CN18
ENC2
CN21
SPWR-R
CN26
SENS-R
SBR1SPWR-R
SENS-R
ENC2
MT11-12
ENC4
1-5B
5 DRI VER
(AWC R)
1-5B
5 DRIVER
(BU R)
AUTOWIDTH ADJUSTMENT
MOTOR(R)
AWCR E
CN659
CN660AWCRM
BACK UP M OT OR(R)
BURM
CN657
CN667
CN658
CN668
BURE
BU UP ENC ODER(R)
SBR1
S1
S2
S3
S4
S5
S6
S7
S8
SBR1-1
SBR1-2
SBR1-34
SBR1-56
SBR1-78
CN438
OUT-R
CSR-3
OUT
BPIN
WAIT- R
CSR-4
STOP-R
COUT-R
CSR-5
PWR2
OUT
SENSOR
SUPPORT PIN
EMITTER SENSOR
WAIT (R)
SENS OR
STOP (R)
SENS OR
COUT(R)
SENSOR
SBR1/ 2
SBR2
SBR2
S1
S2
S3
S4
S5
S6
S7
S8
SBR2-1
SBR2-2
SBR2-4
SBR2- 5
BU-R
BULK-R
TPIN- R
AWC-R
CN445
CN442
CN446
CN409L
BU(R) ORG
SENSOR
BU(R) LOCK
SENSOR
TPIN(R)
SENSOR
AWC(R) ORG
SENSOR
SPEC
L
XL
CARRY
DIRECTION
LR
RL
DON`T CARE
RELAY CABLE
SBL2-3:40065185
SBR2-3:40065186
SEL2-3:40065186
SBR2-3:40065185
SBL2-3:40089930
SBR2-3:40089932
SENSOR
40065184
L829E5210A0
NOTE1
6
1
2
3
8
4
9
11 12
39 42
40
41 40 41
36
19
21
19
21
19
21
19
21
25
1
2
1 2
1
2
15
16
15
16
18
18
13 14
18
18
17
26
24 32 35
37
38
33
34
30
31
27
2822 23
4
81
65
66
64
61
62
53
54
43
44
51
52
51
52
47 50
55
58
63
59
45
67
68
69
70
71
80
82
83
84
85
8987 8886
7273
74
75
76
77
78
79
102
103
104
4
5
105
106
96
97
90 91
45
51
52
51
52
20
108
63
98
101
92
95
107
59
109
110
111
7
29
46
60
8987 8886
73
113
114 10 117
115
116
112
18

- 152 -
NOTE( 注記 ) #01....FOR EN EN 用
#02....TYPE XL XL 仕様
#03....FOR XL(EN) XL(EN)用
REF.NO NOTE PART NO D E S C R I P T I O N
品 名
Qty
1 400-98950 POWER_SUPPLY_ASSY_R(ST)
電源供給組(右)ST
4
2
#01
400-93150 POWER SUPPLY ASSY R(EN)
電源供給組(右)EN
4
3 400-89924 BASE-CARRY PWR CABLE ASM
BASE−CARRY電源ケーブル組
1
4 400-47559 BASE-CARRY PCB ASM
BASE−CARRY基板組
3
5 400-47909 SBR2 CABLE ASM
センサブロックR2束線組
1
6 401-49647 ETHER-MAIN PCB ASM
イーサメイン基板組
1
7 400-47907 SBR2 RELAY CABLE ASM
センサブロックR2中継束線組
1
8 400-91463 ETHER CABLE MAIN-BC ASM
イーサケーブル MAIN−BASECARRY組
1
9 400-47557 ETHER-SLAVE PCB ASM
ETHER−SLAVE基板組
1
10
#02
401-87867 COUT-R SENSOR ASM
COUT−Rセンサ組
1
11 400-47845 SMEMA IN CABLE ASM
スメマINケーブル組
1
12 400-47846 SMEMA OUT CABLE ASM
スメマOUTケーブル組
1
13 400-89944 MT1-2 PULSE CABLE ASM
モータ1−2パルスケーブル組
1
14 400-47825 MT3-5 PULSE CABLE ASM
モータ3−5パルスケーブル組
1
15 400-98974 POWER_SUPPLY_ASSY_L(ST)
電源供給組(左)ST
2
16
#01
400-93149 POWER SUPPLY ASSY L(EN)
電源供給組(左)EN
2
17 400-89902 IN/OUT MOTOR PWR CABLE (L) ASM
IN/OUTモータ電源ケーブル(L)組
1
18 HM-0013200-00 MOTOR DRIVER
モータドライバ
5
19 400-48074 CENTER MOTOR ASM
センタモータ組
4
20 400-47925 BU ORG-R SENSOR CABLE ASM
BU ORG−Rセンサ束線組
1
21
#02
400-48075 JOINT MOTOR ASM
ジョイントモータ組
4
22 400-47807 IN-MOTOR CABLE ASM
INモータリレーケーブル組
1
23
#02
400-89913 IN-MOTOR CABLE ASM
INモータリレーケーブル組
1
24 400-89904 JOINT MOTOR PWR CABLE ASM
ジョイントモータ電源ケーブル組
1
25 400-48075 JOINT MOTOR ASM
ジョイントモータ組
1
26 400-89905 CENTER MOTOR PWR CABLE (L) ASM
CENTERモータ電源ケーブル(L)組
1
27 400-47805 CENT-MOTOR(L) CABLE ASM
CENTモータ(L)リレーケーブル組
1
28
#02
400-89911 CENT-MOTOR(L) CABLE ASM
CENTモータ(L)リレーケーブル組
1
29 400-47926 BU LK-R SENSOR CABLE ASM
BU LK−Rセンサ束線組
1
30 400-47808 JOINT-MOTOR CABLE ASM
ジョイントモータリレーケーブル組
1
31
#02
400-89914 JOINT-MOTOR CABLE ASM
ジョイントモータリレーケーブル組
1
32 400-89906 CENTER MOTOR PWR CABLE (R) ASM
CENTERモータ電源ケーブル(R)組
1
33 400-47806 CENT-MOTOR(R) CABLE ASM
CENTモータ(R)リレーケーブル組
1
34
#02
400-89912 CENT-MOTOR(R) CABLE ASM
CENTモータ(R)リレーケーブル組
1
35 400-89903 IN/OUT MOTOR PWR CABLE (R) ASM
IN/OUTモータ電源ケーブル(R)組
1
36 400-47826 MT6-8 PULSE CABLE ASM
モータ6−8パルスケーブル組
1
37 400-47809 OUT-MOTOR CABLE ASM
OUTモータリレーケーブル組
1
38
#02
400-89915 OUT-MOTOR CABLE ASM
OUTモータリレーケーブル組
1
39 400-47847 SV-L CABLE ASM
ソレノイドバルブLケーブル組
1
40 400-47849 SV WIRE ASM
ソレノイドバルブワイヤー組
2
41
#01
400-48260 SV WIRE ASM(EN)
SVワイヤー組 (EN)
2
42 400-47848 SV-R CABLE ASM
ソレノイドバルブRケーブル組
1
43 400-47843 AWC-L ENC CABLE ASM
AWC−Lエンコーダケーブル組
1
44
#02
400-89844 AWC-L ENC CABLE ASM XL
AWC−L エンコーダケーブル組 XL
1
45 400-48077 AWC MOTOR ASM
幅調モータ組
2
46 400-47927 TPN-R SENSOR CABLE ASM
TPIN−Rセンサ束線組
1
47 400-47833 AWC-L MOTOR CABLE ASM
幅調モータL中継ケーブル組
1
48
#01
400-47837 AWC-L MOTOR CABLE ASM(EN)
AWCモータL中継ケーブル組(EN)
1
49
#02
400-89842 AWC-L MOTOR CABLE ASM XL
AWC−L モータケーブル組 XL
1
50
#03
400-89953 AWC-L MOTOR CABLE ASM(EN) XL
AWCモータL中継ケーブル組(EN)XL
1
51 HX-0042000-00 5 PHASE STEP DRIVER
5相ステッピングモータドライバ
4
52
#01
HX-0068900-00 5 PHASE STEP DRIVER
5相ステッピングモータドライバ
4
53 400-89945 MT9-10 PULSE CABLE ASM
モータ9−10パルスケーブル組
1
54
#01
400-89950 MT9-10 PULSE CABLE ASM(EN)
モータ9−10パルスケーブル組(EN)
1
55 400-47831 BU-L MOTOR CABLE ASM
バックアップモータL中継ケーブル組
1
56
#01
400-47835 BU-L MOTOR CABLE ASM(EN)
BUモータLチュウケイケーブル組(EN)
1
57
#02
400-89916 BU-L MOTOR CABLE ASM
バックアップモータL中継ケーブル組
1
58
#03
400-89951 BU-L MOTOR CABLE ASM(EN)
BUモータL中継ケーブル組(EN)
1
59 E9432-729-0A0 BU MOTOR ASM.
BUモータ組
2
60 400-47928 AWC-R SENSOR CABLE ASM
AWC ORG−Rセンサ束線組
1
61 400-47841 BU-L ENC CABLE ASM
BU−Lエンコーダケーブル組
1
62
#02
400-89920 BU-L ENC CABLE ASM
BU−Lエンコーダケーブル組
1
63 E9433-729-0A0 BU ENC ASM.
BU ENC組
2
64 400-47904 SBL1 CABLE ASM
センサブロックL1束線組
1
65 400-47902 SBL CABLE ASM
センサブロックL束線組
1
66 400-89925 SBL CABLE ASM
センサブロックL束線組
1
67 400-47910 IN SENSOR CABLE ASM
インセンサ束線組
1
68 400-89929 BU PIN-L SENSOR CABLE ASM XL
BU PIN−Lセンサ投光束線組 XL
1
69 400-47912 WAIT-L SENSOR CABLE ASM
WAIT−Lセンサ束線組
1
70 400-47913 STOP-L SENSOR CABLE ASM
STOP−Lセンサ束線組
1
71 400-47914 COUT-L SENSOR CABLE ASM
COUT−Lセンサ束線組
1
72 400-02208 IN_SENSOR_ASM
インセンサ組
1
73
#02
400-63746 BU PIN EMITTER SENS ASM
BUピン投光センサ組
2
74 402-19320 WAIT-L SENSOR ASM
WAIT−Lセンサ組
1
75
#02
401-87863 WAIT-L SENSOR ASM
WAIT−Lセンサ組
1
76 402-19322 STOP-L SENSOR ASM
STOP−Lセンサ組
1
77
#02
401-87865 STOP-L SENSOR ASM
STOP−Lセンサ組
1
78 402-19321 COUT-L SENSOR ASM
COUT−Lセンサ組
1
79
#02
401-87864 COUT-L SENSOR ASM
COUT−Lセンサ組
1
80 400-47906 SBL2 RELAY CABLE ASM
センサブロックL2中継束線組
1
81 400-47908 SBL2 CABLE ASM
センサブロックL2束線組
1
82 400-47915 BU ORG-L SENSOR CABLE ASM
BU ORG−Lセンサ束線組
1
83 400-47916 BU LK-L SENSOR CABLE ASM
BU LK−Lセンサ束線組
1
84 400-47917 TPN-L SENSOR CABLE ASM
TPIN−Lセンサ束線組
1
85 400-47918 AWC-L SENSOR CABLE ASM
AWC ORG−Lセンサ束線組
1
86 400-02124 BU ORG SENSOR ASM
バックアップテーブル原点センサ組
2
87
#01
400-02241 BU LOCK SENSOR ASM
BUロックセンサ組
2
88 400-02122 T.PIN SENSOR ASM
ティーピンセンサ組
2
89 400-02120 AWC ORG SENSOR ASM
自動幅調原点センサ組
2
90 400-47844 AWC-R ENC CABLE ASM
AWC−Rエンコーダケーブル組
1
91
#02
400-89845 AWC-R ENC CABLE ASM XL
AWC−Rエンコーダケーブル組 XL
1
92 400-47834 AWC-R MOTOR CABLE ASM
幅調モータR中継ケーブル組
1
93
#01
400-47838 AWC-R MOTOR CABLE ASM(EN)
AWCモータR中継ケーブル組(EN)
1
94
#02
400-89843 AWC-R MOTOR CABLE ASM XL
AWC−R モータケーブル組 XL
1
95
#03
400-89954 AWC-R MOTOR CABLE ASM(EN) XL
AWCモータR中継ケーブル組(EN)XL
1
96 400-91848 MT11-12 PULSE CABLE ASM
モータ11−12パルスケーブル組
1
97
#01
400-93167 MT11-12 PULSE CABLE ASM(EN)
モータ11−12パルスケーブル組(EN)
1
98 400-47832 BU-R MOTOR CABLE ASM
バックアップモータR中継ケーブル組
1
99
#01
400-47836 BU-R MOTOR CABLE ASM(EN)
BUモータR中継ケーブル組(EN)
1
100
#02
400-89917 BU-R MOTOR CABLE ASM
バックアップモータR中継ケーブル組
1
101
#03
400-89952 BU-R MOTOR CABLE ASM(EN)
BUモータR中継ケーブル組(EN)
1
102 400-47842 BU-R ENC CABLE ASM
BU−Rエンコーダケーブル組
1
103
#02
400-89921 BU-R ENC CABLE ASM
BU−Rエンコーダケーブル組
1
104 400-47905 SBR1 CABLE ASM
センサブロックR1束線組
1
105 400-47903 SBR CABLE ASM
センサブロックR束線組
1
106
#02
400-89926 SBR CABLE ASM
センサブロックR束線組
1
107 400-47920 OUT SENSOR CABLE AS
OUTセンサ束線組
1
108 400-89931 BU PIN-R SENSOR CABLE ASM XL
BU PIN−Rセンサ投光束線組 XL
1
109 400-47922 WAIT-R SENSOR CABLE ASM
WAIT−Rセンサ束線組
1
110 400-47923 STOP-R SENSOR CABLE ASM
STOP−Rセンサ束線組
1
111 400-47924 COUT-R SENSOR CABLE ASM
COUT−Rセンサ束線組
1
112 400-02210 OUT SENSOR ASM
アウトセンサ組
1
113 402-19323 WAIT-R SENSOR ASM
WAIT−Rセンサ組
1
114
#02
401-87866 WAIT-R SENSOR ASM
WAIT−Rセンサ組
1
115 402-19325 STOP-R SENSOR ASM
STOP−Rセンサ組
1
116
#02
401-87868 STOP-R SENSOR ASM
STOP−Rセンサ組
1
117 402-19324 COUT-R SENSOR ASM
COUT−Rセンサ組
1

- 153 -
77.SYSTEM DIAGRAM (OPERATION/CPU/MONITOR)
SYSTEM DIAGRAM(OPERATION / CPU / MONITOR)
OPER ATION
PCB(F)
CN7
CN2
CN12
OPEF-7
OPEF-2
OPEF-12
8-2A
POWER
UNIT(L)
CN030
10-1A
PWRL030
OPEF13
MOUSE/
KEYBOARD
SELECTOR
EX
9-4B
CHG-EX
OPEF21
CN21
CN22
CN19
CN8
CN1
CN15
CN14
CN24
HOD OPTION
CN8
HOD BOX
OPEF-14
XY-7
3-4D
XY-RELAY
PCB
CN7
CN9
11-2C
XY-9
OPER-14
KEY CHANGE
SW
CN718
OP CN1
OP CN8
CN7L
CN7R
OP
OP
COVE R OPE N
SW_LF
COVER O PEN
SW_RF
CN13
EMG S W_FR
MNLT _LF
MNLT_RF
MINIPATLIT E
MINIPATLIT E
8-2C
POWER U NIT
(R)
CN03 0
10-1B
PWRR030
OPER13
OPERATION
PCB(R)
CN7
CN13
CN2
CN12
CN22
CN19
CN8
CN1
CN15
CN10
CN14
CN24
HOD O PTION
CN8
HOD BOX
REAR MONITOR OPTION
9-5B
REAR
FRONT
KEY BOARD
MOUSE
KEY BOARD
MOUSE
CV-KB F
CV-MS F
CV-KB R
CV-MS R
MS R
KB R
MS F
KB F
MS2
KB2
MS1
KB1
RS PC
MOUSE/
KEYBOARD
SELECTOR
KB/MS PC
9-1B
OPER1 0
CN801
CN801
SIGNAL TOWER
OP CN1
OP CN 8
OP
CN7L
OP
CN7R
COVER OPEN
SW_LR
COVER OPEN
SW_RR
EMG SW _RR
OPER-12
OPER-2
OPER-7
MNLT_ LR
MNLT_RR
MINIPATLITE
MINIPATLITE
5-2B
ATX POW ER
BUTTERY UNIT
CN55
CN123
CN125
COM
9-5C
KEY BOARD
MOUSE
CV-KB F
CV-MS F
KB F
MS F
RS-PC
1-4C
COM1
CPU BO ARD
LAN
CN13
CN1
HDD I/F
HDD
SSD
COVE R
HLC
HDD LAMP
HDD-CP
HDD LAMP
HARD
DISKACCESSLAMP
IDE
KB1
MS1
LPT
USB1
USB2
FDD
KB
MOUS E
DVI1
13-4A
7-3B
IP-X5
PCB
NTSC1
NTSC2
13-3C
CN6
(LCD B)
CN1
(NTSC2)
CN2
(NTSC1)
INPS
INPS
CN8
(CONSOLE
SW)
EXT 1
CN5
(LCD A)
CN3
(HOS T)
CN8
(CONSOLE
SW)
SUPER
IMPOSE
BOARD
EXT 1
COVER
USB1
USB2
RS-PC
CPU
COM2
(RS1)
F
LCD
RS232C
FRONT
MONITOR
RS232C
RS232C
VIDEO
DC12V
F-LCD
F LCD
RS232C
RS1
9-4C
RS1
MOUSE/
KEYBOARD
SELECTOR
9-4B
ATX POWER
ATX-5
CN5
CN8
CN10
13-5C
ATX-10
F-LCD
REAR
MONITOR
DC12V
VIDE O
RS232C
R-LCD
RLCD
RS232C
RS2
RS2
1 24
35
6
7
11
12
8
9
10
10
25
26
27
28
29
13
14
15
15
16
17
18
20
21
22
23
24
32
33
13
14
15
15
10
10
30
31
34
35
21
22
23
24
66
67
19
56
64
65
65
64
44
45
47
46
63
68
36
39
38
37
40
41
43
42
48
48
50
69
59
60
60
61
53 49 62
52
54
51
55
36
71
72
58
57
70
63