00193891-0702_AI_LP_Barcode_DE+EN.pdf - 第207页
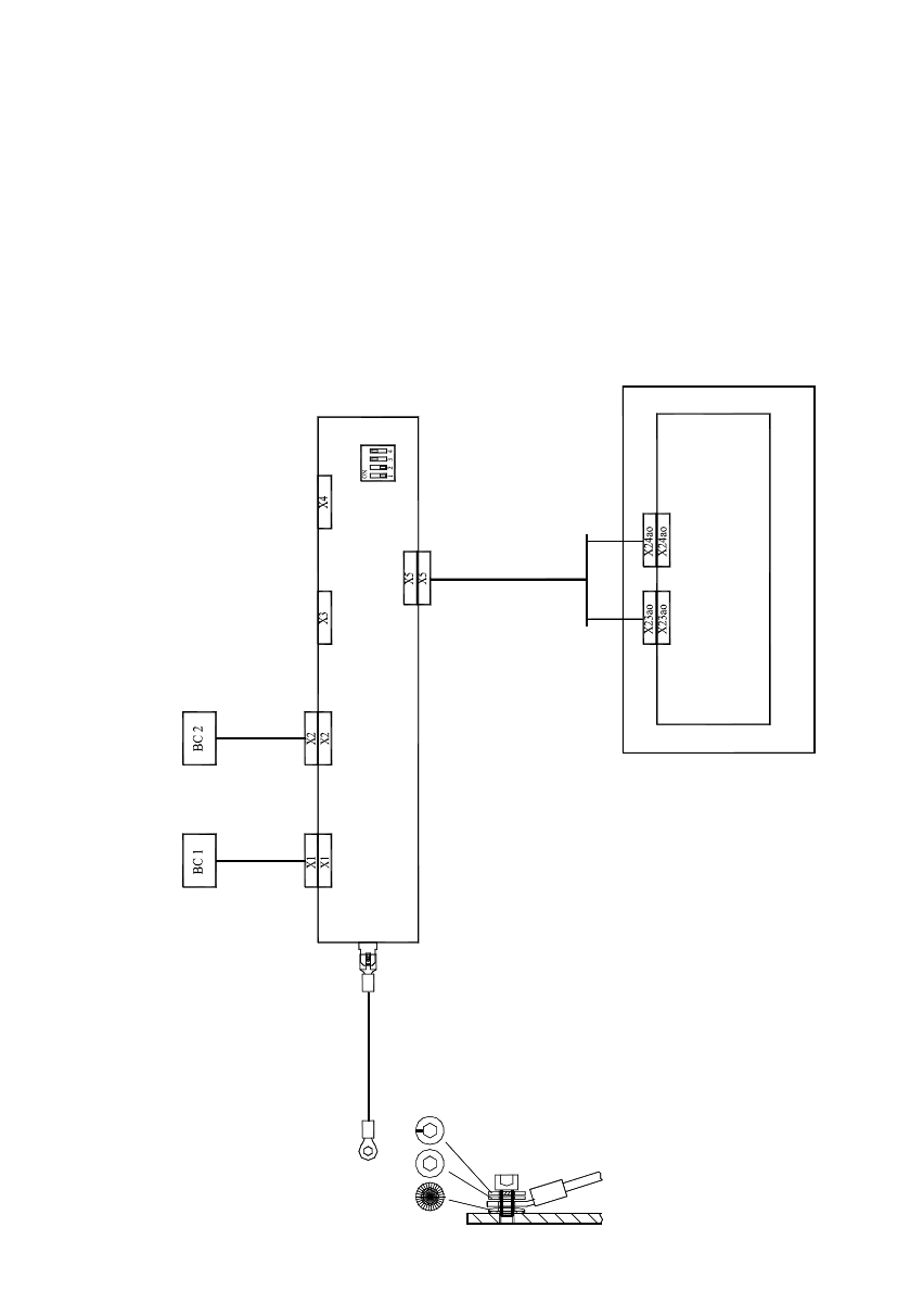
Distributor f. PCB barcode scanner 00372356-xx Barcode scanner top Conveyor track 1 Barcode scanner bottom Conveyor track 1 PCB barcode, conveyor track 1 Conveyor control, track 1 (ao) 00329219-xx TSP100 S1 03021617-xx I…

Control assy, PCB conveyor (00349837-xx)
Conveyor control
(ao) 00353442-xx/00349302-xx
Distributor f. PCB barcode scanner
00372356-xx
Barcode scanner
top
Barcode scanner
bottom
S1
03016825-xx
If no barcode scanner is connected to X1 ... X4,
*)
*)
HS50 wiring for single conveyor with TSP200 conveyor control (00353442-xx):
03022264-01
Extension kit
Frame
Distributor grounding terminal
make sure to set the associated switch contact 1 ... 4 at S1 to ON.
2 PCB barcode scanner assembly instructions SIPLACE
2.9 Electrical drawings 10/2009 Edition
206
2
Fig. 2.9 - 7 Wiring for HS-50 SC with conveyor control TSP200 (00353442-xx) (03016491-010201)

Distributor f. PCB barcode scanner 00372356-xx
Barcode scanner
top
Conveyor track 1
Barcode scanner
bottom
Conveyor track 1
PCB barcode, conveyor track 1
Conveyor control, track 1
(ao) 00329219-xx TSP100
S1
03021617-xx
If no barcode scanner is connected to X1 ... X4,
make sure to set the associated switch contact 1 ... 4 at S1 to ON.
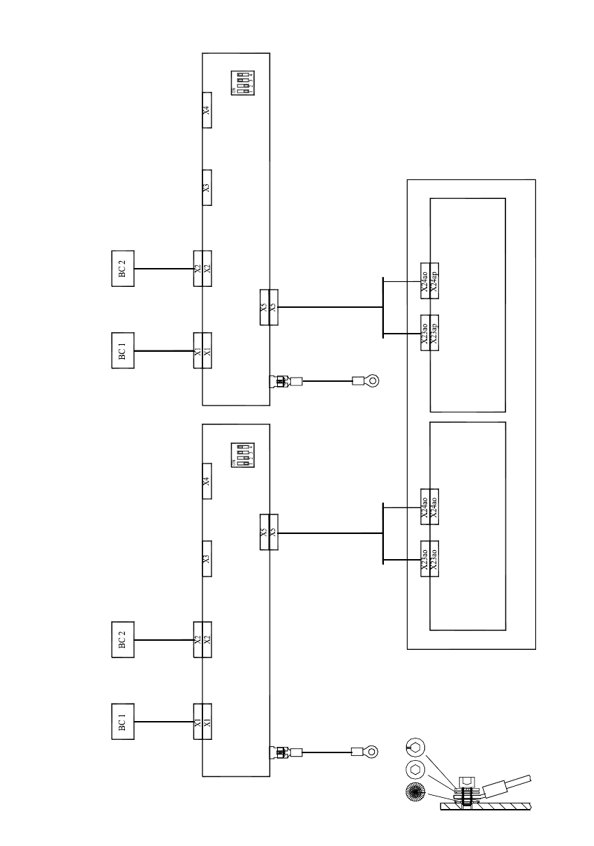
Distributor f. PCB barcode scanner
00372356-xx
(Track 2)
Barcode scanner
top
Conveyor track 2
Barcode scanner
bottom
Conveyor track 2
PCB barcode, conveyor track 2
S1
03021617-xx
Conveyor control, track 2
(ap) 00329219-xx TSP100
Pin 1
X3 ao
Pin 1
Please note X3 connector polarity!
X23
*)
*)
*)
HS50 wiring for dual conveyor with TSP100 conveyor control (00329219-xx):
Extension kit
Distributor grounding terminal
03022264-xx
Extension kit
Distributor grounding terminal
03022264-xx
SIPLACE 2 PCB barcode scanner assembly instructions
10/2009 Edition 2.9 Electrical drawings
207
2
Fig. 2.9 - 8 Wiring for HS-50 DC with TSP100 (00329219-xx) (03024462-010101)

Distributor f. PCB barcode scanner 00372356-xx
(Track 1)
Barcode scanner
top
Conveyor track 1
Barcode scanner
bottom
Conveyor track 1
PCB barcode, conveyor track 1
Control assy, PCB conveyor (00349838-xx)
Conveyor control, track 1
(ao) 00353442-xx/00349302-xx
Conveyor control, track 2
(ap) 00353442-xx/00349302-xx
S1
03016825-xx
Distributor f. PCB barcode scanner 00372356-xx
(Track 2)
Barcode scanner
top
Conveyor track 2
Barcode scanner
bottom
TConveyor track 2
PCB barcode, conveyor track 2
S1
03016825-xx
If no barcode scanner is connected to X1 ... X4,
make sure to set the associated switch contact 1 ... 4 at S1 to ON!
*) *)
*)
HS50 wiring for dual conveyor with TSP200 conveyor control (00353442-xx):
Extension kit
Distributor grounding terminal
03022264-xx
Distributor grounding terminal
03022264-xx
2 PCB barcode scanner assembly instructions SIPLACE
2.9 Electrical drawings 10/2009 Edition
208
2
Fig. 2.9 - 9 Wiring for HS-50 DC with TSP200 (00353442-xx) (03024462-010101)