CP45 配件说明.pdf - 第11页
Cover Ass' y NO. PART NO. PART NAME Q'TY TYPE REMARK 53 J7052475A CHIP COVER-SIDE 2 1 J7052475A 54 J7252011C MULTI STICK COVER 4 J7252011C CE OPTION 55 J2101708 HINGE NUT 2 0133-615009 CE OPTION 56 J2101714 STO…

Cover Ass'
y
NO. PART NO. PART NAME Q'TY TYPE REMARK
27
J7052302D BKT-LEFT COVER 2 J7052302D
28
J7052303D BKT-RIGHT COVER 2 J7052303D
29
J7052304C BRACKET INNER U'COVER 2 J7052304C
30
J7052032B BRACKET UPPER COVER 4 J7052032B
31
J7052298B BRACKET UPPER COVER 1 1 J7052298B
32 J7052299B
BRACKET UPPER COVER 2 1
J7052299B
33 J7052300B
BRACKET UPPER COVER 3 1
J7052300B
34
J7052301B BRACKET UPPER COVER 4 1 J7052301B
35 J2100033
CATCH PLATE 4
J2100033
36
J7052374F CONNECTOR BKT 1 J7052374F
37
J7252029A CONNECTOR ISOLATOR 1 1 J7252029A
38 J2100032
HINGES PLATE 8
J2100032
39 J7052604C
STAYS PLATE 4
J7052604C
40
J7052295B WINDOW-FRONT 1 J7052295B
41
J7052296B WINDOW-REAR 1 J7052296B
J7252040C ACRYL COVER-REAR 1 J7252040C
CE OPTION
42 J1300101
DRAWER PULL 4 HD-108
43 J1300497
SHOULDER BOLT 4 MSB6.5-10
44 J1300638
HINGE 6 FTH7650H(IMAO)
45 J1300640
STAYS 2 B-40-1-L(TAKIGEN)
46 J1300641
STAYS 2 B-20-1-R(TAKIGEN)
47 J1300642
CATCHE 4 SM111(SHIMONISH)
48
J7052326B CHIP COVER-FRONT1 1 J7052326B
49
J7052327B CHIP COVER-FRONT2 1 J7052327B
50
J7052328C CHIP COVER-FRONT3 1 J7052328C
51 J7057151A
CHIP COVER-REAR 1
J7057151A
52 J7052474A
CHIP COVER-SIDE 1 1
J7052474A
- 8 -

Cover Ass'
y
NO. PART NO. PART NAME Q'TY TYPE REMARK
53 J7052475A
CHIP COVER-SIDE 2 1
J7052475A
54
J7252011C MULTI STICK COVER 4 J7252011C
CE OPTION
55 J2101708
HINGE NUT 2 0133-615009
CE OPTION
56 J2101714
STOPPER, COVER 2 0133-615015
CE OPTION
57 J1301639
HINGE 2 E6-10-301-10
CE OPTION
58
J7052108A M/S COVER BKT 4 J7052108A
CE OPTION
59
J7252045C CE LOWER WINDOW-STICK 1 J7252045C
CE OPTION
60
J7052257B DOOR STOPPER 2 J7052257B
CE OPTION
61
J7252039B CE TRAY COVER
1
J7252039B
CE OPTION
62
J7052536A CE SENSOR BRACKET 2 J7052536A
CE OPTION
63
J7052537C ACRYL SUPPORT PLATE 2 J7052537C
CE OPTION
64
J7152060B CE-AL COVER 1 1 J7152060B
CE OPTION
65
J7052596B TRAY COVER BRACKET 2 J7052596B
CE OPTION
66
J7152061B CE-AL COVER 2
1
J7152061B
CE OPTION
67 J1301640
DOOR SWITCH
2
D4DS-2AFS
CE OPTION
68 J1301641
DOOR KEY 2 D4DS-K3
CE OPTION
69
J7052535C WINDOW PLATE-REAR 2 J7052535C
CE OPTION
70
71
72
73
74
75
76
77
78
79
80
81
82
- 9 -

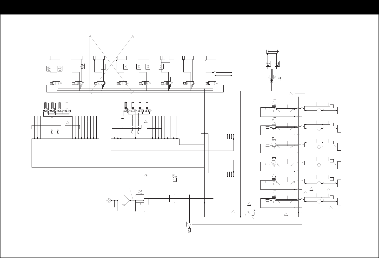
Air Ass'y
- 12 -
TBDA10-30-ZE102B2
CDADS12*25-ZE102B2
BDAS16-5-CS5TB2
JNC4-M5
(SS5Y3-60-07D-7,AN203-KM8)
AR4000-04
AF4000-04BC
PL12-04
PC12-04
PL12-04
PC12-04
PV12
CM24
HH24
TU0425
UB1280B
PL4-M5 PL4-M5
JNC4-M5
M-5ALU-4
M-5ALU-4
PT3/8
0131-611008
PT1/4
PL12-03
PC6-02
PC8-02
PC4-02
POC4-M5M
POC4-M5M
PB4-M5
POC4-M5M
POC4-M5M
2
0134-6610200134-661021
POC4-M5M
POC4-M5M
ASN2
PB4-M5
0134-661020
POC4-M5M
POC4-M5M
0134-661021
2
TU0604
AS2001F-06
WDDA40X30
SS4-M5MA
CJPB6-10H4-B
AS1301F-M5-04
BDAS6X5-1A-ZC153A2 BDAS6X25-1A-ZC153A2
AS1201F
PL4-M5
AS2001F-04
PC6-02
SY3160-5L-C6 SY3160-5L-C4 SY3160-5L-C4 SY3160-5L-C4 SY3160-5L-C4 SY3160-5L-C4 SY3160-5L-C4 SY3160-5L-C4
KQP-04-X19
KCE04-00
GP46-10-01L5
KQ2E04-01S
TU0425
PL6-02
JNC4-M5
TU0425
TU0425
TU0425
KQ2T04-00
TU0425
TU0425
TU0425
ASN2
ASN2ASN2
CDADS12*25-ZE102B2
PL4-02
KQ2F04-02
G46-7-02-C
KQL04-01S
KQL08-02S
BUSH(PT1/2*1/4)
VACUUMPUMP
X40F6-KN
SS8-1/8
TU0806
TU0604
TU0806
F-3120-80
F-3120-20
F-3120-80
F-3120-80
F-3120-25
F-3120-80
11-4100-00-01
FILTER
F970-43
HEAD6
AIRDISTRIBUTOR
BDAS6-15-CS11T-A2
AS1201F-M3-04 AS1201F-M3-04
M-5HL-4 M-5AU-4
KJL04-M3
TU0425 TU0425
TU0425 TU0425
TU0425
0131-611008
PT1/4
PL8-03
PL4-02
PC4-02
PL4-02
PC4-02
TU0805
KGUD04-06
KCE04-00
TU0425
TU0425
KGUD04-06
KCE04-00
PL6-02
PL6-02
TU0604
TU0604
PC8-02
PL8-03
TU0806
SS8-1/2
11-4100-00-01
HEAD5HEAD4HEAD3HEAD2HEAD1
J7154102A
040-4E1-75-PLL-24
11-4100-00-01
F-3120-80
F-3120-80
F-3120-80
F-3120-20
F970-43
FILTER
F-3120-25
F-3120-80
11-4100-00-01
11-4100-00-01
F-3120-80
F-3120-80
F-3120-80
F-3120-20
F970-43
FILTER
F-3120-25
F-3120-80
11-4100-00-01
11-4100-00-01
F-3120-80
F-3120-80
F-3120-80
F-3120-20
F970-43
FILTER
F-3120-25
F-3120-80
11-4100-00-01
11-4100-00-01
F-3120-80
F-3120-80
F-3120-80
F-3120-20
F970-43
FILTER
F-3120-25
F-3120-80
11-4100-00-01
11-4100-00-01
F-3120-80
F-3120-80
F-3120-80
F-3120-20
F970-43
FILTER
F-3120-25
11-4100-00-01
F-3120-80
F-3120-80
11-4100-00-01
PRESSURESENSOR
MPX5100AP
11-4100-00-01
KQ2T04-00
KCE04-00
J7154106
44B-BAA-GDFA-1BA-D
J7154106
44B-BAA-GDFA-1BA-D
J7154106
44B-BAA-GDFA-1BA-D
J7154106
44B-BAA-GDFA-1BA-D
J7154106
44B-BAA-GDFA-1BA-D
J7154106
44B-BAA-GDFA-1BA-D
TU0425
TU0425KQU04-06
1
2
RVUM4-4
3
4
6
7
F-3120-70
TU0604
(J6713022A)
(J6713022A)
11-4100-00-01
F-3120-80
TU0604
F-3120-70
11-4100-00-01
PRESSURESENSOR
MPX5100AP
(J6713022A)
11-4100-00-01
F-3120-80
TU0604
F-3120-70
11-4100-00-01
PRESSURESENSOR
MPX5100AP
(J6713022A)
11-4100-00-01
F-3120-80
TU0604
F-3120-70
11-4100-00-01
PRESSURESENSOR
MPX5100AP
(J6713022A)
11-4100-00-01
F-3120-80
TU0604
F-3120-70
11-4100-00-01
PRESSURESENSOR
MPX5100AP
(J6713022A)
11-4100-00-01
F-3120-80
TU0604
F-3120-70
11-4100-00-01
PRESSURESENSOR
MPX5100AP
8
5
9
Stopper-Mount Stopper-Wait Stopper-Out EdgeFixer
Multicylinderfront
Multicylinderrear
B.U.TUp/Down HoleFixer FixedANC GripperANC
CONVEYOR-1
CONVEYOR-3 CONVEYOR-3
CONVEYOR-1
CP-50M
CONVEYOR-1
CP-50M
CONVEYOR-1
CP-50M
CONVEYOR-3
CONVEYOR-1
CP-50M
CONVEYOR-3
CP-50M CP-50M
CP-40 CP-40 CP-40 CP-40 CP-40
HEADSide-Illuminator
CP-45FVCP-45FV CP-45FV(OPTION) CP-45FV CP-45FV CP-45FV
CP-45FV
CP-45FV(OPTION)
OPTIONFORTHECONVEYOR-1