JM-10_安装要领书.pdf - 第12页
安装要领书 9 5- 2. 取下贴装头 请取下固定贴装头的止动器和安装注意标牌。 图 5-2-1 请确认贴装头的左右移动动作。 X 轴固定板 安装螺丝

安装要领书
8
5.
XY 装置关系
5-1.
取下 X 轴框架
取下固定 X 轴框架的 Y 轴固定板和安装注意标签。
图 5-1-1
※左右的 X 框架端头均进行调整。
请把 X 轴框架固定到靠进机械前侧。
最后请确认 X 轴的前后移动动作。
Y 轴固定板
注意标签

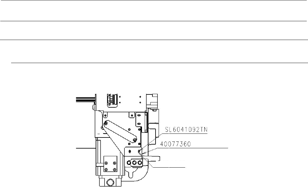
安装要领书
9
5-2.
取下贴装头
请取下固定贴装头的止动器和安装注意标牌。
图 5-2-1
请确认贴装头的左右移动动作。
X 轴固定板
安装螺丝

安装要领书
10
6.
贴装头装置
6-1.
取下包装材料
请取下包着空气盖、贴装头下部的防锈纸(王子制纸公司制「KS-VC1 防锈纸 u-35ss-1(塑料用)」、装在
OCC 的下部的干燥剂。
图 6-1-1 贴装头部的包装
防锈纸
干燥剂