JM-10_安装要领书.pdf - 第30页
安装要领书 27 14. 主电源打开前的检查 < 程序 > 1) 是否进行了贴片机主机的水平调整了吗 ? 2) 传送轨道高度是否符合用户的规格要求 ? 3) 调节器的锁定螺母是否被牢牢地固定 ? 4) 是否正确地供给干燥空气 ? 5) 连接贴片机主机的电源线是否正确地连接 ?( 电压是否正确 ?) 6) X 轴、贴装头、传送轨道等的传送用固定金属部件是否脱落 ? 7) 附属品是否正确地安装 ? 8) 外部装置是否正确地连接 ? 9) 各…

安装要领书
26
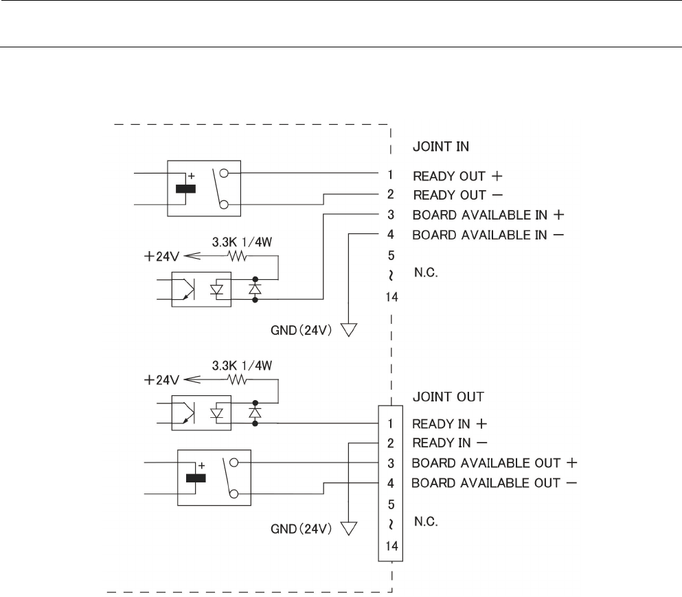
预输出(输入)信号和板有效信号的接口电路如图 13-3 所示。
以 SMEMA 规格为准。
图 13-3

安装要领书
27
14.
主电源打开前的检查
<程序>
1) 是否进行了贴片机主机的水平调整了吗?
2) 传送轨道高度是否符合用户的规格要求?
3) 调节器的锁定螺母是否被牢牢地固定?
4) 是否正确地供给干燥空气?
5) 连接贴片机主机的电源线是否正确地连接?(电压是否正确?)
6) X 轴、贴装头、传送轨道等的传送用固定金属部件是否脱落?
7) 附属品是否正确地安装?
8) 外部装置是否正确地连接?
9) 各装置的轴是否可以用手动顺畅地转动?
・手拿 Y 轴的手柄,前后是否可以顺畅转动?
・手拿贴装装置的手柄看看是否左右可以顺畅地移动?
・用手指转动 Z 和θ轴堪堪是否可以顺畅地转动?

修订履历
改版 日期 修订页 修订内容 备注
1.0 2012.01
初版
2.0 2015.06 P1,13, 16, 20 改变选项
修订