MEC-SFABCC-003S0SmartFAB搬运单元(带切割&弯脚功能)机械手册.pdf - 第10页
1. 各部名称 MEC-SFABCC-003S0 2 SmartFAB 搬运单元 ( 带切割 & 弯脚功能 ) 机械手册 1.2 搬运单元工作头部的名称 图中号码 名称 图中号码 名称 1 切刀 ( 固定刀刃 ) 3 废料盒 2 切刀 ( 可动刀刃 ) 2 3 1 Front Front 39MEC-0002-a Byw6H9B6 Byw6H9B6 Downloaded at 2015/10/08 22:10:230 by 3N…

MEC-SFABCC-003S0 1. 各部名称
SmartFAB 搬运单元 ( 带切割 & 弯脚功能 ) 机械手册 1
1. 各部名称
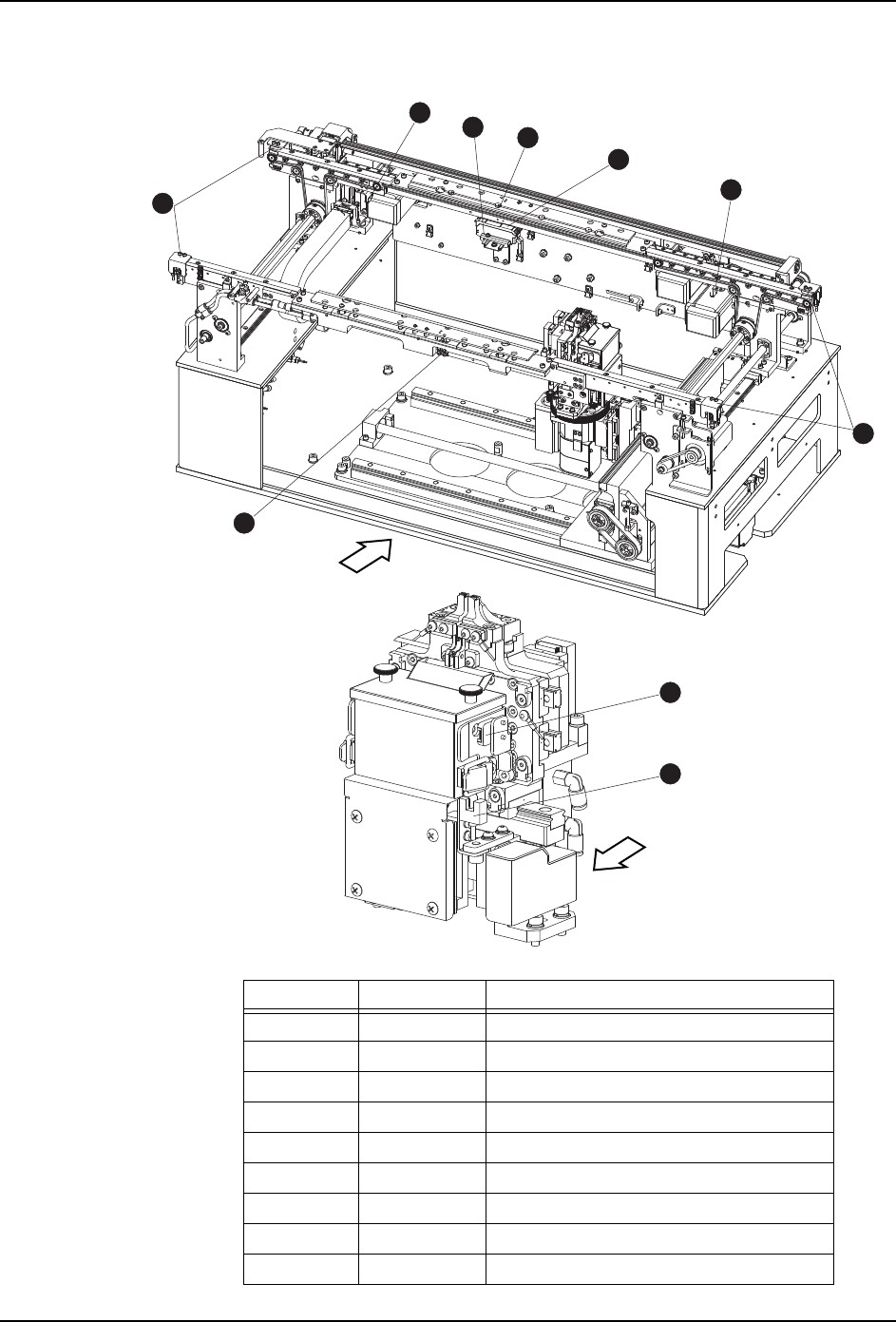
1.1 搬运单元部的名称
图中号码 名称 图中号码 名称
1 夹紧 ( 基准侧 ) 4 搬运单元工作头
2 夹紧 ( 从属侧 ) 5 变幅可动轨道
3往复臂
2
3
4
1
5
39MEC-0001-a
Byw6H9B6
Byw6H9B6
Downloaded at 2015/10/08 22:10:230 by 3NEC4804 DL#QoTxIbpm

1. 各部名称 MEC-SFABCC-003S0
2
SmartFAB 搬运单元 ( 带切割 & 弯脚功能 ) 机械手册
1.2 搬运单元工作头部的名称
图中号码 名称 图中号码 名称
1 切刀 ( 固定刀刃 ) 3 废料盒
2 切刀 ( 可动刀刃 )
2
3
1
Front
Front
39MEC-0002-a
Byw6H9B6
Byw6H9B6
Downloaded at 2015/10/08 22:10:230 by 3NEC4804 DL#QoTxIbpm

MEC-SFABCC-003S0 1. 各部名称
SmartFAB 搬运单元 ( 带切割 & 弯脚功能 ) 机械手册 3
1.3 传感器配置图
图中号码 地址 信号名
1 X118 工件通过确认传感器 L
2 X119 工件通过确认传感器 R
3 X11C 基准侧松开确认
4 X11D 从属侧松开确认
5 X11E Y 轴联锁传感器
6 - 工件通过确认传感器 L 放大器
7 - 工件通过确认传感器 R 放大器
8 X10C 切屑满确认
9 X10D 切屑回収确认传感器
2
4
1
6
Front
Front
7
9
8
5
3
5
39MEC-0003-a
Byw6H9B6
Byw6H9B6
Downloaded at 2015/10/08 22:10:230 by 3NEC4804 DL#QoTxIbpm