DECAN_F2_S2_TRM(Ver7.4_CS20.12).pdf - 第212页
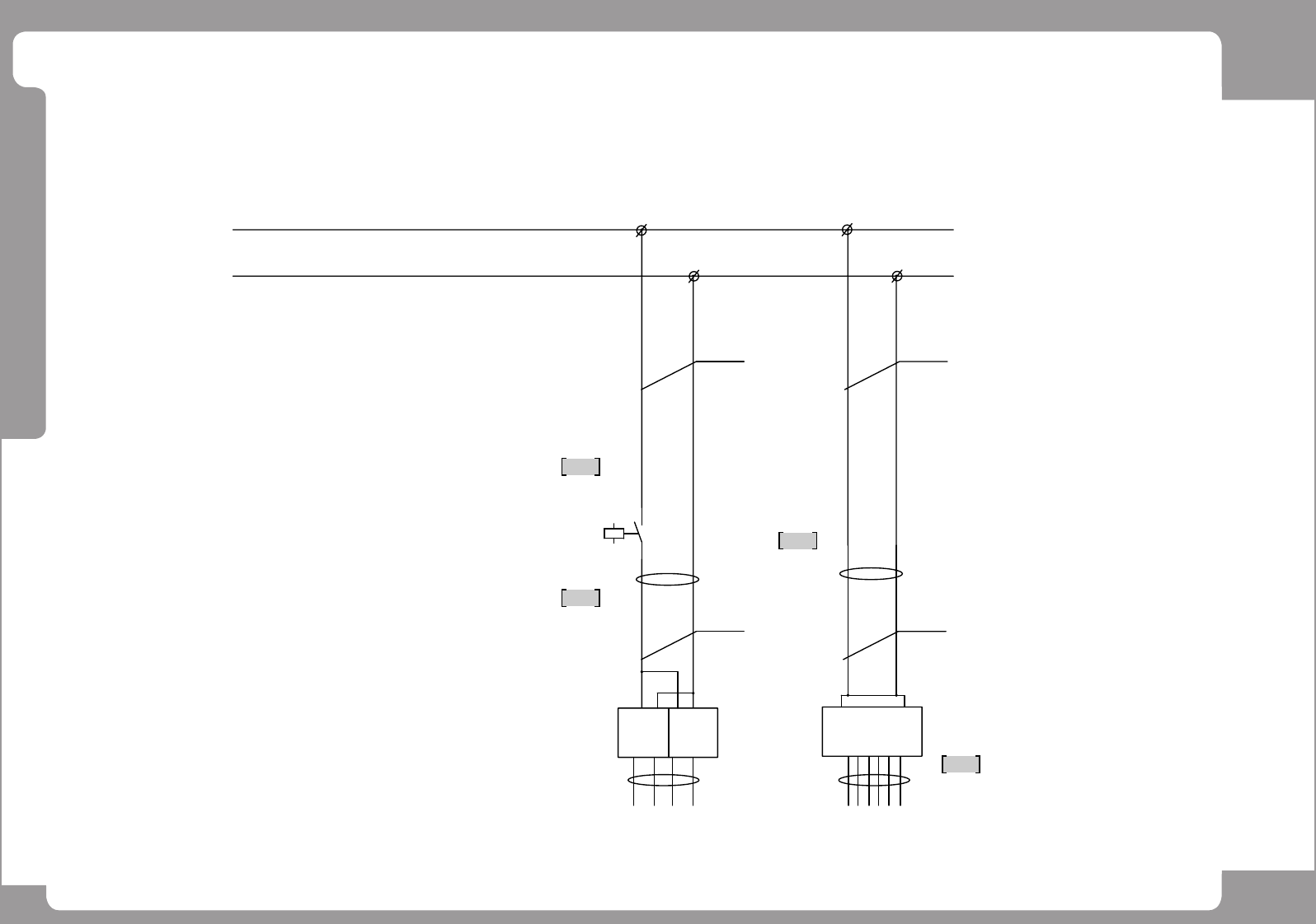
Page +$1:+$ 208 DECAN F2/S2 Electric Power (2/8) 2 2 2 2 DC POWER B/D #2 CN1 [DP2] [BS1] [BS2] 24G 24G (SHUTTLE/CONVEYOR BEL T 4AXIS) DRVER PWR -MC1 +24V 24G +24V 1.5 mm 1.5 mm 0.5 mm 0.5 mm -TB1 (1 1~12 : DC24V) AM03-01…

Page
+$1:+$
207
DECAN
F2/S2
Electric Power (1/8)
NO. PART NO. PART NAME Q'TY Old No. Supply Supply LT Reference
1 1 SM33_PW001
2 AM03-010913A 1 SM511_PW003-1
3 AM03-010914A 1 SM511_PW003-2
4 AM03-010916A 1 SM511_PW004
5 AM03-010917A 1 SM511_PW005
6 AM03-010915A 1 SM511_PW003-3
7 AM03-010912A 1 SM511_PW003
8 AM03-010918B 1 SM511_PW006
9 AM03-005482A 1 SM471_PW007
10 AM03-010945A 1 SM511-PW202
11 AM03-010925A 1 SM511_PW040
12 AM03-005483A 1 SM471_PW008
2 AM03-018606A 1
3 AM03-018605A 1
4 AM03-013512C 1
5 AM03-003859A 1
6 AM03-020599B 1

Page
+$1:+$
208
DECAN
F2/S2
Electric Power (2/8)
22
2 2
DC POWER B/D #2
CN1
[DP2]
[BS1]
[BS2]
24G
24G
(SHUTTLE/CONVEYOR BELT 4AXIS)
DRVER PWR
-MC1
+24V 24G
+24V
1.5 mm1.5 mm
0.5 mm 0.5 mm
-TB1 (11~12 : DC24V)
AM03-010080A
CN1 CN1
SM471_PW120-2
SM471_PW121-2
[BS12,BS34,BW12,BW34 DRIVER]
SM471_PW120-3
+24V
MS1, WS1, WW1, MS2, WS2, WW2
AM03-005497A
AM03-005496A
AM03-005499A
SM411_PW029
12D
11B
13
14
11D
12B
1,2 1,2 3,41,2
1
2
3
4

Page
+$1:+$
209
DECAN
F2/S2
Electric Power (2/8)
NO. PART NO. PART NAME Q'TY Old No. Supply Supply LT Reference
1 AM03-005497A 1 SM471_PW120-3
2 AM03-005496A 1 SM471_PW120-2
3 AM03-005499A 1 SM471_PW121-2
4 AM03-010080A 1 SM411_PW029