DECAN_F2_S2_TRM(Ver7.4_CS20.12).pdf - 第326页
Page +$1:+$ 322 DECAN F2/S2 Axis IO Board (8/16) 1 2 3 4 5 7 8 9 10 11 6 4 AXIO BD #1 BOARD BS12 BEL T CN17 SM51 1_VM017 1POUT+ 1PDIR+ 1PDIR- AXIO#1-CN17 AM03-01 1672B 501 189-3010 1 2 3 4 6 7 9 8 5 1POUT+ 1POUT - 1PDIR+…

Page
+$1:+$
321
DECAN
F2/S2
Axis IO Board (7/16)
NO. PART NO. PART NAME Q'TY Old No. Supply Supply LT Reference
1 AM03-014697C CABLE ASSY-WS2_WW2_DRV_COMMAND 1
2 AM03-011290B CABLE ASSY-WS2_ENC_MS2_WS2_BS2_PW_EXT 1
3 AM03-010829D CABLE ASSY-EXIT_CONV_30P_MODULE_A 1 AM03-010829B
4 AM03-010830B CABLE ASSY-EXIT_CONV_30P_MODULE_B 1
5 AM03-011290A CABLE ASSY-WS2_ENC_MS2_WS2_BS2_PW_EXT 1
6 AM03-010080A CABLE ASSY-SHUTTLE_WIDTH_PW 2
7 AM03-010803A CABLE ASSY-WW2_MOT_PW_ENC 2
8 AM03-011139C CABLE ASSY-WW2_SERVO_MOTOR 2

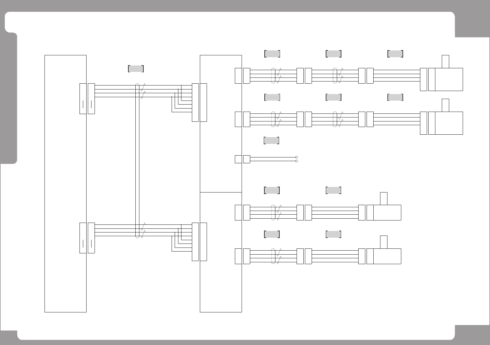
Page
+$1:+$
322
DECAN
F2/S2
Axis IO Board (8/16)
1
2 3 4
5
7
8 9
10 11
6 4
AXIO BD #1
BOARD
BS12
BELT
CN17
SM511_VM017
1POUT+
1PDIR+
1PDIR-
AXIO#1-CN17
AM03-011672B
501189-3010
1
2
3
4
6
7
9
8
5
1POUT+
1POUT-
1PDIR+
1PDIR-
2POUT+
2POUT-
2PDIR+
2PDIR-
BS12-CN4
1
7
9
30
1POUT- 3
1
2
3
4
6
7
9
8
5
10
5557-10R
10
DRIVER
BW12
BELT
CN18
1POUT+
1PDIR+
1PDIR-
AXIO#1-CN18
501189-3010
1
2
3
4
6
7
9
8
5
1POUT+
1POUT-
1PDIR+
1PDIR-
2POUT+
2POUT-
2PDIR+
2PDIR-
BW12-CN4
1
7
9
30
1POUT- 3
1
2
3
4
6
7
9
8
5
10
5557-10R
10
DRIVER
1
7
9
30
3
1
7
9
30
3
UL20276 5P*28AWG
A
/A
B
/B
BS1-CN2
1
2
3
4
29
30
31
32
SM511_CS201(H7)
AM03-010816B
L-CV-32P
5557-04R
XADRP-32V
UL2464-SB 2P*20AWG
XADR-32V
1
2
3
4
29
30
31
32
1
2
3
4
SM511_CS201-1(T6)
AM03-010817A
IN-BELT1
5559-04P
ROFHV-SB 4C*0.5SQ
A
/A
B
/B
BS1-CN3
1
2
3
4
27
28
29
30
SM511_CS202(H5)
AM03-010822B
L-CV-30P
5557-04R
XADRP-30V
UL2464-SB 2P*20AWG
1
2
3
4
XADR-30V
1
2
3
4
SM511_CS202-1(T4)
AM03-010823B
IN-BELT2
5559-04P
ROFHV-SB 4C*0.5SQ
27
28
29
30
1
2
3
4
SM511_CS201-5
AM03-010821A
RED
YELLOW
BLUE
ORANGE
BELT-M
1
3
4
6
2
5
1
3
4
6
2
5
BELT1
MOTOR
IN Front
1
2
3
4
SM511_CS201-5
AM03-010821A
RED
YELLOW
BLUE
ORANGE
BELT-M
1
3
4
6
2
5
1
3
4
6
2
5
BELT2
MOTOR
IN Front
5557-04R
5557-04R
23KM-K249CN03CA
23KM-K249CN03CA
A
/A
B
/B
BW1-CN2
1
2
3
4
1
2
3
4
SM511_CS229
AM03-010832B
5557-04R 5559-04P
UL2464 2P 22AWG
1
2
3
4
A
/A
B
/B
BW1-CN3
1
2
3
4
SM511_CS250
AM03-010833C
5557-04R 5559-04P
UL2464 2P*22AWG
1
2
3
4
BW1-1
BW1-2
1
2
3
4
1
2
3
4
SM511_CS022
AM03-011140A
RED
YELLOW
BLUE
ORANGE
BW1-1
1
2
3
4
1
3
4
6
1-1
MOTOR
WORK
5557-04R 23KM-K249CN03CA
1
2
3
4
SM511_CS023
AM03-011141A
RED
YELLOW
BLUE
ORANGE
BW1-2
1
2
3
4
1
3
4
6
1-2
MOTOR
WORK
5557-04R 23KM-K249CN03CA
+24V
24G
BS1-CN1
1
2
SM471_PW120-2
AM03-005496A
MC1-14
5557-02R
1
2
TB1-12B

Page
+$1:+$
323
DECAN
F2/S2
Axis IO Board (8/16)
NO. PART NO. PART NAME Q'TY Old No. Supply Supply LT Reference
1 AM03-011672B CABLE ASSY-BW12_BS12_DRV_COMMAND 1 AM03-011672A
2 AM03-010816B CABLE ASSY-IN_CONV_32P_MODULE_A 1
3 AM03-010817A CABLE ASSY-IN_CONV_32P_MODULE_B 1
4 AM03-010821A CABLE ASSY-CONV_BELT_STEP_MOTOR 2
5 AM03-010822C CABLE ASSY-IN_CONV_30P_MODULE_A 1
6 AM03-010823B CABLE ASSY-IN_CONV_30P_MODULE_B 1
7 AM03-005496A CABLE ASSY-BELT_DRV_PW 1
8 AM03-010832B CABLE ASSY-BW1-1_MOTOR_EXT 1
9 AM03-011140A CABLE ASSY-BELT MOTOR(BW1-1) 1
10 AM03-010833C CABLE ASSY-BW1-2_MOT_EXT 1 AM03-010833B
11 AM03-011141A CABLE ASSY-BELT MOTOR(BW1-2) 1