DECAN_F2_S2_TRM(Ver7.4_CS20.12).pdf - 第223页
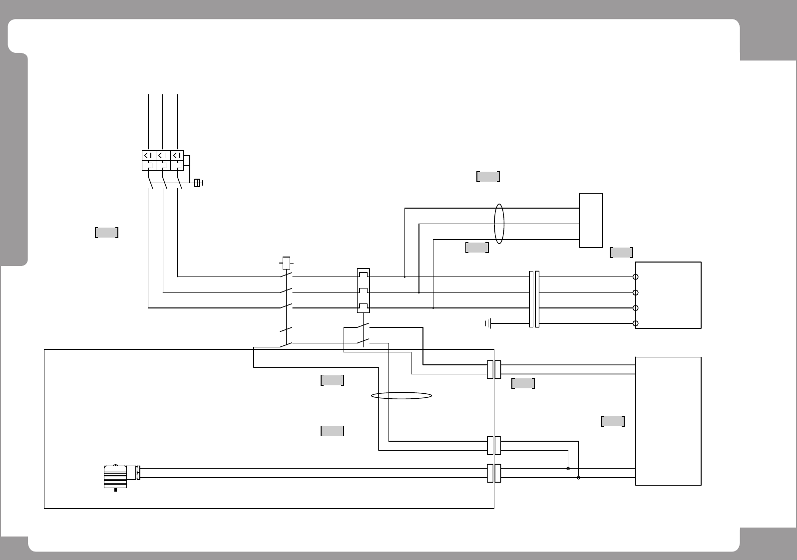
Page +$1:+$ 219 DECAN F2/S2 Electric Power (7/8) NO. PA R T N O . P ART NA ME Q'TY Old No. Supply Supply L T Reference 1 A M03-014710 A 1 SM51 1C_PW202 2 A M03-014590 A 1 SM48C_FD002_DC 3 A M03-014591 A 1 SM48C_FD00…

Page
+$1:+$
218
DECAN
F2/S2
Electric Power (7/8)
PS3-REMOTE
PS3-REMOTE
PS4-REMOTE
PS4-REMOTE
SM511C_PW202
12
4 3
6
87
5
AC 1L1
AC 1L2
SM511C_PW005
TB2-1B
TB2-2A
TB2-2B
RY1
TB2-2A
SM48C_FD003_DC
SM48C_FD002_DC
myvu{VylhyGkvjrpunGjhy{Gvw{pvu
AM03-014720A
AM03-014591A
AM03-014590A
AM03-014710A
4C
9A
1
2
3
4

Page
+$1:+$
219
DECAN
F2/S2
Electric Power (7/8)
NO. PART NO. PART NAME Q'TY Old No. Supply Supply LT Reference
1 AM03-014710A 1 SM511C_PW202
2 AM03-014590A 1 SM48C_FD002_DC
3 AM03-014591A 1 SM48C_FD003_DC
4 AM03-014720A 1 SM511C_PW005

Page
+$1:+$
220
DECAN
F2/S2
Electric Power (8/8)
3
5
U
V
W
PE
1
3
+24V
HD MAIN AIR
VACUUM AIR SOL CONNECTOR
VACUUM PUMP ALARM
GND
VACUUM PUMP ALARM
GND
+24V
VACUUM PUMP PWR
PE3
< OPTION >
-MC2
(TH-N12)
VACUUM
PUMP
SK
AM03-010925A
SM48C-PW041
SM48C_PW042-1
3P-C16
-CP3
CV-CN12
SM511_PW146-1
SM511_PW146
CV-CN15
AM03-014907A
AM03-010942D
SM511_PW040
SM48C_PW147-1
AM03-010940A
AM03-010941A
SM511_PW147
AM03-014851A
AM03-014906A
DECAN_PW042
AM03-015062A
1
3
5
2
4
6
2
4
6
97
95
98
96
13
A1
14
A2
135
246
1
2
3
4
1
2
3
4
5
6
7
8